Запчасти Case IH 635 (35.910.26) - DRUM CONTROL VALVES AND LIFT CYLINDER SYSTEM (35) - HYDRAULIC SYSTEMS

Схема запчастей Case IH 635 - (35.910.26) - DRUM CONTROL VALVES AND LIFT CYLINDER SYSTEM (35) - HYDRAULIC SYSTEMS
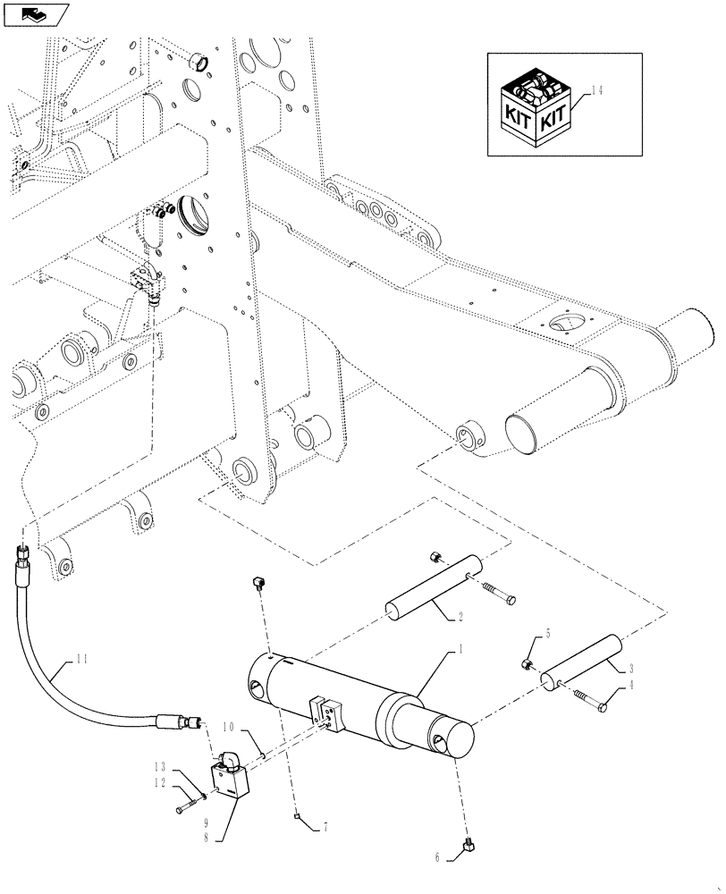
12
14
2
5
3
7
1
9
8
4
13
11
6
10
FIT
1:1
100%

Артикул

Название

Примечание

Количество

1

87731913

LIFT CYLINDER,Double Acting, 88.9mm Rod, 271.5mm Stroke

Drum Lift, Inc. 14

2шт.

2

348316A1

PIN,44.21mm OD x 280mm L

Drum Lift Cylinder Lower

2шт.

3

1983053C2

PIN

Drum Lift Cylinder Upper

2шт.

4

413-852

BOLT,Hex, 1/2" - 13 x 3-1/4", Gr 5

4шт.

5

231-4138

LOCK NUT,1/2"-13, GB

4шт.

6

217-20

ELBOW,90 Degree, 1/8"-28 NPTF, Fem x 1/8"-27 NPTF Male

4шт.

7

217-429

PLUG,Hex Soc, 1/8" - 27 NPTF

2шт.

8

NSS

NOT SOLD SEPARAT

VALVE, Load Hold Left Hand With Fittings

1шт.

9

NSS

NOT SOLD SEPARAT

VALVE, Load Hold Right Hand With Fittings

1шт.

10

238-6014

O-RING,0.07" Thk x 0.489" ID, -14, Cl 6, 90 Duro

2шт.

11

1984279C1

HOSE

Drum Lift Cylinder

2шт.

12

326-532

BOLT,Hex, 5/16" - 18 x 2", Gr 8

4шт.

13

492-11031

LOCK WASHER,5/16"

4шт.

14

1980307C1

SEAL KIT

Drum Lift Cylinder

1шт.

Выбрано товаров: 14