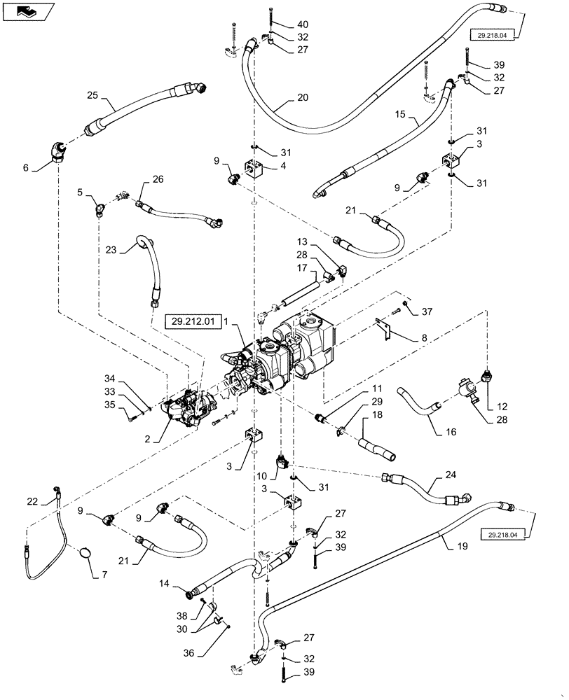
Запчасти Case IH 635 (29.218.01[01]) - HYDROSTATIC PUMP WITH AUXILIARY PUMP (29) - HYDROSTATIC DRIVE

Схема запчастей Case IH 635 - (29.218.01[01]) - HYDROSTATIC PUMP WITH AUXILIARY PUMP (29) - HYDROSTATIC DRIVE
18
24
5
32
32
11
8
19
9
31
home
20
28
15
12
1
31
30
23
9
37
13
26
21
34
27
29.218.04
27
22
35
25
7
32
9
10
16
38
6
3
14
32
33
27
39
28
40
2
36
39
31
21
29.212.01
3
29
39
29.218.04
17
9
27
3
31
4
FIT
1:1
100%

Артикул

Название

Примечание

Количество

1

NSS

NOT SOLD SEPARAT

Hydrostatic Assy Tandem

1шт.

2

84495692

HYDRAULIC PUMP,46 CC

PFC

1шт.

2

47572781

HYDRAULIC PUMP,45 CC

PFC, Start Year: 01-SEP-13

1шт.

3

226646A1

BLOCK

Adaptor Manifold

3шт.

4

408284A1

BLOCK

Adaptor Manifold

1шт.

5

84989393

ELBOW,90 Degree, 1"-14 ORFS x 1"-14 Fem Sw

not used with New Pump 47572781, Years: -01-SEP-13

2шт.

6

84529664

45 ELBOW

1шт.

6

9803187

NUT,1/2"-13, G8

, Start Year: 01-SEP-13

2шт.

7

289862C1

CABLE TIE,3/16" x 7"

1шт.

8

87607180

BRACKET

Hydro Control Cable

1шт.

9

201-307

ELBOW,90 Degree Elbow, 1-3/16" - 12 Male ORFS x 1-1/16" - 12 Male ORB

4шт.

10

201-313

ELBOW,90 Degree, 1 7/16"-12 x 1 1/16"-12, Adj, ORFS

1шт.

11

217-184

FITTING,1-1/4" Hose Barb x 1-5/16" - 12 Male ORB

1шт.

12

217-309

FITTING,45 Degree Elbow, 1" Hose Barb x 1-1/16" - 12 Male ORB

1шт.

13

1546404C1

ELBOW

2шт.

14

1984276C2

HOSE,25.4mm ID x 1450mm L

Hydro Motor Forward

1шт.

15

1984277C2

HOSE,25.4mm ID x 1575mm L

Hydro Motor Reverse

1шт.

16

127983A1

HYDRAULIC HOSE,25.40 mm ID x 430.00 mm

1шт.

17

408846A1

HOSE

Low Pressure

1шт.

18

408847A1

HOSE

1шт.

19

84391224

FLEXIBLE HOSE

Forward PGA

1шт.

20

84561326

HYDRAULIC HOSE

Reverse PGA

1шт.

21

84568776

HOSE ASSY.

Hydro Crossover

2шт.

22

87436845

HOSE ASSY.

Aux Pump Sense

1шт.

23

84530593

HYDRAULIC HOSE

Aux Pump Pressure, Connects to Return Filter, See 35.300.05

1шт.

23

84471068

HOSE

Aux Pump Pressure, used with Pump 47572781, Start Year: 01-SEP-13

1шт.

24

84388608

FLEXIBLE HOSE

PGA Motor Return Jump

1шт.

25

84194151

HOSE ASSY.

Pump Section

1шт.

26

84194152

HOSE ASSY.

Pump Drain

1шт.

27

S97224

CLAMP

8шт.

28

214-1420

HOSE CLAMP,#20, 0.81" - 1.75", Type F Worm

3шт.

29

214-3232

HOSE CLAMP,1-1/4" - 2-1/8", HD Worm, W/ Liner

1шт.

30

515-23381

CLAMP,1 1/2", Insul, 3/8" Bolt

2шт.

31

238-6219

O-RING,0.139" Thk x 1.296" ID, -219, Cl 6, 90 Duro

8шт.

32

492-11044

LOCK WASHER,7/16"

16шт.

33

492-11050

LOCK WASHER,1/2"

2шт.

34

896-11012

WASHER,13.5mm ID x 24mm OD x 3mm Thk

2шт.

35

9790095

BOLT,1/2" - 13 x 1-3/4", Gr 8

2шт.

35

1338122C2

STUD

Hydro Pump, used with Pump 47572781, Start Year: 01-SEP-13

2шт.

36

86521606

FLANGE NUT,Hex, 3/8" - 16, Gr 5

1шт.

37

329-288

FLANGE NUT,Flg, 1/2"-13, G8

4шт.

38

409-7620

BOLT,Hex Flg, 3/8" - 16 x 1 1/4", Spcl

1шт.

39

413-756

BOLT,Hex, 7/16" - 14 x 3-1/2", Gr 5

12шт.

40

413-772

BOLT,Hex, 7/16" - 14 x 4-1/2", Gr 5

4шт.

Выбрано товаров: 44