Запчасти Case IH 1400 (9D-18) - HEATER AND AIR CONDITIONING, CHASSIS CONNECTIONS (10) - CAB & AIR CONDITIONING

Схема запчастей Case IH 1400 - (9D-18) - HEATER AND AIR CONDITIONING, CHASSIS CONNECTIONS (10) - CAB & AIR CONDITIONING
22
20
18
24
23
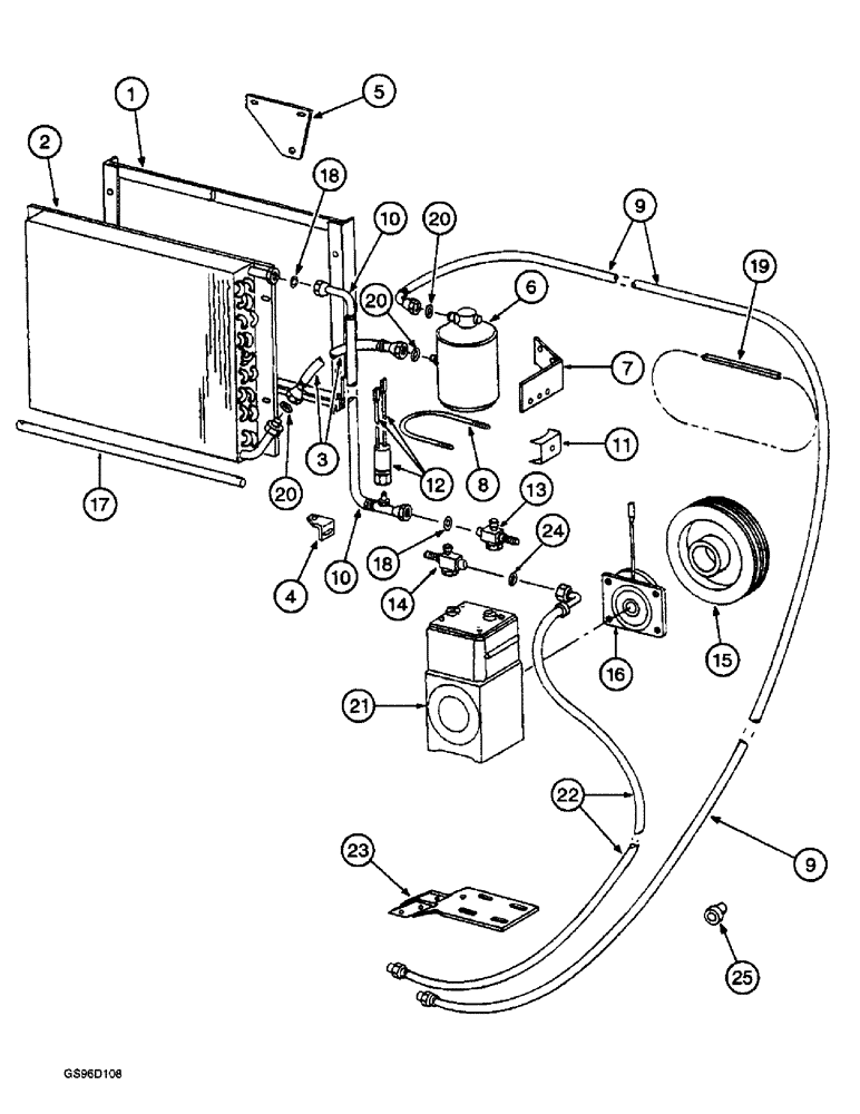
2
5
21
13
7
25
14
3
9
17
11
20
12
15
20
10
18
1
8
4
6
19
10
16
9
FIT
1:1
100%

Артикул

Название

Примечание

Количество

1

216415C2

SUPPORT

SUPPORT - condenser

2шт.

2

183901C2

CONDENSER

COIL - air conditioner condenser (Replaces coil 183901C1)

1шт.

470-1258

SCREW,Slotted Pan Hd, 1/4"-20 x 1/2"

SCREW - machine, pan head slotted, 1/4 NC x 1/2 inch

4шт.

425-104

NUT,1/4"-20, Cl 5

NUT - hex, 1/4 inch NC (Replaces nut 120375)

4шт.

492-11025

LOCK WASHER,1/4"

WASHER, LOCK, (Replaces washer 120380) 1/4"

4шт.

3

183909C2

HOSE ASSY.

HOSE -, Serial Range: dryer-condenser

1шт.

4

131392C1

SUPPORT

ANGLE - condenser

1шт.

413-620

BOLT,Hex, 3/8" - 16 x 1-1/4", Gr 5

BOLT - hex, 3/8 NC x 1-1/4 inch (Replaces bolt 180124)

1шт.

425-106

NUT,3/8"-16, Cl 5

NUT, (Replaces nut 120377) 3/8"-16, G5

2шт.

492-11038

LOCK WASHER,3/8"

LOCK WASHER, (Replaces washer 120382) 3/8"

2шт.

5

216413C1

BAR

SPARE PART BAR - condenser

1шт.

413-516

BOLT,Hex, 5/16" - 18 x 1", Gr 5

BOLT - hex, 5/16 NC x 1 inch (Replaces bolt 180079)

2шт.

492-11031

LOCK WASHER,5/16"

WASHER, LOCK, (Replaces washer 120214) 5/16"

2шт.

153528C1

COTTER PIN

PIN - cotter, quick attach, 3/32 inch

1шт.

28588R1

WASHER

WASHER - flat, 11/32 x 11/16 x 3/64 inch (Replaces washer 27309R1)

1шт.

6

118304C2

RESERVOIR

FILTER - receiver (Replaces filter 118418C1)

1шт.

6

118304C2GV

RECEIVER-DRYER

FILTER - receiver (Replaces filter 118418C1)

1шт.

7

222189C1

SUPPORT

SUPPORT - filter dryer

1шт.

8

195915C1

BOLT,1/4" - 20 x 5.2", Class 5

BOLT - receiver filter

1шт.

425-104

NUT,1/4"-20, Cl 5

NUT - hex, 1/4 inch NC (Replaces nut 120375)

2шт.

492-11025

LOCK WASHER,1/4"

WASHER, LOCK, (Replaces washer 120380) 1/4"

2шт.

9

221960C1

HOSE

HOSE -, Serial Range: dryer-cab

1шт.

10

183910C1

A/C HOSE

HOSE -, Serial Range: condenser-compressor

1шт.

11

195914C1

CHANNEL

CHANNEL - filter support

1шт.

12

111266C1

SWITCH, A/C HIGH PRE

SWITCH - high pressure

1шт.

13

183903C91

VALVE

VALVE - service

1шт.

14

183902C91

VALVE

VALVE - service

1шт.

143405C91

PULLEY

CLUTCH ASSEMBLY - compressor

1шт.

15

117820C1

PULLEY

PULLEY - clutch, includes bearing

1шт.

16

117822C1

COIL

COIL - field

1шт.

413-48

BOLT,Hex, 1/4" - 20 x 1/2", Gr 5

BOLT - hex, 1/4 NC x 1/2 inch (Replaces bolt 180018)

4шт.

114-100

BOLT,Hex, 5/16" - 24 x 1-1/4", Gr 5

BOLT - hex, 5/16 NF x 1-1/4 inch (Replaces bolt 181610)

1шт.

492-1103

WASHER - lock, 5/16 inch (Replaces washer 120214)

1шт.

495-81113

WASHER,0.34" ID x 0.75" OD x 0.18" Thk

WASHER - flat, 11/32 x 3/4 x 3/16 inch (Replaces washer 22859R1)

1шт.

17

216412C1

ROD

ROD - condenser

1шт.

432-816

COTTER PIN,1/8" x 1"

(Replaces pin 103385) 1/8" x 1"

2шт.

18

238-5013

O-RING,0.07" Thk x 0.426" ID, -13, Cl 5, 75 Duro

O-RING, -013, 70 Duro, .426" ID x .070" Thk (Replaces O-ring 375271R1)

2шт.

19

280210C2

BELT,53.50" L

Compressor

1шт.

20

238-5011

O-RING,0.07" Thk x 0.301" ID, -11, Cl 5, 75 Duro

O-RING, -011, 70 Duro, .301" ID x .070" Thk, Hose (Replaces O-ring 359158R1)

3шт.

21

118250C91

COMPRESSOR

COMPRESSOR ASSEMBLY - air conditioner, parts list page 9D-13

1шт.

21

1924006C2

REMAN-A/C COMPRESSOR

Reman For New PN 118250C91

1шт.

21

1924007C1

CORE-A/C COMPRESSOR

Return Number

1шт.

413-620

BOLT,Hex, 3/8" - 16 x 1-1/4", Gr 5

BOLT - hex, 3/8 NC x 1-1/4 inch (Replaces bolt 180124)

1шт.

492-11038

LOCK WASHER,3/8"

LOCK WASHER, (Replaces washer 120382) 3/8"

1шт.

495-81136

WASHER,10.31mm ID x 25.4mm OD x 3.81mm Thk

WASHER - flat, 13/32 x 1 x 1/8 inch (Replaces washer 20803R1)

5шт.

413-616

BOLT,Hex, 3/8" - 16 x 1", Gr 5

BOLT - hex, 3/8 NC x 1 inch (Replaces bolt 180122)

4шт.

22

221959C1

A/C HOSE

HOSE -, Serial Range: compressor-cab

1шт.

23

131388C2

BRACKET

BRACKET - compressor mount (Replaces bracket 131388C1)

1шт.

413-540

BOLT,Hex, 5/16" - 18 x 2-1/2", Gr 5

BOLT - hex, 5/16 NC x 2-1/2 inch (Replaces bolt 180091)

1шт.

413-544

BOLT,Hex, 5/16" - 18 x 2-3/4", Gr 5

BOLT - hex, 5/16 NC x 2-3/4 inch (Replaces bolt 180112)

1шт.

425-105

NUT,5/16"-18, G5

NUT - hex, 5/16 inch NC (Replaces nut 120376)

2шт.

492-11031

LOCK WASHER,5/16"

WASHER, LOCK, (Replaces washer 120214) 5/16"

2шт.

24

238-5015

O-RING,0.07" Thk x 0.551" ID, -15, Cl 5, 75 Duro

O-RING, -015, 70 Duro, .551" ID x .070" Thk (Replaces O-ring 371544R1)

1шт.

25

198826C1

GROMMET,19.05mm ID x 41.1mm OD x 26.9mm Thk

GROMMET - air conditioner hose, 3/4 inch ID

1шт.

25

198929C1

GROMMET - air conditioner hose, 1 inch ID, no longer available

1шт.

Выбрано товаров: 55