Запчасти Case IH 1400 (9A-12) - HEIGHT CONTROL, BRUSH ROLL UNIT (13) - PICKING SYSTEM

Схема запчастей Case IH 1400 - (9A-12) - HEIGHT CONTROL, BRUSH ROLL UNIT (13) - PICKING SYSTEM
9
2
6
10
13
3
5
8
12
2
4
7
1
11
FIT
1:1
100%

Артикул

Название

Примечание

Количество

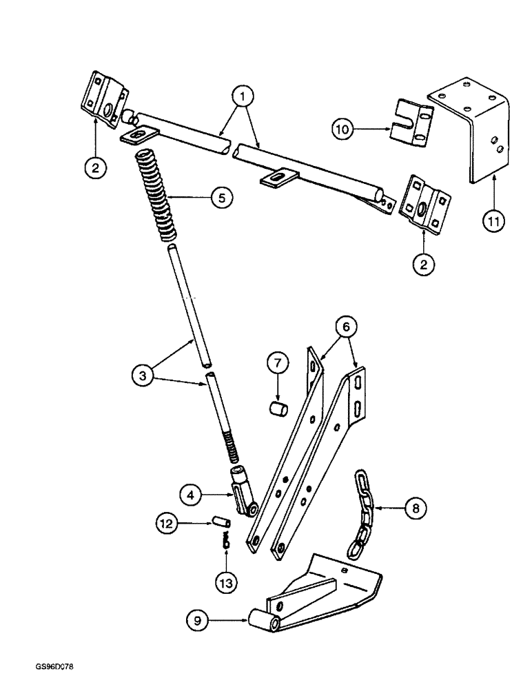
1

217806C1

ROCKSHAFT

- brush roll unit

1шт.

2

203409C1

SUPPORT

BRACKET - rockshaft

2шт.

434-516

CARRIAGE BOLT,Sht Sq Nk, 5/16" - 18 x 1", Gr 5

BOLT - carriage, 5/16 NC x 1 inch (Replaces bolts 12872R1 and 599803R1)

8шт.

231-5145

SERRATED NUT,Flg, USR, 5/16"-18

NUT - hex serrated flange, 5/16 inch NC (Replaces nut 938017R1)

8шт.

3

217813C1

STEM

ROD - shoe push

2шт.

4

213-128

ADJUSTABLE CLEVIS,1/2"-20 x 3"

CLEVIS, ADJUSTABLE, (Replaces clevis 144245) 1/2"-20 x 3"

2шт.

425-118

NUT,1/2"-20, G5

- hex, 1/2 inch NF (Replaces nut 120371)

2шт.

438-11216

LOCK PIN,3/16" x 1", Slotted

PIN - cotter, 3/16 x 1 inch (Replaces pin 17176R1)

4шт.

495-81021

WASHER,17/32" x 1" x .120"

- flat, 17/32 x 1 x 7/64 inch (Replaces washer 607895R1)

4шт.

5

304505R1

SPRING

- shoe push rod

2шт.

6

222134C1

SUPPORT

- height control, left-hand

2шт.

6

222135C1

SUPPORT

- height control, right-hand

2шт.

7

S3780

SPACER,3/8" Pipe x 1 3/4"

- standard, 43/64 x 1/2 x 1-3/4 inch

2шт.

413-612

BOLT,Hex, 3/8" - 16 x 3/4", Gr 5

(Replaces bolt 180120) Hex, 3/8"-16 x 3/4", G5, Full Thd

8шт.

231-5146

FLANGE NUT,3/8"-16

(Replaces nut 482256R1) Flg, USR, 3/8"-16

9шт.

413-640

BOLT,Hex, 3/8" - 16 x 2-1/2", Gr 5

- hex, 3/8 NC x 2-1/2 inch (Replaces bolt 180134)

1шт.

8

222388C1

CHAIN (AG)

CHAIN - stop

2шт.

412-412

CARRIAGE BOLT,Short Sq Nk 1/4" - 20 x 3/4", Gr 2

BOLT - carriage, 1/4 NC x 3/4 inch, grade 2 (Replaces bolt 12653R1)

4шт.

231-5144

SERRATED NUT,Flg, USR, 1/4"-20

(Replaces nut 938016R1) Flg, USR, 1/4"-20

4шт.

9

203416C1

SKID/SHOE

SHOE - sensing control

2шт.

439-5840

HEADED PIN,1/2" x 2 1/2"

PIN - headed, 1/2 x 2-1/2 inch (Replaces pin 222804R1)

2шт.

432-1216

COTTER PIN,3/16" x 1"

(Replaces pin 18481R1) 3/16" x 1"

2шт.

10

203411C1

SUPPORT

- control cable

1шт.

434-616

CARRIAGE BOLT,Sht Sq Nk, 3/8" - 16 x 1", Gr 5

BOLT - carriage, 3/8 NC x 1 inch (Replaces bolts 17351R1 and 495967R1)

2шт.

231-5146

FLANGE NUT,3/8"-16

(Replaces nut 482256R1) Flg, USR, 3/8"-16

2шт.

495-11041

WASHER,0.406" ID x 0.812" OD x 0.065" W

(Flat, 13/32 x 13/16 x 1/16") (Replaces washer 120394) 3/8", SAE

2шт.

11

217811C1

ANGLE

BRACKET - cable

1шт.

413-512

BOLT,Hex, 5/16" - 18 x 3/4", Gr 5

- hex, 5/16 NC x 3/4 inch (Replaces bolt 180077)

4шт.

231-5145

SERRATED NUT,Flg, USR, 5/16"-18

NUT - hex serrated flange, 5/16 inch NC (Replaces nut 938017R1)

4шт.

12

384308R2

PIN,12.53mm OD x 28.45mm L

- rod clevis

2шт.

13

153528C1

COTTER PIN

- spring

2шт.

Выбрано товаров: 31