Запчасти Case IH 1400 (7-06) - MASTER BRAKES (5.1) - BRAKES

Схема запчастей Case IH 1400 - (7-06) - MASTER BRAKES (5.1) - BRAKES
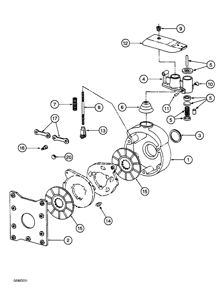
11
8
5
5
3
9
12
4
15
2
7
14
10
20
5
15
1
6
17
13
16
FIT
1:1
100%

Артикул

Название

Примечание

Количество

1

574914R2

HOUSING

- wheel brake

2шт.

413-756

BOLT,Hex, 7/16" - 14 x 3-1/2", Gr 5

- hex, 7/16 NC x 3-1/2 inch (Replaces bolt 180162)

10шт.

492-11044

LOCK WASHER,7/16"

WASHER, LOCK, (Replaces washer 120383) 7/16"

10шт.

2

215486C1

PLATE

- brake, left-hand

1шт.

2

215487C1

PLATE

- brake, right-hand

1шт.

413-824

BOLT,Hex, 1/2" - 13 x 1-1/2", Gr 5

(Replaces bolt 179885) Hex, 1/2"-13 x 1 1/2", G5, Full Thd

8шт.

425-108

NUT,1/2" - 13, Gr 5

NUT, , Hex (Replaces nut 102637) 1/2"-13, G5

8шт.

80679

LOCK WASHER,1/20.507 CST ZND

WASHER, LOCK, (Replaces washer 120384) 1/2"

8шт.

496-21053

WASHER,17/32" x 1 1/16" x .134"

- flat, 17/32 x 1-1/16 x 1/8 inch, hardened (Replaces washer 103343)

8шт.

3

380637R91

SEAL,44.45mm ID x 66.72mm OD x 5.08mm Thk

- brake housing dirt

2шт.

4

663920R11

CYLINDER

- brake wheel, left-hand, no longer available as a unit, order component parts

1шт.

662620R1

COVER

BOOT - brake wheel cylinder

1шт.

662612R1

SPRING

- brake wheel cylinder

1шт.

662616R1

PISTON

- brake wheel cylinder

1шт.

662617R1

SPACER

- brake wheel cylinder

1шт.

662618R2

PIN

PLUNGER - brake wheel cylinder

1шт.

663920R1

HOUSING

- brake wheel cylinder

1шт.

51906H

CUP

- piston

1шт.

4

662614R11

BRAKE ASSY.

CYLINDER - brake wheel, right-hand, no longer available as a unit, order component parts

1шт.

662620R1

COVER

BOOT - brake wheel cylinder

1шт.

662612R1

SPRING

- brake wheel cylinder

1шт.

662616R1

PISTON

- brake wheel cylinder

1шт.

662617R1

SPACER

- brake wheel cylinder

1шт.

662618R2

PIN

PLUNGER - brake wheel cylinder

1шт.

662614R1

MASTER CYLINDER

HOUSING - brake wheel cylinder

1шт.

51906H

CUP

- piston

1шт.

5

665989R91

PISTON

KIT - brake

1шт.

6

381699R1

BOOT

- wheel brake

2шт.

7

667480R1

SPRING

- brake compression

2шт.

8

665995R1

ROD

- brake pull

2шт.

413-520

BOLT,Hex, 5/16" - 18 x 1-1/4", Gr 5

- hex, 5/16 NC x 1-1/4 inch (Replaces bolt 180081)

8шт.

492-11031

LOCK WASHER,5/16"

WASHER, LOCK, (Replaces washer 120214) 5/16"

8шт.

425-105

NUT,5/16"-18, G5

- hex, 5/16 inch NC (Replaces nut 120376)

8шт.

9

354630R1

NUT

- ball seat

2шт.

425-117

NUT,7/16"-20, G5

- hex, 7/16 inch NF (Replaces nut 271506)

6шт.

495-21050

WASHER,7/16"

- flat, 1/2 x 1-1/4 x 5/64 inch (Replaces washer PO10534)

2шт.

10

222-1022

ELBOW,90 Degree, 7/16"-24 Inv Fl x 1/8" NPT

- 90 degree, 7/16 NF x 1/8 inch PT (Replaces elbow 225810)

2шт.

217-9

ADAPTER,1/8"-27 Fem NPTF x 1/8"-27 NPTF Male

VALVE - 1/8 inch PT (Replaces valve 443998)

2шт.

11

660901R1

VALVE

- bleeder

2шт.

12

165283C1

LEVER

- brake

2шт.

23287R1

PIN,1/2" x 2 1/4"

- square head, 1/2 x 2-1/4 inch

2шт.

13

357043R1

CLEVIS,3/8" - 24

YOKE - brake operating

2шт.

16618R1

CLEVIS PIN,7/16" x 1.190"

PIN - clevis, 7/16 x 1-3/16 inch (Replaces pin 103497)

2шт.

432-610

COTTER PIN,3/32" x 5/8"

PIN, SPLIT (COTTER), (Replaces pin 107762) 3/32" x 5/8"

2шт.

14

619731C1

SPRING

- extension

3шт.

15

1963810C2

BRAKE DISC

DISC - middle (Replaces disc 121961C91)

2шт.

366182R93

CLUTCH DISC

DISC ASSEMBLY - actuating (Replaces disc assembly 366182R92)

1шт.

16

A30898

STEP BOLT

STUD - actuating disc (Replaces stud 354642R1)

2шт.

17

R18533

LINK

- actuating, plain (Replaces link 357113R1)

2шт.

20

211-1028

BALL,7/8" Dia

- steel, 7/8 inch

5шт.

425-155

JAM NUT,Jam, 5/16"-24, G5

- hex jam, 5/16 inch NF (Replaces nut 114493)

1шт.

Выбрано товаров: 51