Запчасти Case IH 1400 (2-02) - RADIATOR AND FAN SHROUD (01) - ENGINE

Схема запчастей Case IH 1400 - (2-02) - RADIATOR AND FAN SHROUD (01) - ENGINE
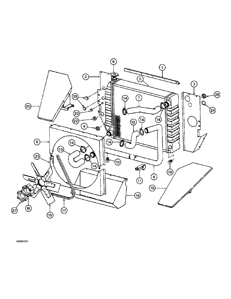
14
6
2
22
17
10
10
14
16
9
24
19
14
26
21
13
25
18
14
12
7
14
15
14
27
8
5
1
20
3
11
4
23
FIT
1:1
100%

Артикул

Название

Примечание

Количество

1

214688C1

ANGLE

BRACKET - radiator support, upper

1шт.

413-516

BOLT,Hex, 5/16" - 18 x 1", Gr 5

- hex, 5/16 NC x 1 inch (Replaces bolt 180079)

9шт.

28588R1

WASHER

- flat, 11/32 x 11/16 x 3/64 inch (Replaces washers 120393 and 27309R1)

14шт.

231-5145

SERRATED NUT,Flg, USR, 5/16"-18

NUT - hex serrated flange, 5/16 inch NC (Replaces nut 938017R1)

5шт.

2

214684C3

SUPPORT

- radiator shield, right-hand

1шт.

413-512

BOLT,Hex, 5/16" - 18 x 3/4", Gr 5

- hex, 5/16 NC x 3/4 inch (Replaces bolt 5 180077)

4шт.

27309R1

WASHER

- flat, 11/32 x 11/16 x 3/64 inch (Replaces washer 120393)

4шт.

231-5145

SERRATED NUT,Flg, USR, 5/16"-18

NUT - hex serrated flange, 5/16 inch NC (Replaces nut 938017R1)

4шт.

3

214685C3

SUPPORT

- radiator shield, left-hand

1шт.

413-512

BOLT,Hex, 5/16" - 18 x 3/4", Gr 5

- hex, 5/16 NC x 3/4 inch (Replaces bolt 5 180077)

4шт.

27309R1

WASHER

- flat, 11/32 x 11/16 x 3/64 inch (Replaces washer 120393)

4шт.

231-5145

SERRATED NUT,Flg, USR, 5/16"-18

NUT - hex serrated flange, 5/16 inch NC (Replaces nut 938017R1)

4шт.

4

82486R1

GROMMET

- rubber, radiator shield

1шт.

5

59954C2

RADIATOR

- engine cooling

1шт.

413-512

BOLT,Hex, 5/16" - 18 x 3/4", Gr 5

- hex, 5/16 NC x 3/4 inch (Replaces bolt 180077)

4шт.

492-11031

LOCK WASHER,5/16"

WASHER, LOCK, (Replaces washer 120214) 5/16"

4шт.

6

A149609

CAP

- radiator pressure (Replaces cap 530874r1)

1шт.

7

221531C1

HOSE,51.00 mm ID x 258.00 mm, EPDM

RADIATOR HOSE, , Inlet 51.00 mm ID x 258.00 mm, EPDM

1шт.

8

221561C1

SHEET

SHROUD - fan

1шт.

9

146551C2

TUBE,50.8 mm OD, 838 mm Length

- radiator outlet

1шт.

10

221-841

PLUG

- hex socket, 1/4 inch PT (Replaces plug 444578)

2шт.

11

139243H2

CLAMP

- pipe support

2шт.

12

146552C1

RADIATOR HOSE,50.80 mm ID x 198.00 mm, SAE 20R4

Upper 50.80 mm ID x 198.00 mm, SAE 20R4

1шт.

13

215509C1

RADIATOR HOSE,51.00 mm ID x 96.00 mm, SAE 20R4

Outlet, Lower 51.00 mm ID x 96.00 mm, SAE 20R4

1шт.

14

214-1532

HOSE CLAMP,#32, 1.56" - 2.5", Type F Worm, W/ Liner

Adj. - Radiator hose (Replaces clamp 681209C1) #32, 1.56/2.50 Type F Worm, W/liner

6шт.

15

84482C1

FAN

- engine (Replaces fan 59962C1)

1шт.

16

121614C1

SPACER

- fan

1шт.

17

130724C91

SET OF BELTS,0.50" W

V-Belt 0.50" W

1шт.

18

215212C1

SHIELD

- engine fan

1шт.

19

221694C1

SHIELD

- fan, left-hand

1шт.

20

221695C1

SHIELD

- fan, right-hand

1шт.

21

221563C1

SHEET

SHROUD - fan, lower

1шт.

413-612

BOLT,Hex, 3/8" - 16 x 3/4", Gr 5

(Replaces bolt 180120) Hex, 3/8"-16 x 3/4", G5, Full Thd

8шт.

425-106

NUT,3/8"-16, Cl 5

(Replaces nut 120377) 3/8"-16, G5

2шт.

492-11038

LOCK WASHER,3/8"

(Replaces washer 120382) 3/8"

10шт.

22

82486R1

GROMMET

- rubber

1шт.

23

117966

GROMMET,5/8" ID x 1 11/64" x .188"

- rubber (Replaces grommet 118833)

1шт.

24

423564

PLUG - button, no longer used

1шт.

25

198820C1

GROMMET

PLUG - radiator shield, used with cabs without air conditioning

2шт.

26

587215R1

GROMMET,1 1/2" ID x 2 1/8" x .062"

- radiator shield

1шт.

27

59963C1

SPACER

- fan

1шт.

413-556

BOLT,Hex, 5/16" - 18 x 3-1/2", Gr 5

- hex, 5/16 NC x 3-1/2 inch (Replaces bolt 187147)

6шт.

492-11031

LOCK WASHER,5/16"

WASHER, LOCK, (Replaces washer 120214) 5/16"

6шт.

Выбрано товаров: 43