Запчасти Case IH 1400 (6-04) - FOOT-N-INCH PEDAL (03) - POWER TRAIN

Схема запчастей Case IH 1400 - (6-04) - FOOT-N-INCH PEDAL (03) - POWER TRAIN
2
4
8
3
6
7
5
9
1
FIT
1:1
100%

Артикул

Название

Примечание

Количество

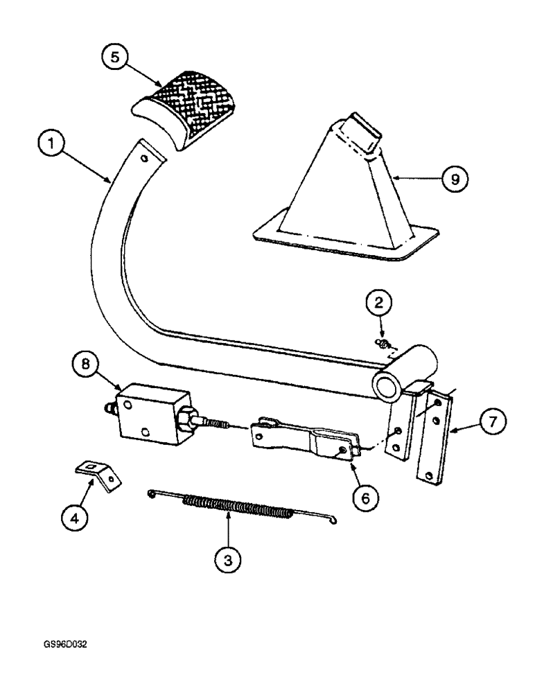
1

672833R92

PEDAL

- foot-n-inch valve control

1шт.

2

219-87

LUBE NIPPLE,1/4" - 28 NPTF

NIPPLE, LUBE, (Replaces fitting 19588R91) 1/4"-28 x .56" lg, Self-Tap

1шт.

3

48599DA

SPRING

- pedal return

1шт.

4

662387R1

ANCHOR

CLIP - spring anchor

1шт.

434-512

CARRIAGE BOLT,Sht Sq Nk, 5/16" - 18 x 3/4", Gr 5

BOLT - carriage, 5/16 NC x 3/4 inch (Replaces bolts 16897R1 and 598802R1)

1шт.

425-105

NUT,5/16"-18, G5

- hex, 5/16 inch NC (Replaces nut 120376)

1шт.

492-11031

LOCK WASHER,5/16"

WASHER, LOCK, (Replaces washer 120214) 5/16"

1шт.

5

627510R1

PAD - pedal

1шт.

413-620

BOLT,Hex, 3/8" - 16 x 1-1/4", Gr 5

- hex, 3/8 NC x 1-1/4 inch (Replaces bolt 180124)

1шт.

425-106

NUT,3/8"-16, Cl 5

(Replaces nut 120377) 3/8"-16, G5

1шт.

492-11038

LOCK WASHER,3/8"

(Replaces washer 120382) 3/8"

1шт.

6

209895C1

YOKE

- foot-n-inch valve control

1шт.

425-155

JAM NUT,Jam, 5/16"-24, G5

- hex jam, 5/16 inch NF (Replaces nut 124920)

1шт.

327-6121

CLEVIS PIN,9.53mm OD x 30.94mm L

PIN - clevis, 3/8 x 1/2 inch (Replaces pin 865197R1)

1шт.

432-812

COTTER PIN,3/4" OAL x 1/8" W

PIN, SPLIT (COTTER), (Replaces pin 177923) 1/8" x 3/4"

1шт.

495-11041

WASHER,0.406" ID x 0.812" OD x 0.065" W

(Flat, 13/32 x 13/16 x 1/16") (Replaces washer 120394) 3/8", SAE

1шт.

432-1220

COTTER PIN,3/16" x 1 1/4"

(Replaces pin 187988) 3/16" x 1 1/4"

1шт.

495-81055

WASHER,29/32" x 1 3/8" x .134"

- flat, 29/32 x 1-3/8 x 1/8 inch (Replaces washer 21762R1)

1шт.

7

214831C1

BAR

- spring anchor

1шт.

413-620

BOLT,Hex, 3/8" - 16 x 1-1/4", Gr 5

- hex, 3/8 NC x 1-1/4 inch (Replaces bolt 180124)

1шт.

425-106

NUT,3/8"-16, Cl 5

(Replaces nut 120377) 3/8"-16, G5

1шт.

492-11038

LOCK WASHER,3/8"

(Replaces washer 120382) 3/8"

1шт.

495-81137

WASHER,13/32" x 1" x .224"

- flat, 13/32 x 1 x 15/64 inch (Replaces washer 127507H)

1шт.

8

403347R91

LOCK VALVE

VALVE ASSEMBLY - foot-n-inch, parts list page 6-7

1шт.

9

198074C1

ISOLATOR

BOOT - pedal

1шт.

Выбрано товаров: 25