Запчасти Case IH 1400 (4-06) - CHASSIS HARNESS (06) - ELECTRICAL SYSTEMS

Схема запчастей Case IH 1400 - (4-06) - CHASSIS HARNESS (06) - ELECTRICAL SYSTEMS
8
8
21
10
9
18
13
11
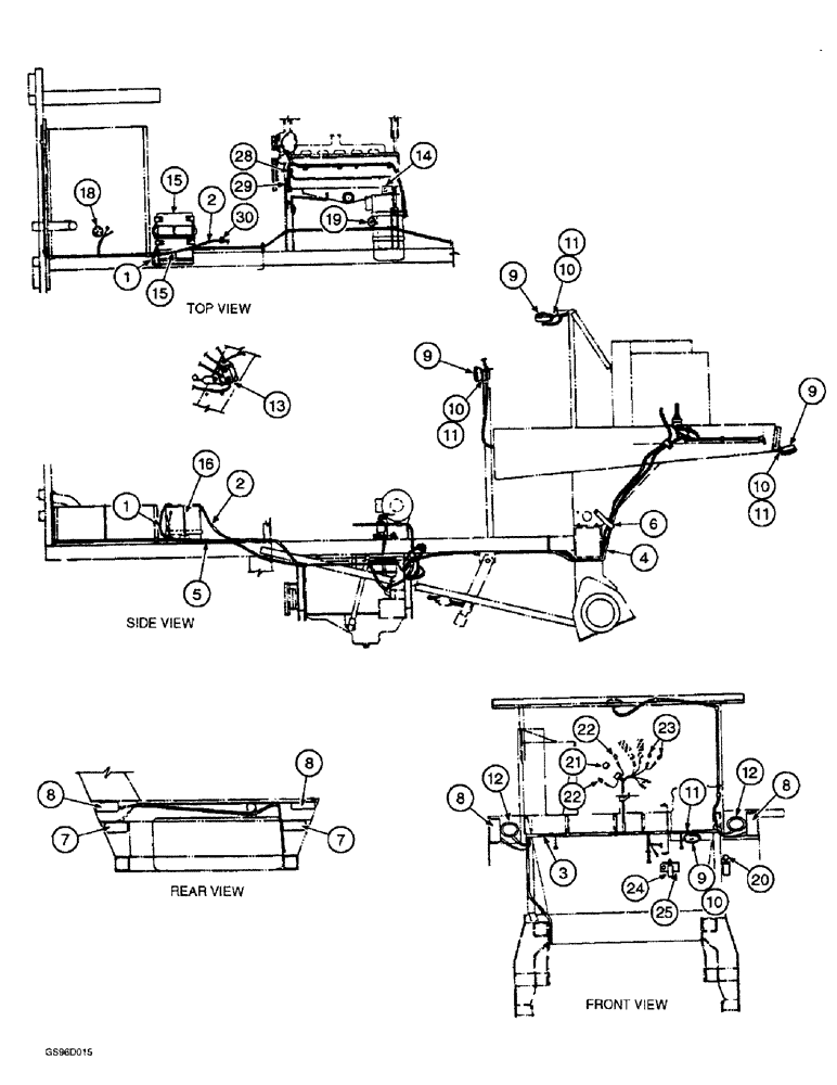
1
10
9
14
10
8
12
8
12
7
7
15
11
4
23
5
20
1
11
15
19
16
9
22
6
11
28
10
2
25
30
22
29
9
24
2
3
FIT
1:1
100%

Артикул

Название

Примечание

Количество

1

221409C2

CABLE

- battery ground

1шт.

598809R1

CARRIAGE BOLT,Sht Sq Nk, 3/8" - 16 x 3/4", Gr 5

BOLT - carriage, 3/8 NC x 3/4 inch (Replaces bolt 18508R1)

1шт.

425-106

NUT,3/8"-16, Cl 5

(Replaces nut 120377) 3/8"-16, G5

1шт.

492-11038

LOCK WASHER,3/8"

(Replaces washer 120382) 3/8"

1шт.

413-416

BOLT,Hex, 1/4" - 20 x 1", Gr 5

- hex, 1/4 NC x 1 inch (Replaces bolt 180022)

1шт.

425-104

NUT,1/4"-20, Cl 5

- hex, 1/4 inch NC (Replaces nut 120375)

1шт.

492-11025

LOCK WASHER,1/4"

WASHER, LOCK, (Replaces washer 120380) 1/4"

1шт.

495-11028

WASHER,1/4", SAE

(flat, 9/32 x 5/8 x 1/16") (Replaces washer 120392) 1/4", SAE

1шт.

2

221410C1

CABLE

-, Serial Range: battery-starter

1шт.

3

121668C1

HARNESS

- front

1шт.

4

121669C2

HARNESS

- center

1шт.

159927

SCREW,Cross Pan Hd, #10 - 24 x 1/2"

- machine, round head slotted, No. 10 NC x 1/2 inch (Replaces screw 120221)

2шт.

225-14110

NUT,#10-24

(Replaces nut 120361) #10-24

2шт.

492-11010

LOCK WASHER,#10

WASHER, LOCK, (Replaces washer 120217) #10

2шт.

5

221657C1

HARNESS

- rear

1шт.

6

221486C1

SUPPORT - cable tie

1шт.

7

216044C92

LAMP

ASSEMBLY - tail (Replaces lamp assembly 216044C91)

2шт.

216045C1

LENS

- tail lamp

2шт.

T34857

BULB,C6, #1157, 12.8V

- No. 1157 (Replaces bulb 9417867)

2шт.

806122C1

NUT

- tail lamp

8шт.

260-13540

SELF-TAP SCREW,Cross Pan Hd, #10 x 2 1/2"

SCREW - self-tapping, pan Phillips, No. 10 NC x 2-1/2 inch (Replaces screw 27619R1)

8шт.

8

130882C91

LAMP

LAMP ASSEMBLY - warning

4шт.

130883C1

LENS

- warning lamp

4шт.

9417868

BULB - No. 1158

4шт.

806122C1

NUT

- warning lamp

8шт.

260-13540

SELF-TAP SCREW,Cross Pan Hd, #10 x 2 1/2"

SCREW - self-tapping, pan Phillips, No. 10 NC x 2-1/2 inch (Replaces screw 27619r1)

8шт.

9

245954C91

LAMP

ASSEMBLY - work lamp (Replaces lamp assembly 391005R91)

4шт.

NSS

NOT SOLD SEPARAT

HOUSING - lamp, order lamp assembly 245954C91

4шт.

373662R1

LAMP

SEAL BEAM - headlamp

4шт.

A25213

RETAINER

- for Hobbs lamp assembly (Replaces retainer 676078R1)

4шт.

252609C1

RETAINER - for Midwest lamp assembly

4шт.

425-118

NUT,1/2"-20, G5

- hex, 1/2 inch NF (Replaces nut 120371)

4шт.

80679

LOCK WASHER,1/20.507 CST ZND

WASHER, LOCK, (Replaces washer 120384) 1/2"

4шт.

10

49069D

SPACER

- lamp mounting

4шт.

11

561915R1

BRACKET

- lamp mounting

4шт.

413-512

BOLT,Hex, 5/16" - 18 x 3/4", Gr 5

- hex, 5/16 NC x 3/4 inch (Replaces bolt 180077)

4шт.

425-105

NUT,5/16"-18, G5

- hex, 5/16 inch NC (Replaces nut 120376)

4шт.

80681

LOCK WASHER,5/16"

WASHER, LOCK, 5/16"

4шт.

12

215831C91

LAMP

HEADLAMP ASSEMBLY - with seal beam

2шт.

373662R1

LAMP

SEAL BEAM - headlamp

2шт.

412-412

CARRIAGE BOLT,Short Sq Nk 1/4" - 20 x 3/4", Gr 2

BOLT - carriage, 1/4 NC x 3/4 inch, grade 2 (Replaces bolt 12653R1)

6шт.

492-11025

LOCK WASHER,1/4"

WASHER, LOCK, (Replaces washer 120380) 1/4"

6шт.

425-104

NUT,1/4"-20, Cl 5

- hex, 1/4 inch NC (Replaces nut 120375)

6шт.

13

178149A1

SOLENOID SWITCH

SWITCH - magnetic (Replaces switch 121613C1)

1шт.

225-14210

NUT,#10-32

(Replaces nut 120614) #10-32

1шт.

492-11010

LOCK WASHER,#10

WASHER, LOCK, (Replaces washer 120217) #10

1шт.

413-416

BOLT,Hex, 1/4" - 20 x 1", Gr 5

- hex, 1/4 NC x 1 inch (Replaces bolt 180022)

2шт.

425-104

NUT,1/4"-20, Cl 5

- hex, 1/4 inch NC (Replaces nut 120375)

2шт.

492-11025

LOCK WASHER,1/4"

WASHER, LOCK, (Replaces washer 120380) 1/4"

2шт.

425-105

NUT,5/16"-18, G5

- hex, 5/16 inch NC (Replaces nut 120376)

2шт.

492-11031

LOCK WASHER,5/16"

WASHER, LOCK, (Replaces washer 120214) 5/16"

2шт.

216139C1

PAD

- engine solenoid

1шт.

14

3224405R91

RESTRICTION SWITCH

SWITCH - air cleaner vacuum

1шт.

105412

ELBOW,90 Degree, 1/8" NPT

- 90 degree x 1/8 inch NPT

1шт.

15

B2460

BATTERY, DRY

BATTERY - 12 volt (Replaces battery 1HMF24PF)

2шт.

16

221349C1

ROD

U-BOLT - battery hold-down

1шт.

425-105

NUT,5/16"-18, G5

- hex, 5/16 inch NC (Replaces nut 120376)

1шт.

492-11031

LOCK WASHER,5/16"

WASHER, LOCK, (Replaces washer 120214) 5/16"

1шт.

17

216439C1

HARNESS

- steering post

1шт.

18

1341317C1

TRANSMITTER

UNIT - fuel gauge sending (Replaces unit 209331C1)

12шт.

19

REF

INSTRUCTION

SOLENOID - ether injection, see page 2-15

12шт.

21

1987422C1

SWITCH

- turn signal (Replaces switch 107334C91)

1шт.

A77185

KIT

HANDLE - turn signal (Replaces handle 71485C1)

1шт.

21

131209C91

SWITCH

ASSEMBLY - turn signal, for cotton harvester with spark arrester attachment shipped to California, no longer available, order switch assembly 1987422C1

1шт.

NSS

NOT SOLD SEPARAT

SWITCH - turn signal, order switch assembly 131209C91

1шт.

A77185

KIT

HANDLE - turn signal (Replaces handle 71485C1)

1шт.

22

121684C91

LIGHT ASSY.

LAMP ASSEMBLY - turn signal, indicator

2шт.

71892R1

PAD

LENS - turn signal indicator

2шт.

NSS

NOT SOLD SEPARAT

HOUSING - turn signal lamp

1шт.

200557H1

BULB,C2V, #1815, 14V

- No. 1815

2шт.

24

196825C1

IGNITION SWITCH

SWITCH - neutral start

1шт.

425-158

JAM NUT,Jam, 1/2"-20, G5

(Replaces nut 124934) Jam, 1/2"-20, G5

1шт.

25

214542C1

SUPPORT

- neutral start switch

1шт.

413-512

BOLT,Hex, 5/16" - 18 x 3/4", Gr 5

- hex, 5/16 NC x 3/4 inch (Replaces bolt 180077)

2шт.

425-105

NUT,5/16"-18, G5

- hex, 5/16 inch NC (Replaces nut 120376)

2шт.

492-11031

LOCK WASHER,5/16"

WASHER, LOCK, (Replaces washer 120214) 5/16"

2шт.

28

475960C91

CABLE

- engine ground

1шт.

29

221486C1

CLAMP - cable and wiring harness

1шт.

30

117966

GROMMET,5/8" ID x 1 11/64" x .188"

- battery to starter cable (Replaces grommet 118833)

1шт.

Выбрано товаров: 79