Запчасти Case IH 1400 (4-22) - WINDSHIELD WIPER (06) - ELECTRICAL SYSTEMS

Схема запчастей Case IH 1400 - (4-22) - WINDSHIELD WIPER (06) - ELECTRICAL SYSTEMS
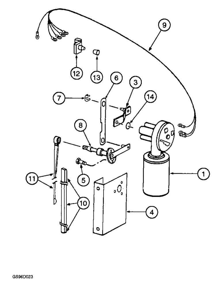
10
5
13
14
3
1
6
7
8
9
12
11
4
FIT
1:1
100%

Артикул

Название

Примечание

Количество

1301413C91

WIPER

MOTOR ASSEMBLY - wiper with linkage, no longer available, order motor assembly 129068A2

1шт.

129068A2

PACKAGE

MOTOR ASSEMBLY - wiper (Replaces motor assembly 130413C91)

1шт.

1

NSS

NOT SOLD SEPARAT

MOTOR - wiper, order motor assembly 129068A2 (Replaces motor 143417C1)

1шт.

3

129067A1

ARM ASSY.

ARM - drive (Replaces arm 886257C1)

1шт.

NSS

NOT SOLD SEPARAT

ARM - drive, order motor assembly 129068A2

1шт.

143267A1

LOCK NUT

- lock, 5/16 inch NC

1шт.

4

D72850

BRACKET

- mounting (Replaces bracket 923480C1)

1шт.

5

923479C1

BOLT

SCREW - mounting

3шт.

6

260514C91

LINK

- connecting

1шт.

7

739487C1

CLIP

- spring (Replaces clip 937547C1)

2шт.

8

N7274

KIT

SHAFT - wiper, pivoting (Replaces shaft 118123C1)

1шт.

118129C1

SCREW

- includes lock washer

2шт.

1267556C1

BUTTON

NUT - knurled drive (Replaces nut 3016057R1)

1шт.

9

1301414C1

CABLE

- wiper switch

1шт.

10

924877C1

BLADE

- wiper

1шт.

11

1267347C1

ARM

- wiper

1шт.

12

109222C1

SWITCH

- wiper

1шт.

162214R1

NUT

- wiper switch jam

1шт.

13

111282C1

KNOB

- wiper switch

1шт.

14

148074R1

WASHER

- wiper motor

1шт.

191879

SCREW,Cross Pan Hd, 1/4" - 28 x 1/2"

- machine, pan head cross recess, 1/4 NF x 1/2 inch

2шт.

192-19

LOCK WASHER,Helical Spring, 0.256" ID, CST, ZND

WASHER, LOCK, (Replaces washer 120380) 1/4"

2шт.

239808R1

CONNECTOR, ELEC

CONNECTOR - wiper assembly

3шт.

27122R1

LOCK NUT,1/4"-28, GC

NUT - lock (Replaces nut 118125C1)

1шт.

239805R1

TERMINAL CONNECTOR

TERMINAL - locking

3шт.

Выбрано товаров: 25