Запчасти Case IH 1400 (8-07C) - HYDRAULIC CYLINDER, HYDRAULIC DISTRIBUTOR (07) - HYDRAULICS

Схема запчастей Case IH 1400 - (8-07C) - HYDRAULIC CYLINDER, HYDRAULIC DISTRIBUTOR (07) - HYDRAULICS
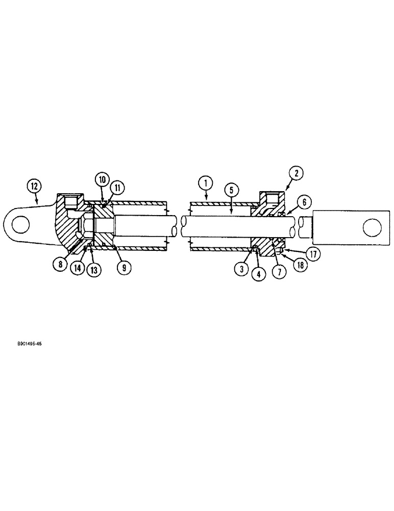
4
8
1
12
9
11
5
2
18
10
14
3
17
6
13
7
FIT
1:1
100%

Артикул

Название

Примечание

Количество

1272487C91

CYLINDER

ASSEMBLY - hydraulic, 2-1/2 (51) ID x 18-7/8 (480 mm) stroke, 3/4-16 inch ports (Replaces cylinder assemblies 145499C92 and 145499C93)

1шт.

1

NSS

NOT SOLD SEPARAT

TUBE - cylinder, order cylinder assembly 1272487C91

1шт.

2

1272767C1

CYLINDER END CAP

GLAND - cylinder

1шт.

3

NSS

NOT SOLD SEPARAT

O-RING - gland, 2-1/4 ID x 2-1/2 inch wide, order kit 79975C1

1шт.

4

NSS

NOT SOLD SEPARAT

RING - backup, gland O-ring, order kit 79975C1

1шт.

5

145513C1

ROD

- piston

1шт.

6

NSS

NOT SOLD SEPARAT

WIPER - piston rod, order kit 79975C1

1шт.

7

NSS

NOT SOLD SEPARAT

SEAL - piston rod, order kit 79975C1

1шт.

8

20268R1

LOCK NUT,7/8"-14, GC

NUT - hex, self-locking, 7/8 inch NF, grade 8

1шт.

9

145221C3

PISTON

- cylinder

1шт.

10

NSS

NOT SOLD SEPARAT

SEAL - piston, order kit 79975C1

1шт.

11

NSS

NOT SOLD SEPARAT

O-RING - 2-1/16 ID x 2-1/4 inch wide, backup, piston seal, order kit 79975C1

1шт.

12

1272766C1

HEAD

- cylinder, closed end (Replaces cylinder head 145218C1)

1шт.

13

NSS

NOT SOLD SEPARAT

O-RING - 2-1/4 ID x 2-1/2 inch wide, cylinder head, order kit 79975C1

1шт.

14

NSS

NOT SOLD SEPARAT

RING - backup, cylinder head O-ring, order kit 79975C1

1шт.

9410359

PLUG

- hex, 3/4-16 inch O-ring boss

1шт.

NSS

NOT SOLD SEPARAT

O-RING - plug, order kit 79975C1

1шт.

17

145516C1

BOLT,7/16" - 14 x 599mm

- tie, cylinder

4шт.

18

425-107

NUT,7/16"-14, G5

- hex, 7/16 inch NC

1шт.

79975C1

SEAL KIT

KIT - seal

1шт.

Выбрано товаров: 20