Запчасти Case IH 1800 (8-54) - FAN CLUTCH CYLINDER SYSTEM (07) - HYDRAULICS

Схема запчастей Case IH 1800 - (8-54) - FAN CLUTCH CYLINDER SYSTEM (07) - HYDRAULICS
9
6
8
12
7
8
12a
14
2
10
11
6a
9
1
FIT
1:1
100%

Артикул

Название

Примечание

Количество

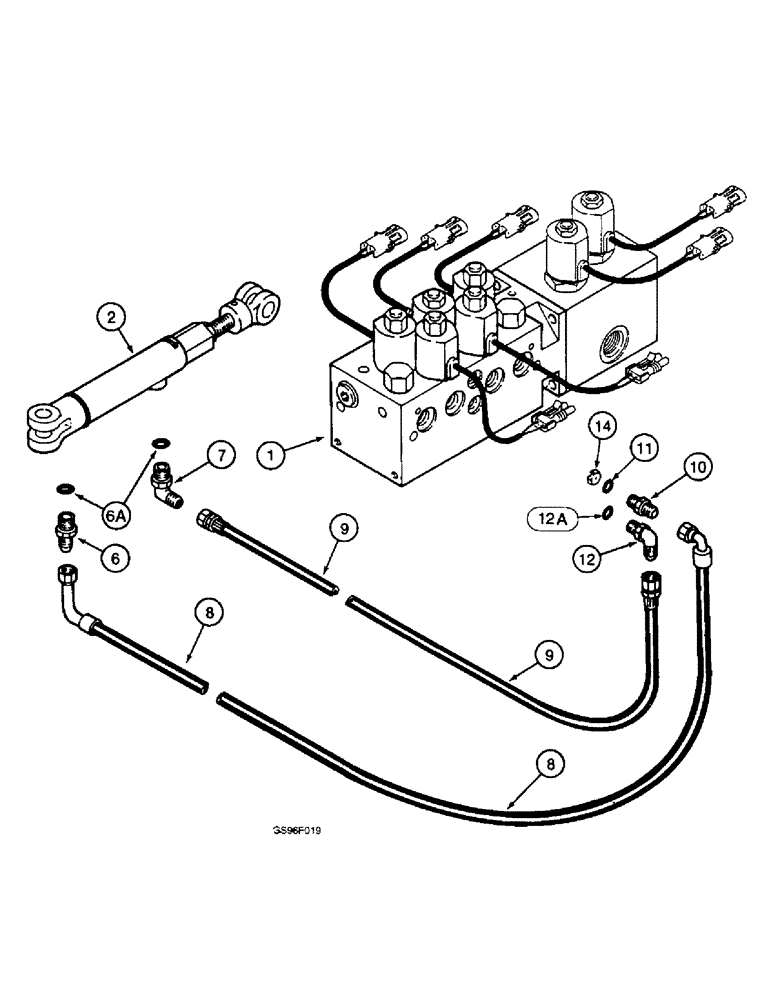
1

REF

INSTRUCTION

VALVE ASSEMBLY - manifold, parts list page 8-25

1шт.

2

REF

INSTRUCTION

CYLINDER ASSEMBLY - fan engagement, parts list page 8-57 or 8-59

1шт.

6

218-5089

HYD CONNECTOR,7/16" - 20 Male JIC x 9/16" - 18 Male ORB

ADAPTER - straight, 7/16-20 flare x 9/16-18 inch O-ring boss (Replaces adapter 157519C1)

1шт.

7

156264C91

ELBOW,90º, 7/16"-20, 37º x 9/16"-18, O-Ring

- 90 degree adjustable, 3/8 to 1/4 inch thread

1шт.

8

1282493C1

HOSE

- fan clutch cylinder engage

1шт.

9

D52711

HOSE

- fan clutch cylinder disengage, 30 inch (762 mm) long

1шт.

10

218-5053

HYD CONNECTOR,7/16" - 20 JIC x 7/16" - 20 ORB

ADAPTER - straight, 7/16-20 inch thread x O-ring boss

1шт.

11

237-6004

O-RING,0.072" Thk x 0.351" ID, -904, Cl 6, 90 Duro

4-1, 90 Duro, .351" ID x .072" Thk

1шт.

12

218-5103

90 ELBOW,90 Degree Elbow, 7/16" - 20 Male JIC x 7/16" - 20 Male ORB

- 90 degree, 7/16-20 inch flare x adjustable O-ring boss

1шт.

12a

237-6004

O-RING,0.072" Thk x 0.351" ID, -904, Cl 6, 90 Duro

4-1, 90 Duro, .351" ID x .072" Thk

1шт.

14

1542555C1

PORT

PLATE - fan engage orifice

1шт.

6a

237-6006

O-RING,0.078" Thk x 0.468" ID, -906, Cl 6, 90 Duro

6-1, 90 Duro, .468" ID x .078" Thk

2шт.

Выбрано товаров: 12