Запчасти Case IH 1800 (8-70) - BASKET MANIFOLD VALVE SUPPLY AND SENSE SYSTEM (07) - HYDRAULICS

Схема запчастей Case IH 1800 - (8-70) - BASKET MANIFOLD VALVE SUPPLY AND SENSE SYSTEM (07) - HYDRAULICS
8
10
26
23
28
3
7a
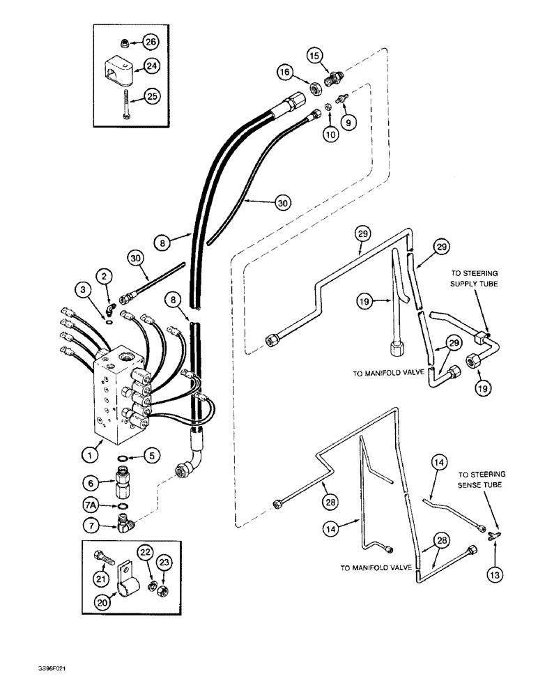
1
5
22
16
21
20
30
29
25
6
24
29
14
15
8
9
7
28
19
30
19
13
29
14
2
FIT
1:1
100%

Артикул

Название

Примечание

Количество

1

REF

INSTRUCTION

VALVE ASSEMBLY - basket manifold, parts list page 8-75

1шт.

2

218-5103

90 ELBOW,90 Degree Elbow, 7/16" - 20 Male JIC x 7/16" - 20 Male ORB

- 90 degree, 7/16-20 inch flare x adjustable O-ring boss

1шт.

3

237-6004

O-RING,0.072" Thk x 0.351" ID, -904, Cl 6, 90 Duro

4-1, 90 Duro, .351" ID x .072" Thk

1шт.

5

237-6012

O-RING,0.116" Thk x 0.924" ID, -912, Cl 6, 90 Duro

12-1, 90 Duro, .924 ID x .116" Thk

1шт.

6

REF

INSTRUCTION

FILTER ASSEMBLY - in-line, see item 6 shown on page 8-21

1шт.

7

218-5108

ELBOW,90 Degree Elbow, 1-1/16" - 12 Male JIC x 1-1/16" - 12 Male ORB

90º, 1-1/16-12 inch flare x adjustable O-ring boss

1шт.

7a

237-6012

O-RING,0.116" Thk x 0.924" ID, -912, Cl 6, 90 Duro

12-1, 90 Duro, .924 ID x .116" Thk

1шт.

8

1285397C1

HOSE

- basket supply

1шт.

9

218-671

FITTING,Blkhd, 7/16"-20, 37 Degree x 7/16"-20, 37 Degree

ADAPTER - straight, 7/16-20 inch flare x bulkhead flare

1шт.

10

218-1252

BHD LOCK NUT,Blkhd, 7/16"-20

NUT - hex, lock, bulkhead, 7/16 inch NF

1шт.

13

218-591

TEE,7/16"-20, 37 Degree

- 7/16-20 inch flare branch x flare x flare

1шт.

14

1285348C2

TUBE

- basket sense

1шт.

15

218-676

FITTING,Blkhd, 1 1/16"-12, 37 Degree x 1 1/16"-12, 37 Degree

FIT STL BULKHD .75MJ .75MJ

1шт.

16

218-1256

BHD LOCK NUT,Blkhd, 1 1/16"-12

NUT - hex, lock, bulkhead, 1-1/16 inch NF

1шт.

19

1976877C1

HYD TUBE

TUBE - basket supply lower

2шт.

20

515-23190

CLAMP,3/4", Insul, 3/8" Bolt

P-type 3/4", Insul, 3/8" Bolt

2шт.

20

1968092C1

LARGE PLATE

CLAMP - tube

2шт.

21

413-612

BOLT,Hex, 3/8" - 16 x 3/4", Gr 5

4шт.

22

492-11038

LOCK WASHER,3/8"

4шт.

23

425-106

NUT,3/8"-16, Cl 5

4шт.

24

183823C1

CLAMP

- tube, 3/4 inch ID

1шт.

24

183820C1

CLAMP

- tube, 1/4 inch ID

1шт.

25

413-436

BOLT,Hex, 1/4" - 20 x 2-1/4", Gr 5

1шт.

26

231-5144

SERRATED NUT,Flg, USR, 1/4"-20

1шт.

28

1982230C1

HYD TUBE,0.25" OD

TUBE - basket sense

1шт.

29

1982229C1

HYD TUBE

TUBE - basket supply

1шт.

30

1338926C1

HOSE

- basket sense

1шт.

Выбрано товаров: 27