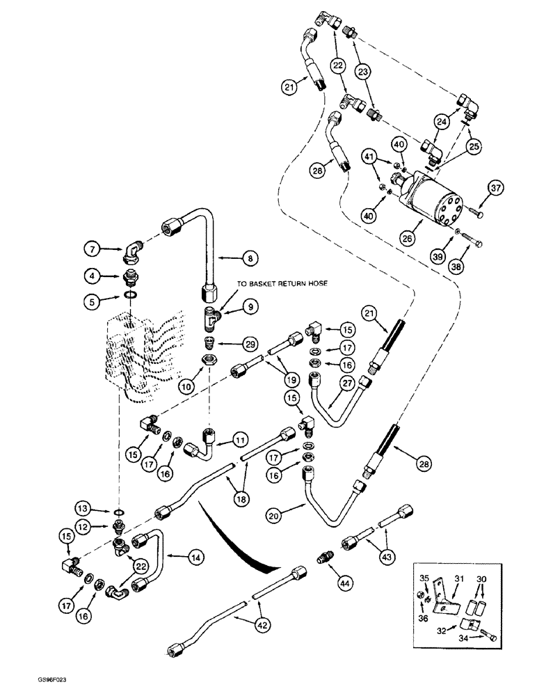
Запчасти Case IH 1800 (8-80) - CONVEYOR UNLOADER MOTOR SYSTEM (07) - HYDRAULICS

Схема запчастей Case IH 1800 - (8-80) - CONVEYOR UNLOADER MOTOR SYSTEM (07) - HYDRAULICS
35
28
19
44
16
42
23
20
32
38
13
30
17
40
10
21
16
4
18
15
16
41
17
43
28
16
24
29
7
22
5
9
27
17
25
22
40
11
8
34
36
14
15
31
26
17
21
39
15
12
15
37
FIT
1:1
100%

Артикул

Название

Примечание

Количество

REF

INSTRUCTION

VALVE ASSEMBLY - basket manifold, parts list page 8-75

1шт.

4

218-5069

HYD CONNECTOR,1-5/16" - 12 Male JIC x 1-5/16" - 12 Male ORB

Adapter - straight, 1-5/16-12 inch flare x O-ring boss

1шт.

5

237-6016

O-RING,0.116" Thk x 1.171" ID, -916, Cl 6, 90 Duro

16-1, 90 Duro, 1.171" ID x .118" Thk

1шт.

7

218-5234

ELBOW,90 Degree, 1 5/16"-12, 37 Degree x 1 5/16"-12, 37 Degree Fem Sw

- 90 degree, 1-5/16-12 inch flare x swivel

1шт.

8

1285337C1

TUBE

- basket valve tank

1шт.

9

218-598

TEE,1 5/16"-12 37 Degree

- 1-5/16-12 inch flare

1шт.

10

218-348

TUBE NUT,37 Degree, 1 5/16"-12, Type B

NUT - hex, 1-5/16 inch NF

1шт.

11

1285299C2

TUBE

- motor return

1шт.

12

218-5064

HYD CONNECTOR,1-1/16" - 12 Male JIC x 1-1/16" - 12 Male ORB

ADAPTER - straight, 1-1/16-12 inch flare x O-ring boss

1шт.

13

237-6012

O-RING,0.116" Thk x 0.924" ID, -912, Cl 6, 90 Duro

12-1, 90 Duro, .924 ID x .116" Thk

1шт.

14

1982341C1

TUBE

- motor supply

1шт.

15

1285773C1

ELBOW

- bulkhead, special

4шт.

16

218-1256

BHD LOCK NUT,Blkhd, 1 1/16"-12

NUT - hex, lock, bulkhead, 1-1/16 inch NF

4шт.

17

Q216

WASHER

- flat, 1-3/32 x 1-1/2 x 7/64 inch (Replaces washer 22767R1)

4шт.

18

1285317C2

TUBE,0.75" OD, 3179.6, 38.1 mm Length

- motor supply, if used (Replaces tube 1285317C1)

1шт.

19

1285318C3

TUBE

- motor return

1шт.

20

1278770C2

TUBE

- motor supply

1шт.

21

1285369C2

HYDRAULIC HOSE,19.05 mm ID x 977.90 mm

- Motor return 19.05 mm ID x 977.90 mm

1шт.

22

218-5231

ELBOW,90 Degree, 1 1/16"-12, 37 Degree x 1 1/16"-12, 37 Degree Fem Sw

- 90 degree, 1-1/16-12 inch flare x swivel

4шт.

23

218-5065

HYD CONNECTOR,1-1/16" - 12 Male JIC x 7/8" - 14 Male ORB

ADAPTER - straight, 1-1/16-12 inch flare x 7/8-14 inch O-ring boss (Replaces adapter 574479R1)

2шт.

237-6010

O-RING,0.097" Thk x 0.755" ID, -910, Cl 6, 90 Duro

10-1, 90 Duro, .755" ID x .097" Thk

2шт.

24

218-5123

ELBOW,90 Degree Elbow, 1-1/16" - 12 Male JIC x 7/8" - 14 Male ORB

- 90 degree, 1-1/16-12 flare x 7/8-14 inch adjustable O-ring boss

2шт.

25

237-6010

O-RING,0.097" Thk x 0.755" ID, -910, Cl 6, 90 Duro

10-1, 90 Duro, .755" ID x .097" Thk

1шт.

26

REF

INSTRUCTION

MOTOR ASSEMBLY - conveyor unloader, parts list page 8-83

1шт.

27

1285319C2

TUBE

- motor return

1шт.

28

1285370C1

HYDRAULIC HOSE,19.05 mm ID x 870.00 mm

- Motor supply 19.05 mm ID x 870.00 mm

1шт.

29

218-797

REDUCER,37 Degree, 1" x 3/4" Tube

ADAPTER - reducing, 1 tube OD x 1-1/16-12 inch flare

1шт.

30

163493C1

STRIP,19.05mm ID x 25.4mm OD x 45.7mm L

SLEEVE - 3/4 ID x 1-13/64 inch long

2шт.

31

1285393C2

SUPPORT

BRACKET - motor tube

1шт.

32

157678C1

CLAMP

- hydraulic tube

1шт.

34

413-624

BOLT,Hex, 3/8" - 16 x 1-1/2", Gr 5

- hex, 3/8 NC x 1-1/2 inch

1шт.

35

492-11038

LOCK WASHER,3/8"

1шт.

36

425-106

NUT,3/8"-16, Cl 5

1шт.

37

433-840

CARRIAGE BOLT,Sq Nk, 1/2" - 13 x 2 1/2", Gr 5

BOLT - carriage, 1/2 NC x 2-1/2 inch

1шт.

38

413-840

BOLT,Hex, 1/2" - 13 x 2-1/2", Gr 5

- hex, 1/2 NC x 2-1/2 inch

4шт.

39

495-21056

WASHER,1/2"

- flat, 9/16 x 1-3/8 x 7/64 inch

3шт.

40

80679

LOCK WASHER,1/20.507 CST ZND

WASHER, LOCK, 1/2"

4шт.

41

425-108

NUT,1/2" - 13, Gr 5

NUT, , Hex 1/2"-13, G5

4шт.

42

1994993C1

TUBE,0.75" OD

- motor supply, used with items 43 and 44

1шт.

43

1994994C1

TUBE,0.75" OD

- motor supply, used with items 42 and 44

1шт.

44

218-737

UNION,1 1/16"-12, 37 Degree x 1 1/16"-12, 37 Degree

CONNECTOR - straight, 1-1/16-12 inch flare, used with items 42 and 43

1шт.

1339197C1

HOSE

- motor drain, not shown

1шт.

Выбрано товаров: 42