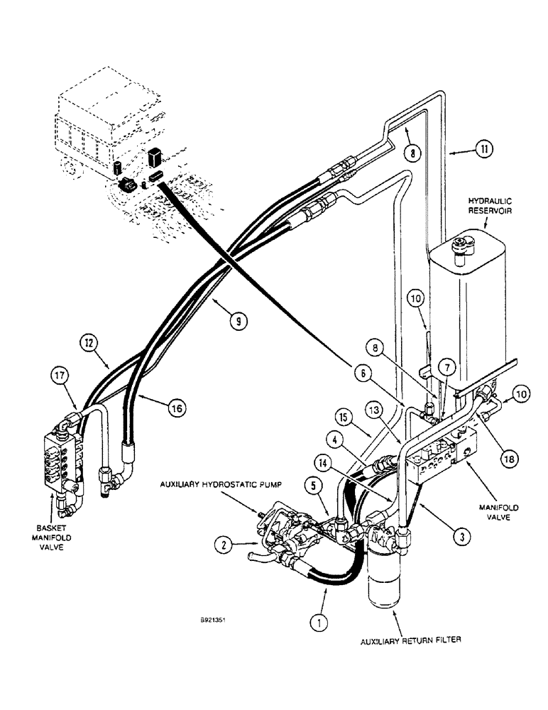
Запчасти Case IH 1800 (1-16) - PICTORIAL INDEX, MANIFOLD VALVE HYDRAULIC SYSTEM, PRIOR TO P.I.N. JJC133070 (00) - PICTORIAL INDEX

Схема запчастей Case IH 1800 - (1-16) - PICTORIAL INDEX, MANIFOLD VALVE HYDRAULIC SYSTEM, PRIOR TO P.I.N. JJC133070 (00) - PICTORIAL INDEX
4
14
16
10
11
13
6
17
1
10
7
3
9
2
12
15
18
8
5
8
FIT
1:1
100%

Артикул

Название

Примечание

Количество

1

Auxiliary Pump Supply Hose, Page 8-10

1шт.

2

Case Drain Tube, Page 8-10

1шт.

3

Manifold Valve Sense Hose, Page 8-20

1шт.

4

Pump Pressure Hose, Page 8-20

1шт.

5

Supercharge Tube, Page 8-20

1шт.

6

Manifold Valve Supply Tube, Page 8-20

1шт.

7

Basket Sense Lower Tube, Page 8-70

1шт.

8

Basket Sense Intermediate Tube, Page 8-70

1шт.

9

Basket Sense Hose, Page 8-70

1шт.

10

Basket Supply Lower Tube, Page 8-70

1шт.

11

Basket Supply Intermediate Tube, Page 8-70

1шт.

12

Basket Supply Hose, Page 8-70

1шт.

13

Filter Inlet Tube, Page 8-4

1шт.

14

Valve Tank Tube, Page 8-88

1шт.

15

Basket Tank Upper Tube, Page 8-88

1шт.

16

Basket Tank Hose, Page 8-88

1шт.

17

Basket Tank Tube, Page 8-80

1шт.

18

Auxiliary Pump Supply Tube, Page 8-10

1шт.

Выбрано товаров: 18