Запчасти Case IH 1800 (9D-20) - CAB, HEADLINER (10) - CAB & AIR CONDITIONING

Схема запчастей Case IH 1800 - (9D-20) - CAB, HEADLINER (10) - CAB & AIR CONDITIONING
11
25
27
15
47
7
48
6
47
7
28
9
21
17
45
22
35
43
16
4
37
12
1
7
3
40
41
18
2
30
44
26
31
19
47
20
38
13
23
46
42
36
34
24
8
38
14
39
10
FIT
1:1
100%

Артикул

Название

Примечание

Количество

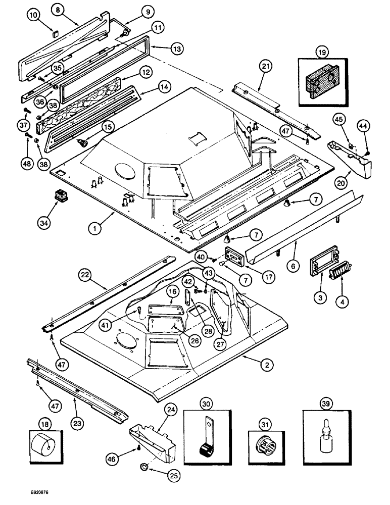
1329973C93

PANEL ASSY.

PANEL ASSEMBLY - headliner

1шт.

1

NSS

NOT SOLD SEPARAT

PANEL - headliner

1шт.

2

1329975C3

INSULATOR

- accoustical

1шт.

3

1280402C1

PANEL

- louver frame

4шт.

4

109227C1

VENT

- louver

4шт.

6

1321268C2

COVER

- defroster vent

1шт.

7

97135C1

KNOB

- recirculation panel

3шт.

8

117621C2

DOOR

- recirculating air

1шт.

9

1276293C2

ROD

- control

1шт.

10

118345C1

BUMPER

- recirculating door, Serial Range: attach-roof

1шт.

11

111666C2

SUPPORT

- door

1шт.

12

109240C1

CAB FILTER

FILTER - air recirculation

1шт.

12

143481C2

AIR CLEANER

FILTER - air intake

1шт.

13

84157C1

SEAL

STRIP - recirculation door seal, 39-13/32 inch (1000 mm) long

2шт.

14

109282C2

SIEVE

GRILLE - recirculating, air filter

1шт.

15

97135C1

KNOB

- recirculation filter grille

6шт.

16

1280327C1

PANEL

- insert, controls, if used

1шт.

17

1321259C1

PANEL

- recirculation control trim

1шт.

18

1283457C3

SEAL

GROMMET - monitor harness, right-hand front and rear

1шт.

19

1283459C4

GROMMET

SEAL - left-hand rear corner

1шт.

20

1276270C1

PANEL

- headliner trim, left-hand front

1шт.

21

1280092C1

PANEL

- headliner trim, left-hand rear

1шт.

22

1276235C2

PANEL

- headliner trim, rear

1шт.

23

1280093C2

PANEL

- headliner trim, right-hand rear

1шт.

24

1276271C1

PANEL

- headliner trim, right-hand front

1шт.

25

353-412

PLUG,Dome, 1.093" hole, Nylon

- button, 1-3/32 inch, headliner panel, plastic

1шт.

26

1324515C1

PANEL

- cab control, heater only

1шт.

26

1324516C1

PANEL

- cab control, heater and air conditioning

1шт.

27

1280182C2

PANEL

- radio and clock

1шт.

28

1321384C1

PANEL

- radio insert

1шт.

30

395467R2

CLIP

- retaining, heater hose

2шт.

31

353-406

PLUG,Dome, .625" hole, Nylon

- button, 5/8 inch ID

1шт.

31

353-411

PLUG,Dome, 1.000" hole, Nylon

Heater only Dome, 1.000" hole, Nylon

1шт.

31

353-404

PLUG,Dome, .500" hole, Nylon

Heater only Dome, .500" hole, Nylon

1шт.

34

1327770C2

SEAL

- cab harness hose, right-hand rear

1шт.

35

477-73812

SERRATED SCREW,Truss HD, 3/8" - 16 x 3/4"

BOLT - serrated slotted truss head, 3/8 NC x 3/4 inch

2шт.

36

231-5146

FLANGE NUT,3/8"-16

2шт.

37

261-33724

SELF-TAP SCREW,Cross Pan Hd, 1/4" x 1 1/2"

SCREW - self-tapping, pan Phillips, 1/4 NC x 1-1/2 inch

4шт.

38

1250628C2

SPACER

- grille spacer

6шт.

39

117995C1

PACKAGE

KIT - fastener, plastic toggle, includes 5 fasteners

1шт.

40

1276052C1

SELF-TAP SCREW,Cross Oval Hd, #8 x 1 3/4"

SCREW - self-tapping, oval head, No. 8 NC x 1-3/4 inch

4шт.

41

260-53424

SELF-TAP SCREW,Cross Pan Hd, #8 x 1 1/2"

SCREW - self-tapping, pan Phillips, No. 8 NC x 1-1/2 inch

24шт.

42

260-1356

SELF-TAP SCREW,Cross Pan Hd, #10 x 3/8"

SCREW - self-tapping, pan Phillips, No. 10 NC x 3/8 inch

2шт.

43

495-61020

WASHER,0.203" ID x 0.75" OD x 0.067" Thk

- flat, 13/64 x 3/4 x 1/16 inch

2шт.

44

260-14412

SELF-TAP SCREW,Cross Pan Hd, #8 x 3/4"

SCREW - self-tapping, pan Phillips, No. 8 NC x 3/4 inch

2шт.

45

445435

SPRING NUT,U, #10-24

- U-spring, No.8 NC

2шт.

46

260-1346

SELF-TAP SCREW,Cross Pan Hd, #8 x 3/8"

SCREW - self-tapping, pan Phillips, No. 8 NC x 3/8 inch

2шт.

47

1327506C1

SELF-TAP SCREW,Cross Pan Hd, M4.8 x 19mm, Coated

SCREW, SELF TAP, Cross Pan Hd, M4.8 x 19, Coated

10шт.

48

260-13728

SELF-TAP SCREW,Cross Pan Hd, 1/4" x 1 3/4"

SCREW - self-tapping, pan Phillips, 1/4 NC x 1-3/4 inch

2шт.

Выбрано товаров: 49