Запчасти Case IH 1800 (9D-32) - COMPRESSOR MOUNTING AND PULLEY (10) - CAB & AIR CONDITIONING

Схема запчастей Case IH 1800 - (9D-32) - COMPRESSOR MOUNTING AND PULLEY (10) - CAB & AIR CONDITIONING
12
21
13
4
22
11
22
18
8
23
21
20
10
22
9
14
23
14
15
3
1
FIT
1:1
100%

Артикул

Название

Примечание

Количество

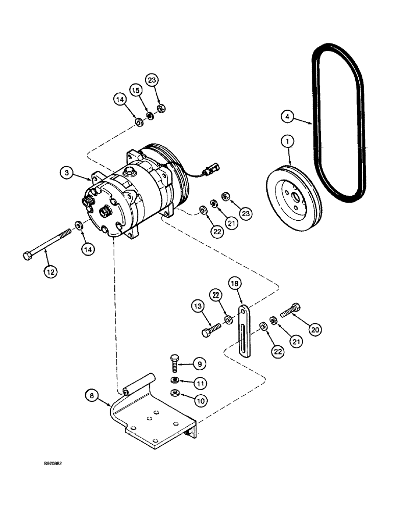
1

A184596

PULLEY

- drive

1шт.

3

REF

INSTRUCTION

COMPRESSOR - air conditioning, parts list page 9D-35

1шт.

4

1250587C1

V-BELT,0.50" W

1шт.

8

A189290

SUPPORT

- compressor mounting

1шт.

9

614-10030

BOLT,Hex, M10 x 1.5 x 30mm, Cl 8.8, Full Thd

4шт.

10

896-12010

WASHER,11mm ID x 21mm OD x 2.5mm Thk

- flat, 11 x 21 x 2.5 mm, hardened

4шт.

11

892-11010

LOCK WASHER,M10

4шт.

12

814-10130

BOLT,Hex, M10 x 1.5 x 130mm, Cl 8.8

- hex, 10 - 1.5 x 130 mm

1шт.

13

614-10035

BOLT,Hex, M10 x 1.5 x 35mm, Cl 8.8, Full Thd

1шт.

14

896-12010

WASHER,11mm ID x 21mm OD x 2.5mm Thk

- flat, 11 x 21 x 2.5 mm, hardened

2шт.

15

892-11010

LOCK WASHER,M10

1шт.

18

84716C1

SUPPORT

STRAP - adjusting

1шт.

20

614-10035

BOLT,Hex, M10 x 1.5 x 35mm, Cl 8.8, Full Thd

1шт.

21

892-11010

LOCK WASHER,M10

2шт.

22

896-12010

WASHER,11mm ID x 21mm OD x 2.5mm Thk

- flat, 11 x 21 x 2.5 mm, hardened

2шт.

23

829-1410

NUT,M10 x 1.5, Cl 10.9

2шт.

Выбрано товаров: 16