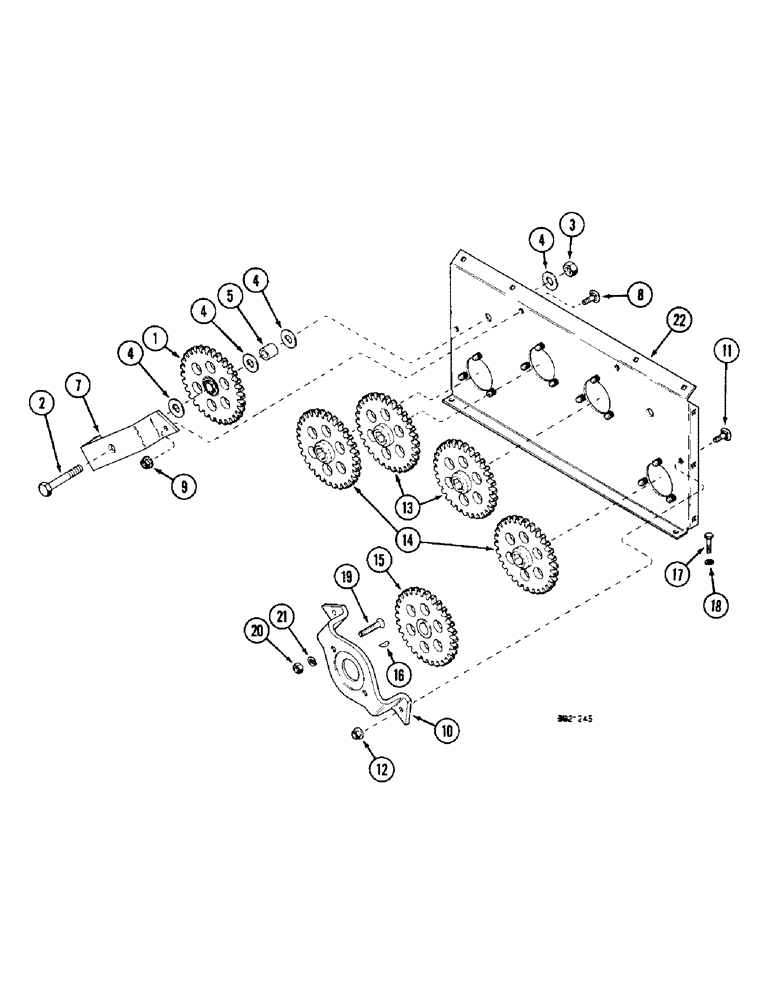
Запчасти Case IH 1800 (9A-10) - BRUSH ROLL AND AUGER DRIVE (13) - PICKING SYSTEM

Схема запчастей Case IH 1800 - (9A-10) - BRUSH ROLL AND AUGER DRIVE (13) - PICKING SYSTEM
2
15
4
19
20
3
10
7
16
5
8
21
4
22
9
13
11
14
1
17
12
4
4
18
FIT
1:1
100%

Артикул

Название

Примечание

Количество

1

203519C2

PINION

GEAR - idler

1шт.

2

413-1056

BOLT,Hex, 5/8" - 11 x 3-1/2", Gr 5

2шт.

3

230-41110

LOCK NUT,5/8"-11, GA

NUT - hex, self-locking, 5/8 inch NC

2шт.

4

495-81027

WASHER,21/32" x 1 1/2" x .120"

- flat, 21/32 x 1-1/2 x 7/64 inch

4шт.

5

259062R1

SPACER

- idler

1шт.

7

217426C1

SUPPORT

- idler, left-hand

1шт.

8

434-616

CARRIAGE BOLT,Sht Sq Nk, 3/8" - 16 x 1", Gr 5

BOLT - carriage, 3/8 NC x 1 inch

2шт.

9

231-5146

FLANGE NUT,3/8"-16

2шт.

10

1998998C1

SUPPORT

MOUNT - hydraulic motor

1шт.

11

434-616

CARRIAGE BOLT,Sht Sq Nk, 3/8" - 16 x 1", Gr 5

BOLT - carriage, 3/8 NC x 1 inch

2шт.

12

231-5146

FLANGE NUT,3/8"-16

2шт.

13

217423C1

PINION

GEAR - brush roll

2шт.

14

217425C1

PINION

GEAR - side auger

2шт.

15

1999069C1

PINION

GEAR - idler

1шт.

16

126-124

WOODRUFF KEY,#15, 1/4" x 1", HT

1шт.

18

492-11025

LOCK WASHER,1/4"

WASHER, LOCK, 1/4"

1шт.

19

61-45028

HEX SOC SCREW,Flat Hd, 1/2"-13 x 1 3/4"

BOLT - hex socket, 1/2 NC x 1-3/4 inch

2шт.

20

425-108

NUT,1/2" - 13, Gr 5

NUT, , Hex 1/2"-13, G5

2шт.

21

80679

LOCK WASHER,1/20.507 CST ZND

WASHER, LOCK, 1/2"

2шт.

22

REF

INSTRUCTION

SUPPORT - rear bearing, see page 9A-3

1шт.

17

413-420

BOLT,Hex, 1/4" - 20 x 1-1/4", Gr 5

1шт.

Выбрано товаров: 0