Запчасти Case IH 1800 (9B-14) - FRONT FAN DRIVE AND PUMP MOUNTING (15) - HANDLING SYSTEM

Схема запчастей Case IH 1800 - (9B-14) - FRONT FAN DRIVE AND PUMP MOUNTING (15) - HANDLING SYSTEM
3
7
4
7
12
8
22
4
8
14
10
16
23
17
9
3
6
6
15
2
7
13
11
19
21
18
20
1
5
FIT
1:1
100%

Артикул

Название

Примечание

Количество

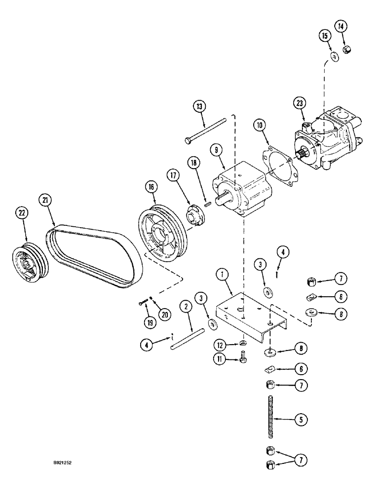
1

1541130C1

MOUNTING PARTS

BRACKET - pump mounting

1шт.

2

1541131C1

PIN

- pump base

1шт.

3

495-11066

WASHER,5/8", SAE

- flat, 21/32 x 1-5/16 x 3/32 inch

2шт.

4

432-1216

COTTER PIN,3/16" x 1"

2шт.

5

1541132C1

ROD

- adjuster

1шт.

6

1541133C1

ADJUSTER

- rocker

2шт.

7

425-1010

NUT,5/8"-11, G5

4шт.

8

495-11066

WASHER,5/8", SAE

- flat, 21/32 x 1-5/16 x 3/32 inch

2шт.

9

1541134C1

ADAPTER

- load

1шт.

10

1541135C1

GASKET

- adapter

1шт.

11

413-816

BOLT,Hex, 1/2" - 13 x 1", Gr 5

4шт.

12

80679

LOCK WASHER,1/20.507 CST ZND

WASHER, LOCK, 1/2"

4шт.

13

413-8112

BOLT,Hex, 1/2" - 13 x 7", Gr 5

- hex, 1/2 NC x 7 inch

4шт.

14

230-4118

LOCK NUT,1/2"-13, GA

NUT - hex, self-locking, 1/2 inch NC

4шт.

15

495-11053

WASHER,1/2", SAE

(17/32" x 1-1/16" x 3/32") 1/2", SAE

4шт.

16

1990430C1

PULLEY

- driven, front fan

1шт.

17

1541136C1

HUB

- pulley

1шт.

18

Q55

KEY,3/8" Sq x 2", Par

- 3/8 square x 2 inch

1шт.

19

413-532

BOLT,Hex, 5/16" - 18 x 2", Gr 5

3шт.

20

492-11031

LOCK WASHER,5/16"

WASHER, LOCK, 5/16"

3шт.

21

1338328C1

V-BELT,12.45 mm W x 1223.87 mm L

Fan Drive, Front 12.45 mm W x 1223.87 mm L

1шт.

22

1338322C1

PULLEY

- fan

1шт.

23

1542633C1

PUMP, HYDRAULIC

PUMP - unit drive

1шт.

Выбрано товаров: 23