Запчасти Case IH 1800 (9C-08) - BASKET REAR (16) - BASKET

Схема запчастей Case IH 1800 - (9C-08) - BASKET REAR (16) - BASKET
11
3
2
3
22
14
14
27
19
10
13
26
13
7
24
6
25
8
20
3
2
15
6
23
20
13
6
13
12
4
17
2
3
9
16
21
1
3
14
14
13
15
3
5
18
11
3
10
FIT
1:1
100%

Артикул

Название

Примечание

Количество

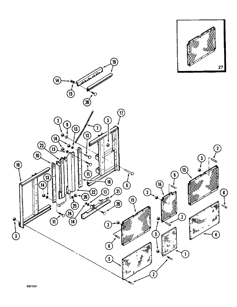
1338887C3

HOPPER

BASKET ASSEMBLY - cotton harvester (See Note)

1шт.

1

1260158C2

COVER

- basket, lower

1шт.

2

477-73812

SERRATED SCREW,Truss HD, 3/8" - 16 x 3/4"

BOLT - serrated slotted truss head, 3/8 NC x 3/4 inch

1шт.

3

231-5146

FLANGE NUT,3/8"-16

1шт.

4

1260160C4

COVER

- lower left-hand

1шт.

5

1260161C4

COVER

- lower right-hand

1шт.

7

NSS

NOT SOLD SEPARAT

CHAIN - door, 33 links, cut from bulk chain ZAN4030136 below

1шт.

NOTE: The basket assembly does not include hydraulic components, basket door, basket top or basket unloading parts.

1шт.

8

413-644

BOLT,Hex, 3/8" - 16 x 2-3/4", Gr 5

- hex, 3/8 NC x 2-3/4 inch

1шт.

9

495-81143

WASHER,13/32" x 1 1/2" x .120"

1шт.

10

1260162C1

SUPPORT

ANGLE - retainer

2шт.

11

433-632

CARRIAGE BOLT,Sq Nk, 3/8" - 16 x 2", Gr 5

BOLT, CARRIAGE, Short NK, 3/8"-16 x 2", G5

1шт.

12

434-620

CARRIAGE BOLT,Sht Sq Nk, 3/8" - 16 x 1 1/4", Gr 5

BOLT, CARRIAGE, Short NK, 3/8"-16 x 1 1/4", G5, Full Thd

1шт.

13

492-11038

LOCK WASHER,3/8"

1шт.

14

425-106

NUT,3/8"-16, Cl 5

1шт.

15

1260164C1

SIEVE

SCREEN - basket, 395 mm long

2шт.

16

1260181C1

SIEVE

SCREEN - basket

1шт.

17

1260227C9

CHASSIS

END - basket, left-hand

1шт.

18

1260229C7

END

- basket, right-hand

1шт.

19

1260244C2

SUPPORT

ANGLE - tie

2шт.

20

434-616

CARRIAGE BOLT,Sht Sq Nk, 3/8" - 16 x 1", Gr 5

BOLT - carriage, 3/8 NC x 1 inch

1шт.

495-21044

WASHER,3/8"

(flat, 7/16 x 1 x 5/64 inch) 3/8"

1шт.

21

1260318C2

CONDUIT

CHANNEL - tie

1шт.

22

1338385C1

ANGLE BAR

BRACKET - lift, left-hand

1шт.

23

1338386C1

ANGLE BAR

BRACKET - lift, right-hand

1шт.

24

413-820

BOLT,Hex, 1/2" - 13 x 1-1/4", Gr 5

- hex, 1/2 NC x 1-1/4 inch

1шт.

25

80679

LOCK WASHER,1/20.507 CST ZND

WASHER, LOCK, 1/2"

1шт.

26

425-108

NUT,1/2" - 13, Gr 5

NUT, , Hex 1/2"-13, G5

1шт.

27

1339132C1

SIEVE

SCREEN - basket, left-hand, rear

1шт.

ZAN4030136

CHAIN (CE)

CHAIN - bulk, cut to required length

1шт.

NOTE: The basket assembly does not include hydraulic components, basket door, basket top or basket unloading parts.

1шт.

6

477-73816

SERRATED SCREW,Sl Truss Hd, 3/8" x 1"

BOLT - serrated slotted truss head, 3/8 NC x 1 inch

1шт.

Выбрано товаров: 32