Запчасти Case IH 1800 (9C-32) - BASKET INTERLOCK (16) - BASKET

Схема запчастей Case IH 1800 - (9C-32) - BASKET INTERLOCK (16) - BASKET
27
6
5
16
20
3
20
18
25
22
7
10
21
22
15
1
19
17
14
9
23
28
4
21
8
FIT
1:1
100%

Артикул

Название

Примечание

Количество

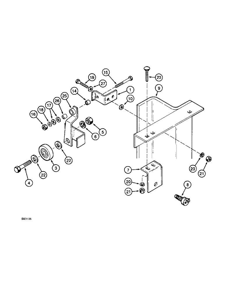
1

87361C2

SUPPORT

BRACKET - roller pivot

1шт.

3

667925R91

ROLLER BEARING,0.628" ID x 2" OD x 15 mm

ROLLER - interlock

1шт.

4

413-1032

BOLT,Hex, 5/8" - 11 x 2", Gr 5

- hex, 5/8 NC x 2 inch

1шт.

5

425-1010

NUT,5/8"-11, G5

1шт.

6

492-11062

BEARING WASHER,5/8"

WASHER, LOCK, 5/8"

1шт.

7

87354C1

ANGLE

- switch support

1шт.

8

121629C3

SWITCH

- neutral start

1шт.

9

1260175C8

CHASSIS

MAST - basket, see page 9C-25

1шт.

10

495-81132

WASHER,0.41" ID x 0.88" OD x 0.18" Thk

1шт.

14

1994765C2

SPACER

- switch interlock angle, 29/32 inch long (Replaces spacer 1994765C1)

1шт.

15

413-528

BOLT,Hex, 5/16" - 18 x 1-3/4", Gr 5

1шт.

16

232-4115

LOCK NUT,5/16"-18, GC

NUT, LOCK, 5/16"-18, GC

1шт.

17

495-81254

WASHER,13.49mm ID x 25.4mm OD x 1.7mm Thk

- flat, 17/32 x 1 x 3/64 inch

2шт.

18

495-81112

WASHER,.344" x 3/4" x .120"

- flat, 11/32 x 3/4 x 7/64 inch

1шт.

19

413-620

BOLT,Hex, 3/8" - 16 x 1-1/4", Gr 5

- hex, 3/8 NC x 1-1/4 inch

2шт.

20

492-11038

LOCK WASHER,3/8"

4шт.

21

425-106

NUT,3/8"-16, Cl 5

4шт.

22

495-81175

WASHER,21/32" x 1" x .120"

- flat, 21/32 x 1 x 7/64 inch

2шт.

23

434-616

CARRIAGE BOLT,Sht Sq Nk, 3/8" - 16 x 1", Gr 5

BOLT - carriage, 3/8 NC x 1 inch

2шт.

25

1994766C1

ANGLE BAR

ANGLE ASSEMBLY - switch interlock, 21/32 inch ID lower mounting hole

1шт.

26

216552C1

SPACER

BUSHING - switch interlock, 11/16 inch OD, if used

1шт.

26

1994863C1

BUSHING,12.72mm ID x 15.27mm OD x 19mm L

- switch interlock, 19/32 inch OD, if used

1шт.

27

495-11041

WASHER,0.406" ID x 0.812" OD x 0.065" W

(Flat, 13/32 x 13/16 x 1/16") 3/8", SAE

2шт.

Выбрано товаров: 23