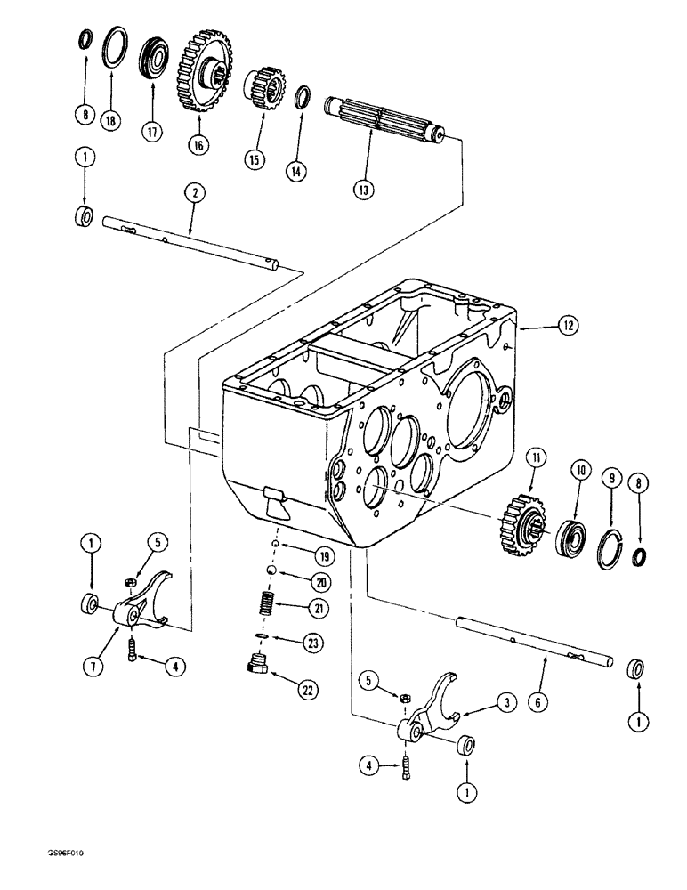
Запчасти Case IH 1800 (6-36) - TRANSMISSION, MAIN SHAFT (03) - POWER TRAIN

Схема запчастей Case IH 1800 - (6-36) - TRANSMISSION, MAIN SHAFT (03) - POWER TRAIN
5
7
19
6
15
8
23
1
20
8
22
13
1
21
1
10
11
18
3
1
14
4
12
16
9
2
5
4
17
FIT
1:1
100%

Артикул

Название

Примечание

Количество

1349465C1

TRANSMISSION ASSEMBLY - harvester

1шт.

1

G10450

OIL SEAL,19.05mm ID x 31.85mm OD x 6.35mm Thk

- oil, shifter rail

4шт.

2

184001C1

THREADED ROD

RAIL - second gear shifter

1шт.

3

574904R1

FORK

- second and reverse gear shifter

1шт.

4

573985R1

SET SCREW,Sq Hd, 3/8"-24 x 1"

SCREW - set, 3/8 NF x 1 inch

2шт.

5

86585245

SPECIAL NUT,JAM, 5/8" - 18

- hex jam, 3/8 inch NF

2шт.

6

184000C1

THREADED ROD

RAIL - first and third gear shifter

1шт.

7

395656R1

FORK

- first and third gear shifter

1шт.

8

370504R1

RING

- retaining, transmission main shaft, 1-1/16 inch ID

2шт.

9

ST421

SNAP RING,1.65mm Thk, Ext

RING - snap, transmission main shaft, 2-11/32 inch ID

1шт.

10

379475R91

BEARING, ROLLER, CYL,30mm ID x 62.03mm OD x 16mm W

- straight roller, 2-7/16 inch OD, right-hand

1шт.

11

402841R1

GEAR

- second speed drive, 26 tooth

1шт.

12

184079C1

CASE

- transmission, see page 6-33

1шт.

13

1963871C91

SHAFT

- transmission main (Replaces shaft 1276989C4)

1шт.

14

A21619

CIRCLIP

RING - snap, transmission main shaft bearing

1шт.

15

395649R1

GEAR

- first speed drive, 18 tooth

1шт.

16

379495R1

GEAR

- input drive, 44 tooth

1шт.

17

ST364

BALL BEARING,30mm ID x 62mm OD x 16mm W

BEARING - ball, 2-7/16 inch OD, transmission main shaft, left-hand

1шт.

18

404207R1

RING,61.6mm ID x 68.4mm OD x 2.54mm Thk

- transmission case square seal

1шт.

19

211-1014

BALL,7/16" Dia

- chrome alloy steel, 7/16 inch, grade 24

2шт.

20

211-1016

BALL,12.7mm OD, Gr 24

- chrome alloy steel, 1/2 inch, grade 24

2шт.

21

64600C1

SPRING

- shifter detent

2шт.

22

76349

PLUG,9/16" - 18 ORB

2шт.

23

237-6006

O-RING,0.078" Thk x 0.468" ID, -906, Cl 6, 90 Duro

6-1, 90 Duro, .468" ID x .078" Thk

1шт.

Выбрано товаров: 24