Запчасти Case IH 1800 (6-40) - TRANSMISSION, PINION DRIVE SHAFT (03) - POWER TRAIN

Схема запчастей Case IH 1800 - (6-40) - TRANSMISSION, PINION DRIVE SHAFT (03) - POWER TRAIN
8
2
7
5
5
9
1
2
3
4
10
6
4
FIT
1:1
100%

Артикул

Название

Примечание

Количество

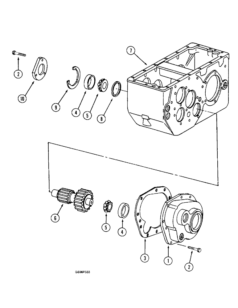
1349465C1

TRANSMISSION ASSEMBLY - harvester

1шт.

1

121811C2

COVER ASSY

COVER - gear

1шт.

2

326-618

BOLT,Hex, 3/8" - 16 x 1-1/8", Gr 8

3шт.

3

573997R3

GASKET,0.41mm Thk

- change gear cover

1шт.

4

50213V

BEARING CUP

CUP - tapered roller bearing, 2-3/4 inch OD, pinion shaft

2шт.

5

50212VA

ROLLER BEARING,33.35mm ID x 24.01mm W

BEARING - tapered roller, 1-5/16 inch ID, pinion shaft

2шт.

6

395630R1

GEAR

SHAFT - differential pinion, 13 and 23 tooth

1шт.

7

184079C1

CASE

- transmission, see page 6-33

1шт.

8

548585R1

BEARING WASHER,71.17mm ID x 74.52mm OD x 3.61mm Thk

SEAL - pinion shaft

1шт.

9

381222R1

SHIM

- pinion bearing, 0.007 inch thick

1шт.

9

405626R1

SHIM

- pinion bearing, 0.003 inch thick

1шт.

10

573971R2

CAP

- pinion shaft

1шт.

Выбрано товаров: 12