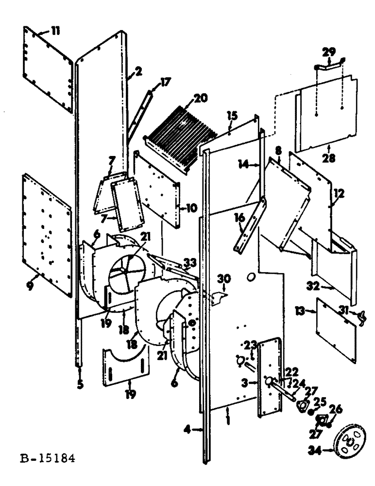
Запчасти Case IH 95 (19-14) - BASKET AND CONVEYOR, FAN AND SEPARATION CHAMBER Basket & Conveyor

Схема запчастей Case IH 95 - (19-14) - BASKET AND CONVEYOR, FAN AND SEPARATION CHAMBER Basket & Conveyor
19
4
27
7
31
5
14
7
29
21
18
6
6
19
28
30
25
16
26
12
22
8
33
15
24
1
3
23
21
18
2
11
34
32
10
17
9
27
20
FIT
1:1
100%

Артикул

Название

Примечание

Количество

1

203768C1

SHEET ASSY, side LH

1шт.

2

203772C1

SHEET ASSY, side RH

1шт.

3

200072C2

CHANNEL, fan side reinforcing LH

1шт.

3

200073C2

CHANNEL, fan side reinforcing RH

1шт.

4

203776C1

ANGLE, separator support LH

1шт.

5

203777C1

ANGLE, separator support RH

1шт.

6

200076C1

HOUSING

fan

2шт.

7

200077C1

BAFFLE, fan discharge

2шт.

8

200081C2

BAFFLE, separation chamber

1шт.

9

200078C2

SHEET, separator front

1шт.

10

200080C2

SHEET, boll box front

1шт.

11

200094C2

SHEET, separation chamber

1шт.

12

203755C1

SHEET, boll box cover

1шт.

13

203758C1

SHEET, boll box rear

1шт.

14

203778C1

ANGLE, fan sheet stiffener LH

1шт.

15

203779C1

SHEET, fan side LH upper

1шт.

16

201871C1

ANGLE, boll box brace LH

1шт.

17

201872C1

ANGLE, boll box brace RH

1шт.

201874C1

RIVET, 1/4 x .477 pop type

25шт.

16897R1

CARRIAGE BOLT,Short Nk, 5/16" - 18 x 3/4", Gr 2, Full Thd

BOLT, 5/16 x 3/4 znd sq-nk crg

12шт.

938017R1

FLANGE NUT,Flg, USR, 5/16"-18

5/16-18 znd hex. lock

12шт.

670472R1

SPRING NUT,J, Ret, 5/16"-18

5/16-18 spring

6шт.

18

200086C1

SHEET, fan housing cover

2шт.

162074

COTTER PIN

SCREW, 1/4-10 x 5/8 znd slt-pan-hd tap

26шт.

187510

SPRING NUT

NUT, 10-12 spring

6шт.

19

200087C1

STRIP, fan housing damper

2шт.

18673R1

CARRIAGE BOLT,Short Sq Nk, 5/16" - 18 x 1/2", Gr 2

BOLT, 5/16 x 1/2 znd sq-nk crg

4шт.

938017R1

FLANGE NUT,Flg, USR, 5/16"-18

5/16-18 znd hex. lock

4шт.

619855R1

WASHER

11/32 x 3/4 x 16 ga znd

4шт.

20

200089C1

GRATE ASSY, boll box

1шт.

180077

BOLT,Hex, 5/16" - 18 x 3/4", Gr 5

SCREW, 5/16-18 x 3/4 znd hex-hd cap

2шт.

202107C1

BOLT,Hex Serr Flg, 5/16" - 18 x 3/4"

SCREW, 5/16-18 x 3/4 hex. washer hd cap

4шт.

938017R1

FLANGE NUT,Flg, USR, 5/16"-18

5/16-18 znd hex. lock

2шт.

21

200113C91

FAN

ROTOR ASSY, fan

2шт.

182929

SCREW, 3/8-16 x 1-1/4 znd sq-hd ov-pt set

2шт.

120377

NUT,3/8" - 16, Gr 5

2шт.

22

17138R1

WOODRUFF KEY,#RX, 1/4" x 2 3/4", HT

KEY, 1/4 x 2-3/4 Woodruff RX

2шт.

23

66984D

WOODRUFF KEY,#126, 3/16" x 2 1/8", HT

KEY, 3/16 x 2-1/8 Woodruff 126

1шт.

24

203782C1

SHAFT

fan rotor

1шт.

25

571334R91

BALL BEARING,1.125" ID x 62 mm OD x 1.29"

ASSY, fan shaft

2шт.

26

557115R11

COLLAR

COLLAR W/SET SCREW, bearing lock

2шт.

27

662649R1

RETAINER

FLANGE, bearing mount

4шт.

17351R1

CARRIAGE BOLT,Short Sq Nk, 3/8" - 16 x 1", Gr 2

BOLT, 3/8 x 1 znd sq-nk crg

6шт.

482256R1

BEARING LOCK NUT,Flg, USR, 3/8"-16

3/8-16 znd hex. lock

6шт.

28

203783C1

DOOR, separation chamber

1шт.

126177

WING NUT

NUT, 1/4-20 znd wing

2шт.

29

614920R1

HANDLE, separation chamber door

1шт.

18626R1

CARRIAGE BOLT,Short Sq Nk, 1/4" - 20 x 1/2", Gr 2

BOLT, 1/4 x 1/2 znd sq-nk crg

2шт.

938016R1

FLANGE NUT,Flg, USR, 1/4"-20

1/4-20 znd hex. lock

2шт.

30

203784C1

SUPPORT, separation chamber LH

1шт.

30

203785C1

SUPPORT, separation chamber RH

1шт.

17351R1

CARRIAGE BOLT,Short Sq Nk, 3/8" - 16 x 1", Gr 2

BOLT, 3/8 x 1 znd sq-nk crg

12шт.

482256R1

BEARING LOCK NUT,Flg, USR, 3/8"-16

3/8-16 znd hex lock

12шт.

31

669184R1

CLAMP

acess door

2шт.

436732

SCREW,Slotted Pan Hd, #10-24 x 1/2"

10-24 x 1/2 znd slt-pan-hd mach

4шт.

174097C1

FLANGE NUT,Flg, USR, #10-24

10-24 znd hex. lock

4шт.

32

203756C1

DOOR, boll box upper acess

1шт.

33

203757C1

SHEET, baffle boll box center

1шт.

88574

BOLT,Hex, 5/16" - 18 x 1/2", Gr 5, Full Thd

4шт.

16897R1

CARRIAGE BOLT,Short Nk, 5/16" - 18 x 3/4", Gr 2, Full Thd

BOLT, 5/16 x 3/4 znd sq-nk crg

8шт.

938017R1

FLANGE NUT,Flg, USR, 5/16"-18

5/16-18 znd hex. lock

10шт.

34

PULLEY, fan drive, See fan drive

1шт.

Выбрано товаров: 62