Запчасти Case IH 95 (19-19) - BASKET AND CONVEYOR, CROSS AUGER Basket & Conveyor

Схема запчастей Case IH 95 - (19-19) - BASKET AND CONVEYOR, CROSS AUGER Basket & Conveyor
18
7
15
17
8
12
19
14
17
3
23
18
2
16
4
6
21
20
9
22
5
18
13
10
9
18
16
11
FIT
1:1
100%

Артикул

Название

Примечание

Количество

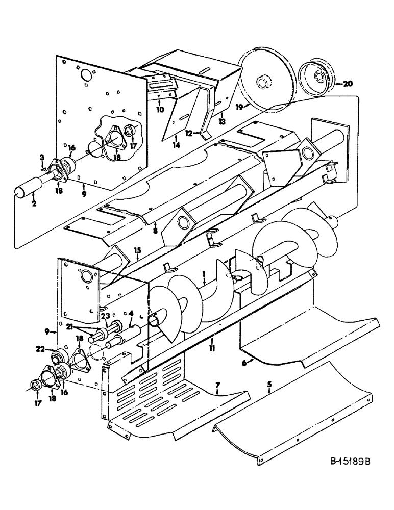
1

203422C1

AUGER ASSY, cross

1шт.

113-257

BOLT,Hex, 3/8" - 16 x 2-1/2", Gr 5

SCREW, 3/8-16 x 2-1/2 znd hex-hd cap

3шт.

120377

NUT,3/8" - 16, Gr 5

3шт.

120382

LOCK WASHER,Helical Spring, 3/8"

WASHER, LOCK, 3/8"

3шт.

2

203428C1

SHAFT ASSY, cross auger driven

1шт.

3

124553

WOODRUFF KEY,#15, 1/4" x 1", HT

1шт.

4

203431C1

SHAFT ASSY, cross auger, Serial no. 801 and below

1шт.

5

203433C1

SECTION, auger housing center

1шт.

113-206

BOLT,Hex, 3/8" - 16 x 3/4", Gr 5, Full Thd

3/8-16 x 3/4 znd hex-hd cap

4шт.

482256R1

BEARING LOCK NUT,Flg, USR, 3/8"-16

3/8-16 znd hex. lock

4шт.

6

203434C1

END, cross auger housing LH

1шт.

7

203435C1

END, cross auger housing RH

1шт.

18508R1

CARRIAGE BOLT,Short Nk, 3/8" - 16 x 3/4", Gr 2, Full Thd

BOLT, 3/8 x 3/4 znd sq-nk crg

16шт.

113-206

BOLT,Hex, 3/8" - 16 x 3/4", Gr 5, Full Thd

3/8-16 x 3/4 znd hex-hd cap

4шт.

154273C1

BOLT,Hex Serr, 3/8" - 16 x 1", Spcl

SCREW, 3/8-16 x 1 lock

2шт.

482256R1

BEARING LOCK NUT,Flg, USR, 3/8"-16

3/8-16 znd hex. lock

22шт.

8

203436C1

SHEET, auger housing top

1шт.

18508R1

CARRIAGE BOLT,Short Nk, 3/8" - 16 x 3/4", Gr 2, Full Thd

BOLT, 3/8 x 3/4 znd sq-nk crg

5шт.

482256R1

BEARING LOCK NUT,Flg, USR, 3/8"-16

3/8-16 znd hex. lock

5шт.

9

203437C1

PLATE, cross auger end

2шт.

180175

BOLT,Hex, 1/2" - 13 x 1 1/4", Gr 5

SCREW, 1/2-13 x 1-1/4 znd hex-hd cap

2шт.

180177

BOLT,Hex, 1/2" - 13 x 1 1/2", Gr 5

SCREW, 1/2-13 x 1-1/2 znd hex-hd cap

4шт.

487374R1

BEARING LOCK NUT,Flg, USR, 1/2"-13

1/2 flange lock

6шт.

16897R1

CARRIAGE BOLT,Short Nk, 5/16" - 18 x 3/4", Gr 2, Full Thd

BOLT, 5/16 x 3/4 znd sq-nk crg

8шт.

938017R1

FLANGE NUT,Flg, USR, 5/16"-18

5/16-18 znd hex. lock

8шт.

10

667718R1

BRACKET

idler

1шт.

11

203438C1

CHANNEL ASSY, cross auger

1шт.

113-206

BOLT,Hex, 3/8" - 16 x 3/4", Gr 5, Full Thd

3/8-16 x 3/4 znd hex-hd cap

2шт.

180122

BOLT,Hex, 3/8" - 16 x 1", Gr 5

3/8-16 x 1 znd hex-hd cap

2шт.

482256R1

BEARING LOCK NUT,Flg, USR, 3/8"-16

3/8-16 znd hex lock

4шт.

12

203441C1

BRACKET ASSY, center trough cover

1шт.

113-206

BOLT,Hex, 3/8" - 16 x 3/4", Gr 5, Full Thd

3/8-16 x 1 znd hex-hd cap

1шт.

482256R1

BEARING LOCK NUT,Flg, USR, 3/8"-16

3/8-16 znd hex lock

1шт.

13

203443C1

COVER, cross auger wide LH

1шт.

14

203444C1

COVER, cross auger wide RH

1шт.

203457C1

BOLT, 3/8-16 x 1 wing

1шт.

126032

WING NUT,3/8"-16

NUT, 3/8-16 znd wing

1шт.

120394

WASHER,3/8", SAE

WASHER, 13/32 x 13/16 x 16 ga znd

3шт.

15

203445C1

BRACKET ASSY, cross auger pivot

1шт.

NLS

NO LONGER SERVICED

SCREW, 5/8-11 x 1-3/4 znd hex-hd cap

4шт.

280374

NUT,Hex, 5/8" - 11, Gr 5

5/8-11 znd hex.

4шт.

492-11062

BEARING WASHER,5/8"

WASHER, LOCK, 5/8"

4шт.

16

455959R92

BEARING ASSY,28.57mm ID x 62mm OD x 18mm W

ASSY, auger stub shaft, 2 used on machines w/serial no. 801 & below, 1 used on machines w/serial no. 802 and above

1шт.

17

557115R11

COLLAR

COLLAR W/SET SCREW, brg lock, 2 used on machines w/serial no. 801 & below, 1 used on machines w/serial no. 802 and above

2шт.

18

662649R1

RETAINER

FLANGE, brg mounting

4шт.

17351R1

CARRIAGE BOLT,Short Sq Nk, 3/8" - 16 x 1", Gr 2

BOLT, 3/8 x 1 znd sq-nk crg

6шт.

482256R1

BEARING LOCK NUT,Flg, USR, 3/8"-16

3/8-16 znd hex. lock

6шт.

19

PULLEY, auger, See cross auger drive

1шт.

20

PULLEY ASSY, flat, See cross auger drive

1шт.

21

209166C2

SECTION ASSY, cross auger, Serial no. 802 and above

1шт.

22

211587C91

BALL BEARING,1.586" ID x 62 mm OD x 24 mm

BEARING ASSY, auger stud shaft, Serial no. 802 and above

1шт.

23

220891C1

SHAFT

auger

1шт.

Выбрано товаров: 0