Запчасти Case IH 95 (12-01) - POWER, AIR CLEANER AND CONNECTIONS Power

Схема запчастей Case IH 95 - (12-01) - POWER, AIR CLEANER AND CONNECTIONS Power
12
3
12
9
9
5
11
8
7
17
14
13
10
7
2
10
9
3
1
11
8
4
9
8
9
16
9
15
6
FIT
1:1
100%

Артикул

Название

Примечание

Количество

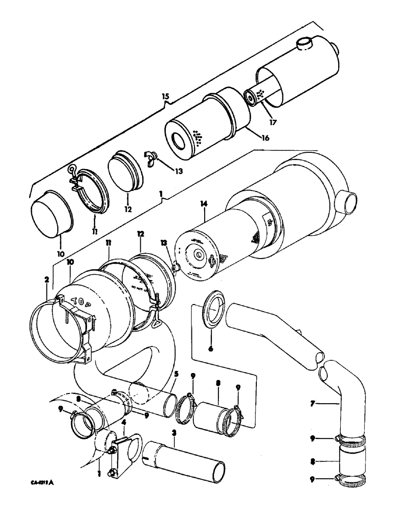
1

528420R91

CLEANER

ASSY, dry type air, Serial no. 801 and below, Consists of ref nos 10 thru 14

1шт.

2

603697C91

CLAMP

BAND, mounting

2шт.

180122

BOLT,Hex, 3/8" - 16 x 1", Gr 5

3/8-16 x 1 znd hex-hd cap

6шт.

482256R1

BEARING LOCK NUT,Flg, USR, 3/8"-16

3/8-16 C-Z whiz lock

6шт.

3

59949C1

TUBE, air inlet 3" OD, 11.2" Length

1шт.

4

215328R91

CLAMP

air inlet tube

1шт.

5

59951C1

PIPE, air outlet

1шт.

6

284497R1

GROMMET, rubber

1шт.

7

59952C1

PIPE ASSY, diesel manifold

1шт.

8

HOSE, outlet, Use 3.5 in. from bulk roll marked, 407015R1

3шт.

9

397257R1

HOSE CLAMP,#52, 2.81/3.75 Type F Worm, W/liner

CLAMP, air cleaner hose

6шт.

10

404194R1

COVER

CUP ASSY

1шт.

11

130879HB

CLAMP

ASSY

1шт.

12

404193R1

BAFFLE

1шт.

13

381342R92

WING NUT

NUT ASSY, winged

1шт.

14

529373R1

ELEMENT

ASSY

1шт.

15

107680C91

CLEANER

ASSY, dry type air, Serial no. 802 and above, Consists of ref nos 10, 11, 12, 13, 16 and 17

1шт.

16

690049C1

FILTER, ELEMENT

ELEMENT ASSY, primary

1шт.

17

529852R5

AIR FILTER

ELEMENT ASSY, secondary

1шт.

Выбрано товаров: 19