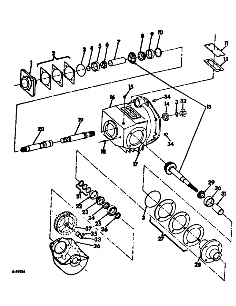
Запчасти Case IH 95 (07-05) - DRIVE TRAIN, MAIN DRIVE GEAR BOX Drive Train

Схема запчастей Case IH 95 - (07-05) - DRIVE TRAIN, MAIN DRIVE GEAR BOX Drive Train
35
6
17
31
19
3
3
15
28
9
25
16
34
36
21
22
34
29
33
27
24
18
1
7
30
3
23
4
12
26
11
32
10
2
8
20
14
37
5
FIT
1:1
100%

Артикул

Название

Примечание

Количество

1

674645R1

CARRIER, pump pilot

1шт.

413-836

BOLT,Hex, 1/2" - 13 x 2-1/4", Gr 5

SCREW, 1/2-13 x 2-1/4 hex-hd cap

4шт.

103323

LOCK WASHER,1/2"

WASHER, LOCK, 1/2"

4шт.

NOTE:REF#1 GASKET USED IS PART 674653R1

1шт.

2

673356R91

SHIM

KIT, pump cover shims

1шт.

3

673355R91

SEAL

KIT, o-ring

1шт.

4

673001R1

SPACER, outer brg

1шт.

5

551861R1

BEARING

input shaft outer cup

1шт.

6

433352H

BEARING ASSY, input shaft outer cone

1шт.

127713

SPACER

NUT, 8N-10-8 slt-brg lock

1шт.

271225

SCREW

TW-110 brg lock

1шт.

7

673015R1

SPACER, hollow shaft

1шт.

8

105503H

ROLLER BEARING,57.15mm ID x 24.61mm W

BEARING ASSY, input shaft inner cone

1шт.

9

105496H

BEARING CUP,97.63mm OD x 19.45mm W

BEARING, input shaft inner cup

1шт.

10

673000R1

SHIM

inner brg .003, (Or as required)

3шт.

11

673020R1

COVER, top

1шт.

179816

BOLT,Hex, 5/16" - 18 x 3/4", Gr 5

4шт.

103320

LOCK WASHER,5/16"

WASHER, LOCK, 5/16"

4шт.

12

673021R1

GASKET

top cover

1шт.

13

202432C1

GEAR-SET

SET, main drive gear

1шт.

14

673835R91

SEAL

SEAL, rear oil

1шт.

15

673172R1

VENT, gear box filler

1шт.

16

672992R2

HOUSING, main drive

1шт.

413-828

BOLT,Hex, 1/2" - 13 x 1-3/4", Gr 5

3шт.

103323

LOCK WASHER,1/2"

WASHER, LOCK, 1/2"

3шт.

137337H

WASHER, 17/32 x 1-1/8 x 6 ga

2шт.

17

243321R1

PLUG

3/4-14 automotive sq-hd, drain magnetic

1шт.

18

445673

PIPE PLUG,Sq Hd, 3/8"-18 NPTF

PLUG, 3/8-18 automotive sq-hd pipe

1шт.

19

672995R91

SHAFT

ASSY, input

1шт.

20

672999R1

SHAFT

hollow

1шт.

21

673353R91

KIT, outer brg output shaft shim

1шт.

22

22365V

BEARING CUP,3.6718" OD x 0.93"

BEARING, output shaft outer cup

1шт.

23

27338H

BEARING, ROLLER

BEARING, output shaft outer cone

1шт.

24

673013R91

OIL RESERVOIR

SEAL, output shaft oil

1шт.

25

673007R1

RING

sealing

1шт.

26

674622R1

BUSHING

SPACER, fan pulley

1шт.

27

673354R91

PACKAGE

KIT, gear adjusting shim

1шт.

28

673009R2

CARRIER, output shaft

1шт.

29

673810R91

BEARING ASSY,1.906" ID x 3.75" OD x 1.1875"

BEARING ASSY, output shaft inner cone

1шт.

30

170234R1

BEARING ASSY,1.75" ID x 3.75" OD x 1.1875"

BEARING, output shaft inner cup

1шт.

31

673006R1

SPACER, output shaft

1шт.

32

60320C91

PACKAGE

drive flange hub, For details see ENG-5 Parts Catalog section C for unit listing crankshaft, flywheel and bearings

1шт.

33

202850C1

SHAFT, coupling

1шт.

21213R1

WASHER

1-1/32 x 2 x 11 ga C-Z

1шт.

34

375362R1

PIN,12.69mm OD x 34.8mm L

main drive housing dowel, 1/2 x 1-3/8

2шт.

35

NLS

NO LONGER SERVICED

1/4 x 1 Woodruff

15шт.

36

203502C1

CARRIER, hyd pump

1шт.

179890

LATCH

SCREW, 1/2-13 x 2-1/4 hex-hd cap

4шт.

103323

LOCK WASHER,1/2"

WASHER, LOCK, 1/2"

4шт.

37

PULLEY, fan drive, See fan drive

1шт.

Выбрано товаров: 0