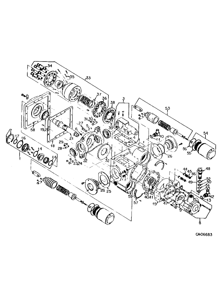
Запчасти Case IH 95 (07-18) - DRIVE TRAIN, HYDROSTATIC PUMP ASSEMBLY, EATON, SERIAL NUMBER 1012 AND ABOVE Drive Train

Схема запчастей Case IH 95 - (07-18) - DRIVE TRAIN, HYDROSTATIC PUMP ASSEMBLY, EATON, SERIAL NUMBER 1012 AND ABOVE Drive Train
42
31
24
1
13
18
4
36
53
41
19
8
30
52
38
2
59
20
32
50
35
15
17
25
33
39
50
55
51
29
11
6
5
26
21
37
12
15
48
40
43
26
50
9
44
54
14
3
57
34
47
49
10
58
46
28
45
22
23
27
FIT
1:1
100%

Артикул

Название

Примечание

Количество

1

252340C91

PUMP ASSY, hydrostatic, Eaton, renewed

1шт.

179894

BOLT,Hex, 1/2" - 13 x 3 1/4", Gr 5

4шт.

103323

LOCK WASHER,1/2"

WASHER, LOCK, 1/2"

4шт.

674652R1

WASHER, 17/32 x 1-1/4 x 1/4 C-Z

4шт.

179838

BOLT,Hex, 3/8" - 16 x 7/8", Gr 5, Full Thd

6шт.

179843

BOLT,Hex, 3/8" - 16 x 1 1/2", Gr 5

2шт.

1

142518C91

KIT

shaft seal assy w/ring, Replaces 133751C92

1шт.

2

606937C1

SNAP RING,2.835", Int, #281

Ring, Snap, 2.835", Int, #281

1шт.

3

133755C91

HYDRAULIC VALVE

KIT, control valve assy w/gasket

1шт.

179824

BOLT,Hex, 5/16" - 18 x 1 3/4", Gr 5

2шт.

179818

BOLT,Hex, 5/16" - 18 x 1", Gr 5

4шт.

4

133756C1

GASKET

control valve

1шт.

5

133757C1

PIN

linkage clevis

1шт.

6

133758C1

SPRING

PIN, hitch

1шт.

7

404782R1

HANDLE

control valve shaft

1шт.

NLS

NO LONGER SERVICED

1/4 ext tooth lock

1шт.

114501

JAM NUT,Jam, 1/4"-20, G5

1шт.

8

133761C91

PUMP

KIT, pump assy RH charge w/gasket

1шт.

186270

BOLT,Hex, 5/16" - 18 x 3 1/2", Gr 5

4шт.

9

133760C1

GASKET

charge pump

1шт.

10

171949C1

ELBOW

beaded stem case drain

2шт.

11

368269R1

O-RING,0.116" Thk x 0.924" ID, -912, Cl 6, 90 Duro

3/4 OD tube

2шт.

12

217822C1

ELBOW

barb hose charge pump

1шт.

13

296247R1

O-RING,16-1, 90 Duro, 1.171" ID x .116" Thk

1.0 OD tube

1шт.

14

22278R1

O-RING,0.103" Thk x 1.674" ID, -131, Cl 5, 75 Duro

1-11/16 x 1-7/8 x 3/32 shaft seal

2шт.

15

COVER, pump end, Not serviced separately, Order pump assy, R128126C93

1шт.

16

383017R1

O-RING,0.103" Thk x 2.55" ID, -145, Cl 5, 75 Duro

2-9/16 x 2-3/4 x 3/32 shaft seal

1шт.

17

24472R1

O-RING,0.07" Thk x 1.334" ID, -28, Cl 6, 90 Duro

1-3/8 x 1-1/2 x 1/16 shaft seal

1шт.

18

142414C1

GASKET

mounting flange

1шт.

NLS

NO LONGER SERVICED

12шт.

19

636826R91

BEARING ASSY,44.45 mm ID x 51 mm OD x 25.4 mm

BEARING ASSY, input shaft cone

1шт.

20

130503H

BEARING CUP

BEARING, input shaft cup

1шт.

21

140748C1

SHAFT

input

1шт.

22

140762C1

HOUSING

variable swashplate

1шт.

23

290099C91

TAPERED BEARING,39.69mm ID x 22.1mm W

BEARING, trunnion cone

2шт.

24

290100C1

BEARING CUP,73.05mm OD x 17.78mm W

BEARING, trunnion cup

2шт.

25

140763C91

SHIM KIT

PACKAGE, trunnion shim service

1шт.

26

22409R1

O-RING,0.139" Thk x 2.609" ID, -231, Cl 5, 75 Duro

2-5/8 x 2-7/8 x 1/8 trunnion

2шт.

27

140764C1

LINK

control valve

1шт.

28

140765C1

PIN

control valve link

1шт.

29

233045R1

SNAP RING,#25, Ext, Crescent

Ring, Snap, #25, Ext, Crescent

2шт.

30

140766C1

PIN,14.22mm OD x 39.12mm L

servo linkage

2шт.

31

28145R1

SNAP RING,#56, Ext

Ring, Snap, #56, Ext

4шт.

32

140767C1

PLATE

thrust

1шт.

33

140750C91

KIT

rotating group

1шт.

34

140751C1

PISTON ASSY.

PISTON ASSY, cylinder block

9шт.

35

140752C1

PIN

pre-load dowel

6шт.

36

140753C1

PLATE

bearing

1шт.

37

140754C1

PIN

bearing plate dowel

2шт.

38

140768C1

PLATE

RH pump valve

1шт.

39

140754C1

PIN

pump valve plate dowel

1шт.

40

140758C91

ROLLER BEARING,0.88" ID x 2.25" OD x 0.6875"

ASSY, input shaft cone

1шт.

41

140759C1

BEARING CUP

input shaft cup

1шт.

42

140760C91

SHIM KIT

PACKAGE, shim service

1шт.

43

140756C1

GASKET

end cover

1шт.

44

140769C1

CHECK VALVE

VALVE ASSY, check

2шт.

45

377952R1

O-RING,0.103" Thk x 0.549" ID, -113, Cl 6, 90 Duro

9/16 x 3/4 x 3/32 check valve

2шт.

46

140770C1

RING

check valve back-up

2шт.

47

140754C1

PIN

charge pump dowel

2шт.

48

140771C1

VALVE

ASSY, low pressure relief

1шт.

49

393885R91

GASKET KIT

PACKAGE, relief valve seal

1шт.

50

393887R1

BACK-UP RING

RING, relief valve back-up

2шт.

51

20947R1

O-RING,0.103" Thk x 0.799" ID, -117, Cl 6, 90 Duro

13/16 x 1 x 3/32

1шт.

52

297459R1

O-RING,0.116" Thk x 1.048" ID, -914, Cl 6, 90 Duro

1-3/64 x 1-7/32 x 7/64

1шт.

53

140772C91

PISTON

ASSY, servo

2шт.

54

140773C1

KIT

servo sleeve

2шт.

55

383018R1

O-RING,2.675" ID x 0.103" Width

2-11/16 x 2-7/8 x 3/32 servo sleeve

2шт.

56

22280R1

O-RING,0.103" Thk x 2.425" ID, -143, Cl 5, 75 Duro

2-7/16 x 2-5/8 x 3/32 servo sleeve

2шт.

57

140774C1

RETAINER

servo

1шт.

28144R1

HEX SOC SCREW,#8 - 32 x 3/8"

SCREW, no. 8 x 3/8 znd h/shd cap

6шт.

58

FLANGE, mounting, Not serviced separately, Order pump assy R128126C93

1шт.

59

HOUSING, variable, Not serviced separately, Order pump assy R128126R93

1шт.

Выбрано товаров: 72