Запчасти Case IH 1822 (8-24) - MANIFOLD VALVE SUPPLY AND PRESSURE COMPENSATOR SYSTEM (07) - HYDRAULICS

Схема запчастей Case IH 1822 - (8-24) - MANIFOLD VALVE SUPPLY AND PRESSURE COMPENSATOR SYSTEM (07) - HYDRAULICS
32
25
27
11
15
10
18
9
24
2
6
8
26
7
4
13
19
4
33
28
20
3
16
1
5
29
17
23
14
5
12
31
FIT
1:1
100%

Артикул

Название

Примечание

Количество

1

REF

INSTRUCTION

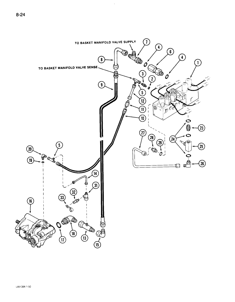
VALVE ASSEMBLY - manifold (See page 8-31)

1шт.

2

369751R1

O-RING,0.072" Thk x 0.351" ID, -904, Cl 6, 90 Duro

4-1, 90 Duro, .351" ID x .072" Thk, 1/4 OD tube

1шт.

3

9410200

HYD CONNECTOR,7/16" - 20 JIC x 7/16" - 20 ORB

CONNECTOR - short swivel, 1/4 inch

1шт.

4

368269R1

O-RING,0.116" Thk x 0.924" ID, -912, Cl 6, 90 Duro

- 3/4 inch OD tube

2шт.

5

9410330

TEE,37 Degree, 7/16"-20 x 7/16"-20, Fem Sw Run

- swivel, 1/4 inch

2шт.

6

1272346C1

FILTER

- inline (Part number stamped on part)

1шт.

6

93306C2

FILTER

- inline (Part number stamped on part)

1шт.

7

9411133

TEE,1 1/16"-12, 37 Degree x 1 1/16"-12, O-Ring run

- adjustable 3/4 inch

1шт.

8

1285294C2

TUBE,0.75" OD, 152.4,82.5 mm Length

ASSEMBLY - valve supply (Used with 1272346C1 filter)

1шт.

8

1971410C1

HYD TUBE,0.75" OD

TUBE ASSEMBLY - valve supply (Used with 93306C2 filter)

1шт.

9

1282496C1

HYDRAULIC HOSE,15.88 mm ID x 571.50 mm

- Pump pressure 15.88 mm ID x 571.50 mm

1шт.

10

1976930C1

HOSE

- valve sense (See note A)

1шт.

10

183531C1

HOSE,6.35 mm ID x 686.00, SAE 100R1 CLASS 7

- valve sense (See note B)

1шт.

11

1272902C1

VALVE

ASSEMBLY - orifice check (If equipped)

1шт.

12

533561R1

TUBE

ASSEMBLY - pressure check (If equipped)

1шт.

13

1980257C2

TEE

- orifice (See note A)

1шт.

13

1272885C1

TEE

- orifice (See note B)

1шт.

14

1976929C1

HYD TUBE

TUBE - supercharge

1шт.

15

9410283

ELBOW,90 Degree, 1 1/16"-12, 37 Degree x 1 1/16"-12, 37 Degree Fem Sw

- 90 degree, swivel, 3/4 inch thread

1шт.

16

REF

INSTRUCTION

PUMP ASSEMBLY - hydraulic (See page 8-17)

1шт.

17

296247R1

O-RING,16-1, 90 Duro, 1.171" ID x .116" Thk

- 1 inch OD tube

1шт.

18

150776C91

ELBOW,90 Degree, 1 1/16"-12, 37 Degree x 1 5/16"-12, O-Ring

- 90 degree adjustable, 1 to 3/4 inch thread

1шт.

19

369751R1

O-RING,0.072" Thk x 0.351" ID, -904, Cl 6, 90 Duro

4-1, 90 Duro, .351" ID x .072" Thk, 1/4 OD tube

1шт.

20

9410974

ELBOW,90 Degree, 7/16"-20, 37 Degree x 7/16"-20, O-Ring

- 90 degree adjustable, 1/4 inch thread

1шт.

23

1261010C1

FITTING

ADAPTER - bypass tube

1шт.

24

237-6008

O-RING,0.087" Thk x 0.644" ID, -908, Cl 6, 90 Duro

8-1, 90 Duro, .644" ID x .087" Thk

3шт.

25

1976897C1

COCK

VALVE - needle

1шт.

26

218-5128

ELBOW,90° Elbow, 9/16" - 18 Male JIC x 3/4" - 16 Male ORB

- 90 degree, 9/16-18 flared x 3/4-16 inch o-ring boss

1шт.

27

1971745C1

HYD TUBE

TUBE - valve bypass

1шт.

28

674681R1

HYD CONNECTOR,9/16"-18, 37 Degree x 1/2"-20, O-Ring

CONNECTOR - straight, 1/2-20 x 9/16-18 thread

1шт.

31

1978046C1

FITTING

TEE - adapter

1шт.

32

H434164

COUPLING

COUPLER - diagnostic device

2шт.

33

H434163

DUST CAP

CAP - coupler dust

2шт.

29

218-5004

O-RING,0.072" Thk x 0.414" ID, -905, Cl 6, 90 Duro

5-1, 90 Duro, .414" ID x .072" Thk

1шт.

Выбрано товаров: 0