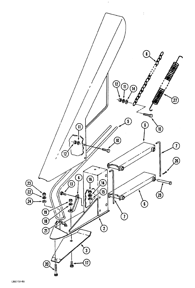
Запчасти Case IH 1822 (9A-066) - PLANT LIFTER LEFT (13) - PICKING SYSTEM

Схема запчастей Case IH 1822 - (9A-066) - PLANT LIFTER LEFT (13) - PICKING SYSTEM
10
27
24
10
11
7
12
14
2
15
12
25
4
18
8
17
6
21
23
20
6
13
3
5
16
22
26
19
14
7
11
FIT
1:1
100%

Артикул

Название

Примечание

Количество

87326C91

DIVIDER ASSY.

LIFTER ASSEMBLY - plant, left

1шт.

2

216959C2

SHOE

- lifter

1шт.

3

216969C3

LARGE PLATE

SUPPORT - skid

1шт.

4

216972C1

SUPPORT

- skid

1шт.

5

674821R1

ROD

- lifter

1шт.

6

220229C3

BRACKET

- lifter

2шт.

7

674820R1

PIN,4.76mm OD

- shoe

2шт.

8

87421C1

CHAIN,496mm L

- lift

1шт.

9

674807R2

DIVIDER

BODY - lifter

1шт.

10

413-516

BOLT,Hex, 5/16" - 18 x 1", Gr 5

- hex, 5/16 NC x 1 inch

3шт.

11

492-11031

LOCK WASHER,5/16"

WASHER, LOCK, 5/16"

3шт.

12

425-105

NUT,5/16"-18, G5

- hex, 5/16 inch NC

3шт.

13

434-512

CARRIAGE BOLT,Sht Sq Nk, 5/16" - 18 x 3/4", Gr 5

BOLT - round head square neck, 5/16 NC x 3/4 inch

1шт.

14

495-21038

WASHER,5/16"

(flat, 3/8 x 7/8 x 5/64") 5/16"

2шт.

15

492-11031

LOCK WASHER,5/16"

WASHER, LOCK, 5/16"

1шт.

16

425-105

NUT,5/16"-18, G5

- hex, 5/16 inch

1шт.

17

434-616

CARRIAGE BOLT,Sht Sq Nk, 3/8" - 16 x 1", Gr 5

BOLT - round head square neck, 3/8 NC x 1 inch

1шт.

18

492-11038

LOCK WASHER,3/8"

1шт.

19

425-106

NUT,3/8"-16, Cl 5

1шт.

20

433-828

CARRIAGE BOLT,Sq Nk, 1/2" - 13 x 1 3/4", Gr 5

BOLT - round head square neck, 1/2 NC x 1-3/4 inch

1шт.

21

495-81021

WASHER,17/32" x 1" x .120"

- flat, 17/32 x 1 x 7/64 inch

3шт.

22

80679

LOCK WASHER,1/20.507 CST ZND

WASHER, LOCK, 1/2"

1шт.

23

425-108

NUT,1/2" - 13, Gr 5

NUT, , Hex 1/2"-13, G5

1шт.

24

495-81164

WASHER,0.53" ID x 1.75" OD x 0.18" Thk

- flat, 17/32 x 1-3/4 x 11/64 inch

1шт.

25

22808R1

HEADED PIN,1/2" x 4 1/4"

PIN - headed, 1/2 x 4-1/4 inch

4шт.

26

432-48

COTTER PIN,1/16" x 1/2"

PIN, SPLIT (COTTER), 1/16" x 1/2"

2шт.

27

655919R1

SPRING

- lifter

1шт.

Выбрано товаров: 27