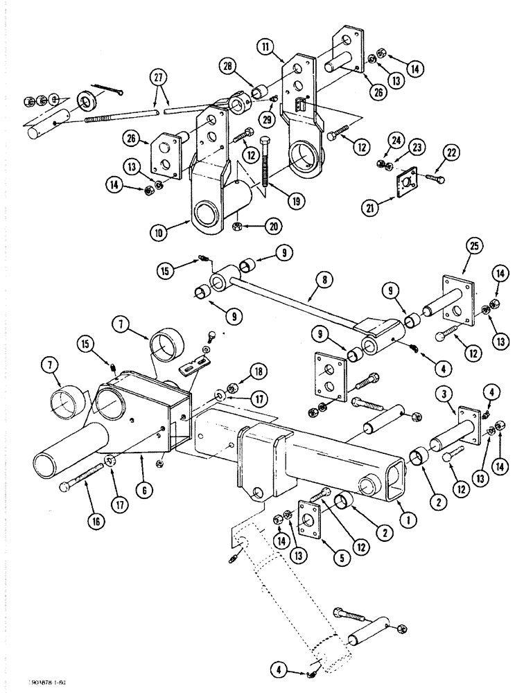
Запчасти Case IH 1822 (9A-082) - DRUM LIFT ARM 1822 COTTON PICKER (13) - PICKING SYSTEM

Схема запчастей Case IH 1822 - (9A-082) - DRUM LIFT ARM 1822 COTTON PICKER (13) - PICKING SYSTEM
12
28
14
4
26
7
20
4
7
9
3
9
27
16
10
26
5
14
12
24
14
13
17
14
9
1
15
12
21
4
8
29
13
17
15
22
12
19
23
2
14
13
9
13
2
18
13
12
6
25
11
FIT
1:1
100%

Артикул

Название

Примечание

Количество

1

87460C92

ARM

ASSEMBLY - lift, left (Includes Ref 2)(Welded channel)

1шт.

1

87461C92

ARM

ASSEMBLY - lift, right (Includes Ref 2)(Welded channel)

1шт.

1

1339219C2

ARM

ASSEMBLY - lift, left (Includes Ref 2)(Rectangular tubing)

1шт.

1

1339220C2

ARM

ASSEMBLY - lift, right (Rectangular tubing)

1шт.

2

669644R1

BUSHING

- arm

2шт.

3

221776C2

PIN

- arm

2шт.

4

332040

LUBE NIPPLE,90 Degree, 1/8" NPT x .84" lg

FITTING - grease, 1/8 inch PT x 90 degree (See Note)

1шт.

5

221778C1

SUPPORT

PLATE - pin

2шт.

6

1339118C1

ARM ASSY.

ARM ASSEMBLY - lift, left (Includes Ref 7)(Used with 87460C92)

1шт.

6

1339119C1

ARM ASSY.

ARM ASSEMBLY - lift, right (Includes Ref 7)(Used with 87461C92)

1шт.

6

1339226C3

TUBE

ARM ASSEMBLY - lift, left (Includes Ref 7)(Used with 1339219C1)

1шт.

6

1339227C3

TUBE

ARM ASSEMBLY - lift, right (Used with 1339220C1)

1шт.

7

177751C1

BUSHING,101.7mm ID x 106.36mm OD x 38.1mm L

- arm

2шт.

8

1278289C92

STEM

ROD ASSEMBLY - radius, rear

2шт.

9

617924R1

BUSHING,41.3mm ID x 44.45mm OD x 44.7mm L

- rod

8шт.

10

1278463C2

TUBE,203.25 mm Length

- torsion, left

1шт.

10

1339203C2

TUBE,375.91, 203.25 mm Length

- torsion, right

1шт.

11

1278300C5

SUPPORT

- radius rod, left

1шт.

11

1339199C3

SUPPORT

- radius rod, right

1шт.

12

113-410

BOLT,Hex, 1/2" - 13 x 1-1/2", Gr 5, Full Thd

1шт.

12

25346R1

BOLT,Hex, 5/8" - 11 x 5 1/2", Gr 8

- hex, 5/8 NC x 5-1/2 inch, Grade 8

2шт.

13

192-23

LOCK WASHER,1/2"

WASHER, LOCK, 1/2"

1шт.

13

25555R1

WASHER,17/32" x 1 1/4" x .188", HDN

- hardened

1шт.

14

9412231

NUT

- hex lock, 5/8 inch NC, Grade 8

2шт.

14

129-105

NUT,Hex, 1/2" - 13, Gr 5

1шт.

15

109461

LUBE NIPPLE,1/8"-27 x .66 lg

NIPPLE, LUBE, , PT 1/8"-27 x .66 lg

4шт.

16

25702R1

BOLT,3/4" x 8, Gr 8

- hex, 3/4 NC x 8 inch, Grade 8

4шт.

17

495-11081

WASHER,3/4", SAE

- flat, 13/16 x 1-15/32 x 7/64 inch

8шт.

18

359793C1

NUT,3/4"-10, GC

- hex, 314 inch NC, Grade 8

4шт.

19

25346R1

BOLT,Hex, 5/8" - 11 x 5 1/2", Gr 8

- hex, 5/8 NC x 8-1/2 inch, Grade 8

2шт.

20

9412231

NUT

- hex, 5/8 inch NC, Grade 8

2шт.

21

87632C2

LARGE PLATE

PLATE - harness

2шт.

22

113-3

BOLT,Hex, 1/4" - 20 x 3/4", Gr 5

2шт.

23

192-19

LOCK WASHER,Helical Spring, 0.256" ID, CST, ZND

WASHER, LOCK, 1/4"

2шт.

24

425-104

NUT,1/4"-20, Cl 5

- hex, 1/4 inch NC

2шт.

25

1278360C1

SHAFT

- upper

2шт.

26

1278415C1

SHAFT

- upper, inner, right

2шт.

26

1338503C1

SHAFT

- upper, inner, left

2шт.

27

1278290C91

ROD ASSY.

ROD ASSEMBLY - radius, outer

2шт.

28

617924R1

BUSHING,41.3mm ID x 44.45mm OD x 44.7mm L

- rod

1шт.

29

332040

LUBE NIPPLE,90 Degree, 1/8" NPT x .84" lg

FITTING - 90 degree grease, 1/8 inch PT

2шт.

Выбрано товаров: 41