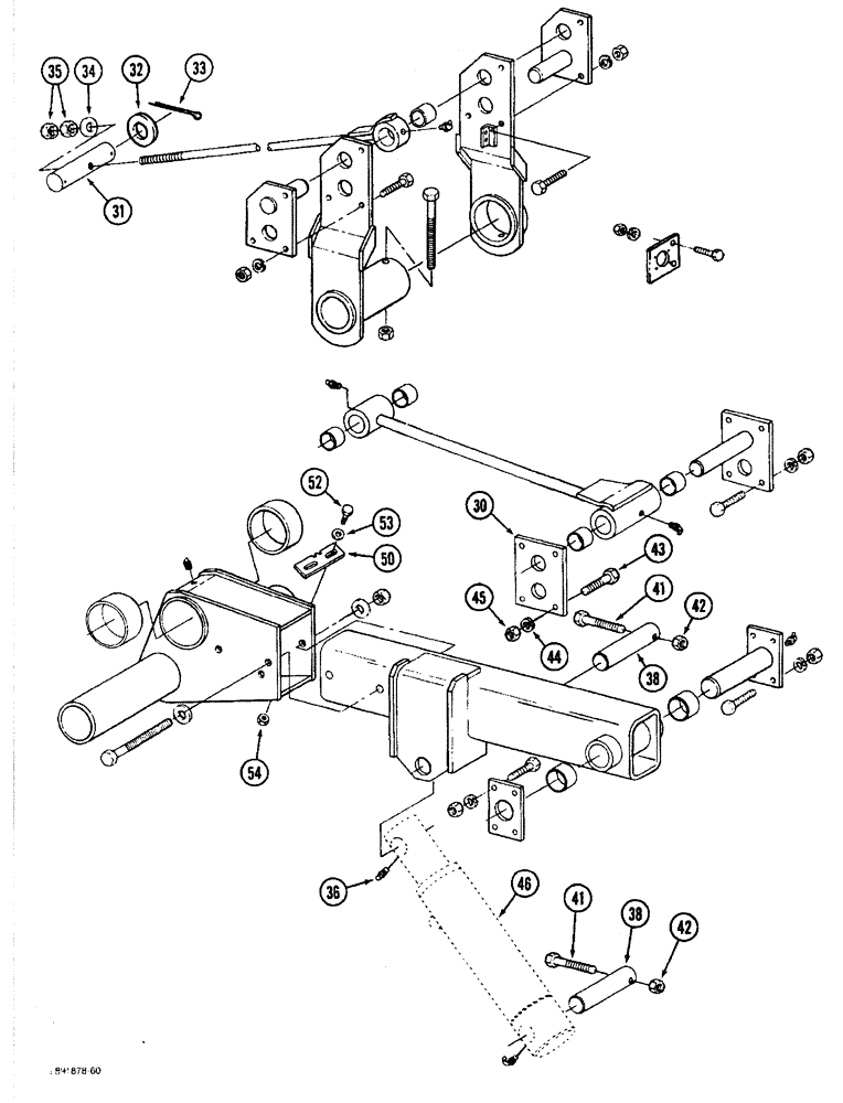
Запчасти Case IH 1822 (9A-084) - DRUM LIFT ARM, 1822 COTTON PICKER (13) - PICKING SYSTEM

Схема запчастей Case IH 1822 - (9A-084) - DRUM LIFT ARM, 1822 COTTON PICKER (13) - PICKING SYSTEM
46
54
43
41
36
33
41
35
42
38
42
50
34
53
30
32
44
52
45
31
38
FIT
1:1
100%

Артикул

Название

Примечание

Количество

30

1278433C1

LARGE PLATE

PLATE - lower, pivot

2шт.

31

1278311C1

PIN

- lift

2шт.

32

21787R1

WASHER

- flat, 2-1/16 x 3/64 inch

4шт.

33

108659

PIN

- cotter, 5/16 x 2-3/4 inch

4шт.

34

390310C1

WASHER,Flat, 3/4" Bolt, 13/16" ID x 1 1/2" OD x 0.134", HDN, ZND

- flat, 13/16 x 1-1/2 x 9/64 inch

2шт.

35

25529R1

NUT,3/4"-10, G8

- hex, 3/4 inch NC, Grade 8

4шт.

36

109461

LUBE NIPPLE,1/8"-27 x .66 lg

NIPPLE, LUBE, , PT (See Note) 1/8"-27 x .66 lg

1шт.

38

1288567C3

PIVOT PIN

PIN - pivot (Used upper position only)

4шт.

41

180191

BOLT,Hex, 1/2" - 13 x 3 1/4", Gr 5

- hex, 1/2 NC x 3-1/4 inch

4шт.

42

9413956

LOCK NUT,1/2"-13, GB

NUT - hex, 1/2 inch NC

4шт.

43

113-410

BOLT,Hex, 1/2" - 13 x 1-1/2", Gr 5, Full Thd

8шт.

44

192-23

LOCK WASHER,1/2"

WASHER, LOCK, 1/2"

8шт.

45

129-105

NUT,Hex, 1/2" - 13, Gr 5

8шт.

46

REF

INSTRUCTION

CYLINDER - lift (See Page 8-39)

2шт.

50

1338020C1

LARGE PLATE

PLATE - adjusting, inner

2шт.

52

113-410

BOLT,Hex, 1/2" - 13 x 1-1/2", Gr 5, Full Thd

4шт.

53

120390

WASHER,1/2"

- flat, 9/16 x 1-3/8 x 3/32 inch

4шт.

54

9413967

LOCK NUT,1/2"-13, GB

NUT - hex lock, 1/2 inch NC

4шт.

Выбрано товаров: 18