Запчасти Case IH 1822 (9B-02) - OUTLETS (15) - HANDLING SYSTEM

Схема запчастей Case IH 1822 - (9B-02) - OUTLETS (15) - HANDLING SYSTEM
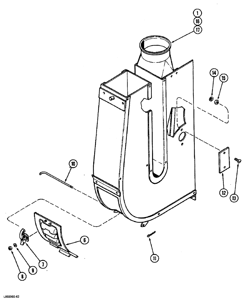
6
7
11
10
9
16
14
13
15
12
17
1
8
FIT
1:1
100%

Артикул

Название

Примечание

Количество

1

1278478C4

CHUTE ASSY.

DOOR ASSEMBLY - outlet

2шт.

6

1266308C1

DOOR

- access

2шт.

7

1333780C1

LATCH

- access door

2шт.

8

120614

NUT,Hex, #10 - 32

NUT, #10-32

4шт.

9

192-18

LOCK WASHER,Helical Spring, #10, 0.196" ID, CST, ZND

WASHER, LOCK, #10

4шт.

10

216151C1

PIN

- hinge, access door

2шт.

11

432-612

COTTER PIN,3/32" x 3/4"

PIN , SPLIT (COTTER), 3/32" x 3/4"

2шт.

12

87727C1

LARGE PLATE

PLATE - monitor cover (1822 cotton picker)

4шт.

13

161108C1

BOLT,Hex Serr, 1/4" - 20 x 1/2"

SCREW - slotted truss, 1/4 NC x 1/2 inch (1822 cotton picker)

14шт.

15

425-104

NUT,1/4"-20, Cl 5

- hex, 1/4 inch NC (1822 cotton picker)

14шт.

16

1338677C1

CHUTE ASSY.

DOOR - access, front left

1шт.

17

1338678C1

CHUTE ASSY.

DOOR - access, front right

1шт.

Выбрано товаров: 12