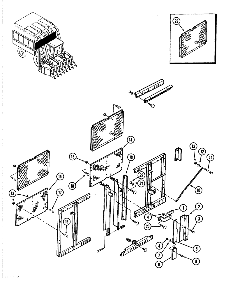
Запчасти Case IH 1822 (9C-24) - BASKET FRONT, 1822 COTTON PICKER (16) - BASKET

Схема запчастей Case IH 1822 - (9C-24) - BASKET FRONT, 1822 COTTON PICKER (16) - BASKET
16
19
23
12
20
11
22
2
3
13
18
13
1
14
13
10
9
17
7
4
21
15
6
4
5
FIT
1:1
100%

Артикул

Название

Примечание

Количество

REF

INSTRUCTION

BASKET ASSEMBLY - cotton picker, complete (See Note)

1шт.

1

87364C1

SUPPORT

STRAP - guide

1шт.

2

87353C1

SUPPORT

BRACKET - support

1шт.

3

155807C1

BOLT,Hex Serr, 5/16" - 18 x 1"

1шт.

4

938017R1

FLANGE NUT,Flg, USR, 5/16"-18

- hex, 5/16 inch NC

1шт.

5

87357C1

GUIDE

- upper

1шт.

6

202107C1

BOLT,Hex Serr Flg, 5/16" - 18 x 3/4"

- hex, 5/16 NC x 3/4 inch

1шт.

7

28588R1

WASHER

- flat, 11/32 x 11/16 x 3/64 inch

1шт.

9

87360C2

GUIDE

- lower

1шт.

10

NSS

NOT SOLD SEPARAT

CHAIN - door, 33 links (Order ZAN4030136, Serial Range: cut-length)

1шт.

11

113-248

BOLT,Hex, 3/8" - 16 x 2-3/4", Gr 5

1шт.

12

477589R1

WASHER

- flat, 13/32 x 1-1/2 x 7/65 inch

1шт.

13

482256R1

BEARING LOCK NUT,Flg, USR, 3/8"-16

- hex, 3/8 inch NC

1шт.

14

1260160C3

COVER

- lower, left

1шт.

15

1329247C3

COVER

- lower, right

1шт.

16

477-73812

SERRATED SCREW,Truss HD, 3/8" - 16 x 3/4"

- slotted, 3/8 NC x 3/4 inch

1шт.

17

477-73816

SERRATED SCREW,Sl Truss Hd, 3/8" x 1"

- slotted, 3/8 NC x 1 inch

1шт.

18

154273C1

BOLT,Hex Serr, 3/8" - 16 x 1", Spcl

- hex, 3/8 NC x 1 inch

1шт.

19

1260162C1

SUPPORT

BRACKET - screen

1шт.

20

598812R1

CARRIAGE BOLT,Sq Nk, 3/8" - 16 x 2", Gr 5

BOLT - round head square neck, 3/8 NC x 2 inch

1шт.

21

192-21

LOCK WASHER,3/8"

WASHER, LOCK, 3/8"

1шт.

22

129-103

NUT,Hex, 3/8" - 16, Gr 5

NUT, 3/8"-16, G5

1шт.

23

1339132C1

SIEVE

SCREEN ASSEMBLY - basket, left front

1шт.

Выбрано товаров: 23