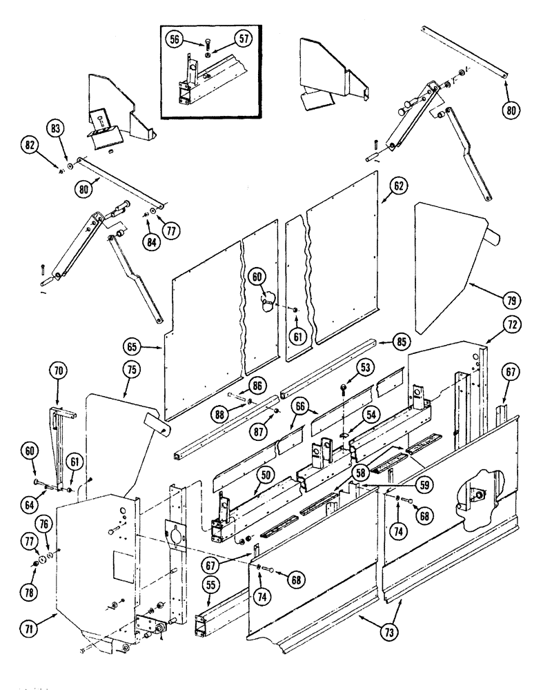
Запчасти Case IH 1822 (9C-42) - BASKET DOOR (16) - BASKET

Схема запчастей Case IH 1822 - (9C-42) - BASKET DOOR (16) - BASKET
78
67
54
73
83
55
86
62
68
60
77
76
80
50
85
60
57
82
67
53
77
74
87
59
80
58
56
61
61
79
64
66
84
74
72
88
68
70
75
71
65
FIT
1:1
100%

Артикул

Название

Примечание

Количество

50

1260289C2

SUPPORT

STRUT - door, top

1шт.

479370R1

KEY,1/4" Sq x 2", Par

- square, 1/4 x 2 inch

4шт.

53

28464R1

SELF-TAP SCREW

BOLT - hex tapping, with washer, 5/16 NC x 1-1/2 inch

6шт.

54

1979644C1

CLIP,ELECTRICAL

CLIP - brush

6шт.

55

1260275C1

SUPPORT

STRUT - door, bottom

1шт.

56

113-103

BOLT,Hex, 5/16" - 18 x 1", Gr 5

If equipped Hex, 5/16"-18 x 1", G5, Full Thd

6шт.

57

425-145

JAM NUT,Jam, 5/16"-18, G5

- hex jam, 5/16 inch NC (If equipped)

6шт.

58

1278102C1

BRUSH, COMMUTATOR

BRUSH - door slat

2шт.

59

1278692C1

SUPPORT

BRACKET - panel spacer

1шт.

60

598802R1

CARRIAGE BOLT,Short NK, 5/16"-18 x 3/4", G5, Full Thd

BOLT - round head square neck, 5/16 NC x 3/4 inch

44шт.

61

938017R1

FLANGE NUT,Flg, USR, 5/16"-18

- hex flanged lock, 5/16 inch NC

54шт.

62

1270125C1

COVER

- top rear

1шт.

64

135270

SERRATED SCREW,5/16" - 18 x 3/4"

- slotted truss, 5/16 NC x 3/4 inch

4шт.

65

1270124C1

COVER

- top front

1шт.

66

1262686C1

SHIELD

- chain

2шт.

67

1270128C1

SUPPORT

- door chain

4шт.

68

113-102

BOLT,Hex, 5/16" - 18 x 3/4", Gr 5

Hex, 5/16"-18 x 3/4", G5, Full Thd

18шт.

70

1270153C1

COVER

- chain

1шт.

71

1270322C4

SHIELD

- front

1шт.

72

1270323C3

GUARD

SHIELD - rear

1шт.

73

1278689C1

PANEL

- basket door outer

2шт.

74

192-20

LOCK WASHER,Helical Spring, 0.318" ID, CST, ZND

WASHER, LOCK, 5/16"

12шт.

75

1262464C2

GUARD

SHIELD - upper front

1шт.

76

21403R1

WASHER

- flat, 13/32 x 1 x 1/8 inch

4шт.

77

21752R1

WASHER

- flat, 13/32 x 1-1/2 x 3/64 inch

4шт.

78

231-1446

NUT,3/8" - 16, Gr 5

NUT LOCK, 3/8"-16, GB

4шт.

79

1262465C2

GUARD

SHIELD - upper rear

1шт.

80

1270329C1

ARM

- upper shield

2шт.

82

231-1448

NUT,1/2"-13, GB

- hex lock, 1/2 inch NC

2шт.

83

21740R1

WASHER

- flat, 17/32 x 1-1/2 x 3/64 inch

2шт.

84

231-1446

NUT,3/8" - 16, Gr 5

NUT LOCK, 3/8"-16, GB

2шт.

85

1288757C3

TUBE,3331.7 mm Length

- upper swing

1шт.

86

113-241

BOLT,Hex, 3/8" - 16 x 3", Gr 5

7шт.

87

482256R1

BEARING LOCK NUT,Flg, USR, 3/8"-16

- hex flanged lock, 3/8 inch NC

7шт.

88

477589R1

WASHER

- flat, 13/32 x 1-1/2 x 7/64 inch

7шт.

Выбрано товаров: 35