Запчасти Case IH 1822 (2-72) - CYLINDER BLOCK 6TA-830 ENGINE WITH TWELVE PISTON COOLING NOZZLES) (01) - ENGINE

Схема запчастей Case IH 1822 - (2-72) - CYLINDER BLOCK 6TA-830 ENGINE WITH TWELVE PISTON COOLING NOZZLES) (01) - ENGINE
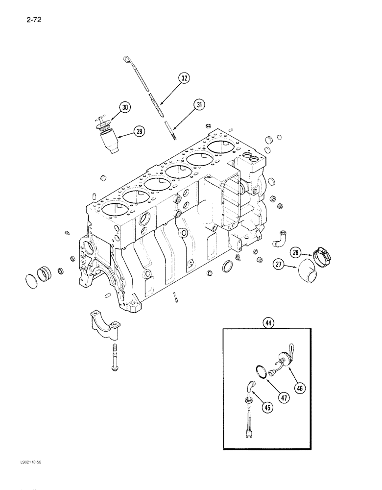
27
29
45
28
44
31
30
47
46
32
FIT
1:1
100%

Артикул

Название

Примечание

Количество

27

J909389

RADIATOR HOSE,50.08 mm ID, 60.08 mm ID x 39.70 mm

- Elbow, Water 50.08 mm ID, 60.08 mm ID x 39.70 mm

1шт.

28

214-261

HOSE CLAMP,#40, 2.06" - 3", Type F Worm

CLAMP - hose, 1-13/16 to 2-3/4 inch

1шт.

29

J905408

TUBE,35.13 mm ID x 52.39 mm OD x 100 mm L

- oil filler

1шт.

30

A77424

FILLER CAP

CAP ASSEMBLY - fill, oil

1шт.

31

J905779

TUBE,9.52 mm OD x 228 mm L

- dipstick, oil (replaces J905425)

1шт.

32

J908094

DIPSTICK

- oil gauge (replaces J906757)

1шт.

44

A77595

KIT

HEATER KIT - coolant, engine, block

1шт.

45

J905113

CABLE

- heater, engine block

1шт.

46

NSS

NOT SOLD SEPARAT

ELEMENT - heater, engine block

1шт.

47

J910517

O-RING

- heater sealing, engine block

1шт.

Выбрано товаров: 10