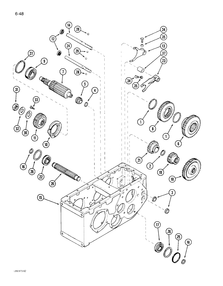
Запчасти Case IH 1822 (6-48) - MAIN SHAFT, INPUT SHAFT, SHIFT RAILS AND FORKS (03) - POWER TRAIN

Схема запчастей Case IH 1822 - (6-48) - MAIN SHAFT, INPUT SHAFT, SHIFT RAILS AND FORKS (03) - POWER TRAIN
25
31
3
23
29
13
19
6
16
33
5
27
30
7
16
18
12
20
9
14
28
32
28
2
35
4
24
34
11
21
1
10
37
1
26
35
17
8
34
22
26
15
FIT
1:1
100%

Артикул

Название

Примечание

Количество

1963918C3

TRANSMISSION

ASSEMBLY - cotton picker, 1822 (See Note)

1шт.

1963922C3

TRANSMISSION

ASSEMBLY - cotton picker, 1844 (See Note)

1шт.

1

100070R1

RING

- snap

2шт.

2

A21619

CIRCLIP

RING - snap

1шт.

3

349373R1

PLUG

- cup, 1-1/4 inch OD

2шт.

4

A32438

SNAP RING

RING - snap

1шт.

5

1963904C1

ROLLER BEARING,25 mm ID x 44.993 mm OD x 23.937 mm

BEARING - input pinion shaft

1шт.

6

395652R1

GEAR

- sliding, first and second (38 and 20 Teeth)

1шт.

7

1963897C1

SHAFT

- input

1шт.

8

107283C1

PINION

GEAR - second, 36 Teeth

1шт.

9

1963916C1

ROLLER BEARING,34.9 mm ID x 79.9 mm OD x 21 mm

- input drive shaft, right

1шт.

10

379481R1

RETAINER

- bearing, right

1шт.

11

184100C1

GEAR

- pinion, 26 Teeth (1844 Cotton Picker)

1шт.

11

395653R1

GEAR

- pinion, 25 Teeth (1822 Cotton Picker)

1шт.

12

G10450

OIL SEAL,19.05mm ID x 31.85mm OD x 6.35mm Thk

- rail (Alternate with 549712R1)

2шт.

12

549712R1

OIL SEAL

- rail (Alternate with G10450)

2шт.

13

395656R1

FORK

- shifter

1шт.

14

107278C1

SHAFT

- shift

1шт.

15

REF

INSTRUCTION

HOUSING - transmission (See Page 6-43)

1шт.

16

370504R1

RING

- snap

2шт.

17

1963917C1

ROLLER BEARING,29.9 mm ID x 61.9 mm OD x 16.07 mm

- shaft, left

1шт.

18

379495R1

GEAR

- input, 44 Teeth

1шт.

19

395649R1

GEAR

- first, 18 Teeth

1шт.

20

1276989C4

SHAFT

- main

1шт.

21

107284C2

PINION

GEAR - second, 20 Teeth

1шт.

22

1963915C1

ROLLER BEARING,29.995 mm ID x 61.9935 mm OD x 16.075 mm

- shaft, right

1шт.

23

574904R1

FORK

- shifter

1шт.

24

107543C1

SHAFT

- shift

1шт.

25

404207R1

RING,61.6mm ID x 68.4mm OD x 2.54mm Thk

O-RING - seal (Square Section)

1шт.

29

ST421

SNAP RING,1.65mm Thk, Ext

RING - snap

1шт.

27

ST419

RING

- shaft

1шт.

28

17016R1

BALL,1/2" Dia

Detent 1/2" Dia

2шт.

29

17014R1

BALL

- detent, 7/16 inch diameter

2шт.

30

382901R1

LOCK WASHER,26.16mm ID x 47.8mm OD x 3.18mm Thk

- flat

1шт.

31

382879R1

NUT

- hex, shaft

1шт.

32

382900R1

LOCK WASHER

- lock

1шт.

33

27970R1

BOLT,Hex, 5/16" - 18 x 7/8", Gr 8

- hex lock, 5/16 NC x 7/8 inch, Grade 8

3шт.

34

573985R1

SET SCREW,Sq Hd, 3/8"-24 x 1"

SCREW - square head set, 3/8 NF x 1 inch

2шт.

35

425-156

JAM NUT,Jam, 3/8"-24, G5

- hex, jam, 3/8 inch NF

2шт.

37

1342636C1

SPACER

- second gear shift rail

1шт.

Выбрано товаров: 40