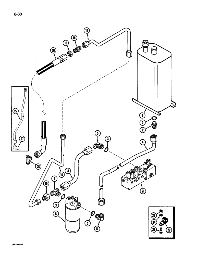
Запчасти Case IH 1822 (8-80) - HYDRAULIC RETURN SYSTEM TO RESERVOIR, 1822 COTTON PICKER (07) - HYDRAULICS

Схема запчастей Case IH 1822 - (8-80) - HYDRAULIC RETURN SYSTEM TO RESERVOIR, 1822 COTTON PICKER (07) - HYDRAULICS
5
25
27
17
5
3
3
18
3
3
1
6
14
20
10
7
22
2
15
4
24
23
19
27
26
16
FIT
1:1
100%

Артикул

Название

Примечание

Количество

1

REF

INSTRUCTION

RESERVOIR ASSEMBLY - hydraulic (See Page 8-3)

1шт.

2

570180

HYD CONNECTOR,1 5/8"-20, 37 Degree x 1 5/8"-12, O-Ring

CONNECTOR - short swivel, 1-1/4 inch OD tube

1шт.

3

307915R1

O-RING,0.118" Thk x 1.475" ID, -920, Cl 6, 90 Duro

- 1-1/4 inch OD tube

4шт.

4

1329213C2

HYD TUBE

TUBE ASSEMBLY - filter inlet

1шт.

5

84530

ELBOW,90 Degree, 1 5/8"-12, 37 Degree x 1 5/8"-12, O-Ring

- adjustabie, 1-1/4 inch OD tube, 90 degree

2шт.

6

REF

INSTRUCTION

FILTER ASSEMBLY - auxiliary return (See Page 8-13)

1шт.

7

9411123

TEE,1 7/8"-12, 37 Degree x 1 7/8"-12, O-Ring Br

- adjustable, 1-1/4 inch OD tube

1шт.

10

1285772C1

FITTING

- reducer, 1-1/4 to 1 inch

1шт.

14

1285439C2

TUBE,1.25" OD, 267,252 mm Length

ASSEMBLY - valve tank

1шт.

16

1338180C1

HYD TUBE

TUBE ASSEMBLY - basket tank lower (Replaces 1266221C2)

1шт.

17

1285354C3

TUBE ASSEMBLY - basket tank upper

1шт.

18

9403259

FITTING,Blkhd, 1 5/16"-12, 37 Degree x 1 5/16"-12, 37 Degree

UNION - bulkhead, 1 inch OD tube

1шт.

19

9403298

BHD LOCK NUT,Blkhd, 1 5/16"-12

NUT - bulkhead union lock, 1 inch OD tube

1шт.

20

1285398C3

HOSE

- basket return

1шт.

21

REF

INSTRUCTION

VALVE ASSEMBLY - manifold valve (See Page 8-69)

1шт.

22

27291R1

CLAMP

- closed

2шт.

23

113-206

BOLT,Hex, 3/8" - 16 x 3/4", Gr 5, Full Thd

- hex, 3/8 x 3/4 inch

2шт.

24

120382

LOCK WASHER,Helical Spring, 3/8"

WASHER, LOCK, 3/8"

2шт.

25

120377

NUT,3/8" - 16, Gr 5

2шт.

26

9402986

TEE,1 5/16"-12 37 Degree

- three way

1шт.

27

9410285

ELBOW,90 Degree, 1 5/16"-12, 37 Degree x 1 5/16"-12, 37 Degree Fem Sw

- 90 degree swivel, 1 OD tube 1-5/16-12 inch thread

1шт.

Выбрано товаров: 21