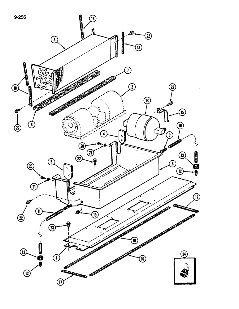
Запчасти Case IH 1822 (9-256) - EVAPORATOR-HEATER CORE AND BLOWER MOUNTING (10) - CAB & AIR CONDITIONING

Схема запчастей Case IH 1822 - (9-256) - EVAPORATOR-HEATER CORE AND BLOWER MOUNTING (10) - CAB & AIR CONDITIONING
1
13
18
23
20
18
5
18
13
16
22
9
6
14
12
12
24
22
21
20
17
11
21
2
3
4
15
8
22
22
22
17
19
10
7
16
FIT
1:1
100%

Артикул

Название

Примечание

Количество

1

1276238C1

SUPPORT

- mounting, blower box

1шт.

2

REF

INSTRUCTION

BLOWER ASSEMBLY - pressurizer (See Page 9-259)

1шт.

3

REF

INSTRUCTION

EVAPORATOR - core (See Page 9-263)

1шт.

4

1250463C2

GROMMET

- evaporator tubes (Rubber)

1шт.

5

1250464C2

GROMMET

- heater tubes (Rubber)

1шт.

6

84123C1

STRIP

- core front

1шт.

7

84124C1

STRIP

- core rear (Order 1974883C1, Serial Range: cut-length)

1шт.

8

135776C2

HOUSING

- core

1шт.

9

1250522C3

FITTING

FITTING - drain, Serial Range: hose-housing

2шт.

10

NSS

NOT SOLD SEPARAT

HOSE - condensate left, 90 inch (2286 mm) (Order 198091C1, Serial Range: cut-length)

1шт.

11

NSS

NOT SOLD SEPARAT

HOSE - condensate right, 134 inch (3404 mm) (Order 198091C1, Serial Range: cut-length)

1шт.

12

109239C2

CHECK VALVE

VALVE, CHECK

2шт.

13

195806C1

GROMMET

- condensate hose, 3/4 inch (19 mm) ID

2шт.

13

195800C1

GROMMET

- condensate hose plug (Without air conditioning)

2шт.

14

143469C2

RESERVOIR

RECEIVER-DRIER - cab

1шт.

15

1250439C1

CLAMP

- receiver-drier

1шт.

16

NSS

NOT SOLD SEPARAT

SEAL - support and headliner, 50 inch (1 270 mnn) (Order 187874C1, Serial Range: cut-length)

1шт.

17

NSS

NOT SOLD SEPARAT

SEAL - support and headliner, 10 inch (254 mm) (Cut from bulk stock 187874C1)

1шт.

18

NSS

NOT SOLD SEPARAT

SEAL - core to housing, 6-1/2 inch (165 mm) (Cut from bulk stock 187874C1)

1шт.

19

83931C1

GROMMET

- blower harness

1шт.

20

143309C1

SELF-TAP SCREW,Cross Pan Hd, #10 - 16 x 1/2"

SCREW - cross recess tap, No. 10-16 x 1/2

4шт.

21

118676

WASHER,0.22" ID x 0.5" OD x 0.05" Thk

- flat, 7/32 x 1/2 x 1/32

4шт.

22

104033C2

SELF-TAP SCREW,Truss HD, #10 - 16 x 3/4"

SCREW - washer head tap, No. 10-16 x 3/4 inch

12шт.

23

111618C2

SELF-TAP SCREW,Hex Flng, 1/4" - 14 x 1"

- self-tapping, 1/4-14 x 1 inch

4шт.

24

362126R1

CLIP

- right condensate hose

3шт.

Выбрано товаров: 25