Запчасти Case IH 1822 (1-18) - PICTORIAL INDEX BASKET COMPONENT HYDRAULIC SYSTEM (00) - PICTORIAL INDEX

Схема запчастей Case IH 1822 - (1-18) - PICTORIAL INDEX BASKET COMPONENT HYDRAULIC SYSTEM (00) - PICTORIAL INDEX
13
3
8
11
21
15
2
20
28
12
24
1
5
22
3
26
23
9
16
6
25
10
6
27
6
17
18
14
6
4
14
7
19
7
15
FIT
1:1
100%

Артикул

Название

Примечание

Количество

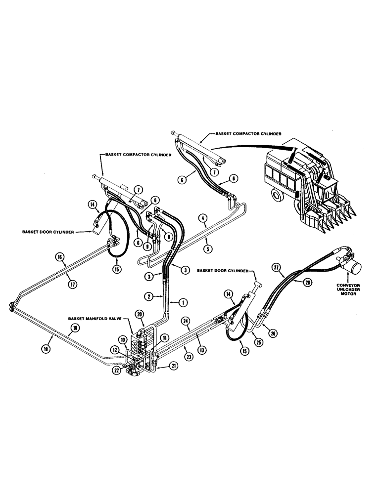
1

Compactor Raise First Tube, Pg 8-59, 8-61

1шт.

2

Compactor Lower First Tube, Pg 8-59, 8-61

1шт.

3

Compactor Supply Hose, Pg 8-59, 8-61

1шт.

4

Compactor Lower Third Tube (1822 Cotton Picker), Pg 8-59

1шт.

4

Compactor Lower Third Tube (1844 Cotton Picker), Pg 8-61

1шт.

5

Compactor Raise Third Tube (1822 Cotton Picker), Pg 8-59

1шт.

5

Compactor Raise Third Tube (1844 Cotton Picker), Pg 8-61

1шт.

6

Compactor Cylinder Hose, Pg 8-59, 8-61

1шт.

7

Compactor Cylinder Tube, Pg 8-59, 8-61

1шт.

8

Compactor Raise Second Tube (1822 Cotton Picker), Pg 8-59

1шт.

8

Compactor Raise Second Tube (1844 Cotton Picker), Pg 8-61

1шт.

9

Compactor Lower Second Tube (1822 Cotton Picker), Pg 8-59

1шт.

9

Compactor Lower Second Tube (1844 Cotton Picker), Pg 8-61

1шт.

10

Door Open Tube, Pg 8-77

1шт.

11

Door Close Tube, Pg 8-77

1шт.

12

Door Open Front Tube, Pg 8-77

1шт.

13

Door Close Front Tube, Pg 8-77

1шт.

14

Door Open Hose, Pg 8-77

1шт.

15

Door Close Hose, Pg 8-77

1шт.

16

Door Open Rear Tube, Pg 8-77

1шт.

17

Door Close Rear Tube, Pg 8-77

1шт.

18

Door Open Right Tube, Pg 8-77

1шт.

19

Door Close Right Tube, Pg 8-77

1шт.

20

Basket Valve Tank Tube, Pg 8-73

1шт.

21

Motor Return Tube, Pg 8-73

1шт.

22

Motor Supply Tube, Pg 8-73

1шт.

23

Motor Return Tube, Pg 8-73

1шт.

24

Motor Supply Tube, Pg 8-73

1шт.

25

Motor Return Tube, Pg 8-73

1шт.

26

Motor Supply Tube, Pg 8-73

1шт.

27

Motor Return Hose, Pg 8-73

1шт.

28

Motor Supply Hose, Pg 8-73

1шт.

Выбрано товаров: 32