Запчасти Case IH 1822 (9-068) - PLANT LIFTER (13) - PICKING SYSTEM

Схема запчастей Case IH 1822 - (9-068) - PLANT LIFTER (13) - PICKING SYSTEM
22
11
26
12
18
6
9
7
11
10
7
3
21
10
20
2
15
25
13
14
23
14
5
17
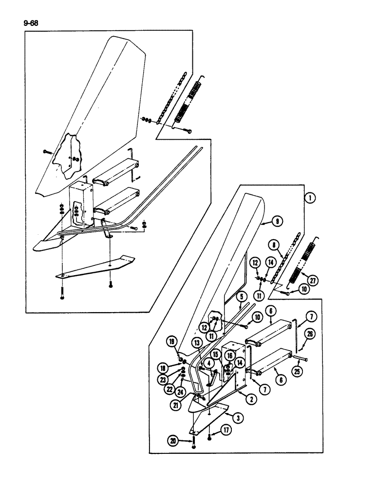
1
6
12
27
4
16
8
24
19
FIT
1:1
100%

Артикул

Название

Примечание

Количество

1

87326C91

DIVIDER ASSY.

LIFTER ASSEMBLY - plant, left

1шт.

2

216959C2

SHOE

- lifter

1шт.

3

216969C3

LARGE PLATE

SUPPORT - skid

1шт.

4

216972C1

SUPPORT

- skid

1шт.

5

674821R1

ROD

- lifter

1шт.

6

220229C2

BRACKET

- lifter

2шт.

7

674820R1

PIN,4.76mm OD

- shoe

2шт.

8

87421C1

CHAIN,496mm L

- lift (Replaces 655920R91)

1шт.

9

674807R2

DIVIDER

BODY - lifter

1шт.

10

9635884

BOLT,Hex, 5/16" - 18 1", Full Thd, Gr 5

- hex, 5/16 NC x 1 inch

3шт.

11

80681

LOCK WASHER,5/16"

WASHER, LOCK, 5/16"

3шт.

12

120376

NUT,5/16"-18, G5

3шт.

13

598802R1

CARRIAGE BOLT,Short NK, 5/16"-18 x 3/4", G5, Full Thd

BOLT - round head square neck, 5/16 NC x 3/4 inch

1шт.

14

446363

WASHER,5/16"

- flat, 3/8 x 7/8 x 1/16 inch

2шт.

15

80681

LOCK WASHER,5/16"

WASHER, LOCK, 5/16"

1шт.

16

120376

NUT,5/16"-18, G5

1шт.

17

598809R1

CARRIAGE BOLT,Sht Sq Nk, 3/8" - 16 x 3/4", Gr 5

BOLT - round head square neck, 3/8 NC x 3/4 inch

1шт.

18

120382

LOCK WASHER,Helical Spring, 3/8"

WASHER, LOCK, 3/8"

1шт.

19

120377

NUT,3/8" - 16, Gr 5

1шт.

20

88530

CARRIAGE BOLT,Sq Nk, 1/2" - 13 x 1 3/4", Gr 5

BOLT - round head square neck, 1/2 NC x 1-3/4 inch

1шт.

21

607895R1

WASHER

- flat, 17/32 x 1 x 7/64 inch

3шт.

22

120384

WASHER,1/2"

LOCK, 1/2"

1шт.

23

120378

NUT,Hex, 1/2" - 13, Gr 5

NUT, 1/2"-13, G5

1шт.

24

22191R1

WASHER

- flat, 17/32 x 1-3/4 x 11/64 inch

1шт.

25

22808R1

HEADED PIN,1/2" x 4 1/4"

PIN - headed, 1/2 x 4-1/4 inch

4шт.

26

112726

COTTER PIN,1/16" x 1/2"

PIN, SPLIT (COTTER), 1/16" x 1/2"

2шт.

27

655919R1

SPRING

- lifter

1шт.

Выбрано товаров: 27