Запчасти Case IH 1822 (6-20) - HYDROSTATIC PUMP, 1822 COTTON PICKER (03) - POWER TRAIN

Схема запчастей Case IH 1822 - (6-20) - HYDROSTATIC PUMP, 1822 COTTON PICKER (03) - POWER TRAIN
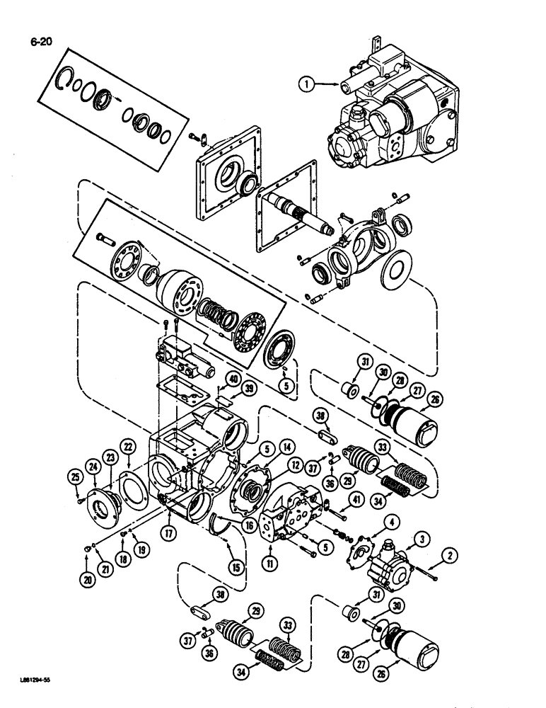
36
3
26
15
12
1
29
21
16
19
2
30
22
28
26
5
38
39
25
30
23
41
38
40
33
4
29
36
24
18
27
33
34
5
14
5
37
17
31
37
34
11
28
20
31
27
FIT
1:1
100%

Артикул

Название

Примечание

Количество

1

1285873C91

REMAN-HYD PUMP

PUMP ASSEMBLY - hydrostatic, remanufactured (North America only)

1шт.

1

1285872C91

PUMP, HYDROSTATIC

PUMP ASSEMBLY - hydrostatic, new

1шт.

2

186270

BOLT,Hex, 5/16" - 18 x 3 1/2", Gr 5

- hex, 5/16 NC x 3-1/2 inch, grade 5

4шт.

3

REF

INSTRUCTION

PUMP - charge (See Page 6-41)

1шт.

4

133760C1

GASKET

- charge pump

1шт.

5

140754C1

PIN

- dowel, 5/16 x 5/8 inch

5шт.

11

NSS

NOT SOLD SEPARAT

COVER - end pump (Order 1285873C91)

1шт.

12

140760C91

SHIM KIT

KIT - shim, end cover (replaces 140783C91)

1шт.

NSS

NOT SOLD SEPARAT

SHIM - 0.003 inch (0.076 mm)

1шт.

NSS

NOT SOLD SEPARAT

SHIM - 0.005 inch (0.127 mm)

1шт.

NSS

NOT SOLD SEPARAT

SHIM - 0.010 inch (0.254 mm)

1шт.

NSS

NOT SOLD SEPARAT

SHIM - 0.015 inch (0.381 mm)

1шт.

NSS

NOT SOLD SEPARAT

SHIM - 0.020 inch (0.508 mm)

1шт.

NSS

NOT SOLD SEPARAT

SHIM - 0.030 inch (0.762 mm)

1шт.

14

140782C1

GASKET

- end cover

1шт.

15

28144R1

HEX SOC SCREW,#8 - 32 x 3/8"

SCREW - hex socket, No. 8-32 x 3/8 inch

6шт.

16

140774C1

RETAINER

- servo piston

2шт.

17

NSS

NOT SOLD SEPARAT

HOUSING PUMP - (Order 1285873C91)

1шт.

18

NSS

NOT SOLD SEPARAT

PLUG - housing (Order 1285873C91)

1шт.

19

NSS

NOT SOLD SEPARAT

O-RING - housing plug

1шт.

20

NSS

NOT SOLD SEPARAT

PLUG - housing (Order 1285873C91)

1шт.

21

NSS

NOT SOLD SEPARAT

O-RING - housing plug

1шт.

22

142386C91

SHIM KIT

KIT - shim, trunnion bearing

1шт.

NSS

NOT SOLD SEPARAT

SHIM - 0.002 inch (0.0508 mm)

6шт.

NSS

NOT SOLD SEPARAT

SHIM - 0.005 inch (0.0508 mm)

4шт.

NSS

NOT SOLD SEPARAT

SHIM - 0.010 inch (0.254 mm)

4шт.

NSS

NOT SOLD SEPARAT

SHIM - 0.015 inch (0.381 mm)

4шт.

NSS

NOT SOLD SEPARAT

SHIM - 0.025 inch (0.635 mm)

4шт.

23

707220R1

O-RING,0.139" Thk x 2.984" ID, -234, Cl 5, 75 Duro

- trunnion, 3 x 3-1/4 x 1/8 inch

2шт.

24

NSS

NOT SOLD SEPARAT

TRUNNION - (Order 1285873C91)

2шт.

25

179857

BOLT,Hex, 7/16" - 14 x 7/8", Gr 5

B0LT - hex, 7/16 NC x 7/8 inch

6шт.

26

140773C1

KIT

SLEEVE - servo

2шт.

27

383018R1

O-RING,2.675" ID x 0.103" Width

- servo sleeve, 2-11/16 x 2-7/8 x 3/32 inch

2шт.

28

22280R1

O-RING,0.103" Thk x 2.425" ID, -143, Cl 5, 75 Duro

- servo sleeve, 2-1/16 x 2-5/8 x 3/32 inch

2шт.

29

1255223C1

PISTON ASSY.

PISTON ASSEMBLY - servo

2шт.

30

NSS

NOT SOLD SEPARAT

SCREW - hex socket

1шт.

31

NSS

NOT SOLD SEPARAT

RETAINER - servo spring

1шт.

33

NSS

NOT SOLD SEPARAT

SPRING - servo, heavy

1шт.

34

NSS

NOT SOLD SEPARAT

SPRING - servo, normal

1шт.

36

NSS

NOT SOLD SEPARAT

PIN - link

1шт.

37

NSS

NOT SOLD SEPARAT

RING - link retaining

2шт.

38

NSS

NOT SOLD SEPARAT

LINK - servo

1шт.

39

NSS

NOT SOLD SEPARAT

PLATE - identification

1шт.

40

NSS

NOT SOLD SEPARAT

SCREW - drive, identification plate

2шт.

41

179869

BOLT,Hex, 7/16" - 14 x 2 3/4", Gr 5

6шт.

Выбрано товаров: 45