Запчасти Case IH 1822 (6-24) - HYDROSTATIC PUMP, 1822 COTTON PICKER (03) - POWER TRAIN

Схема запчастей Case IH 1822 - (6-24) - HYDROSTATIC PUMP, 1822 COTTON PICKER (03) - POWER TRAIN
101
98
96
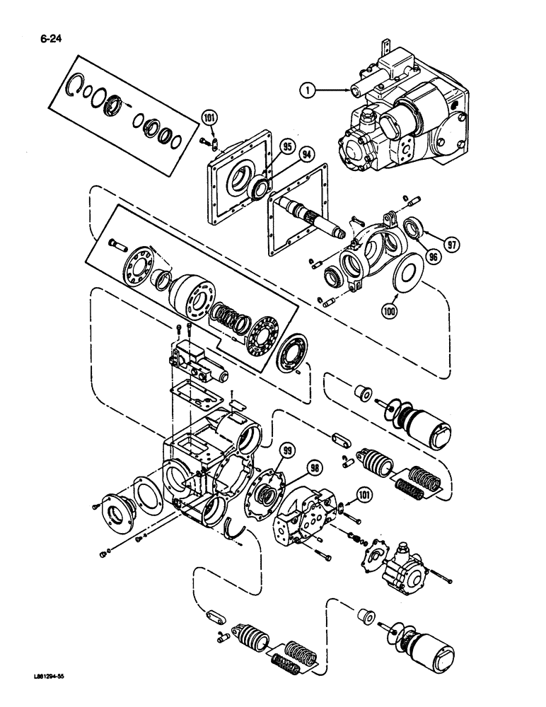
1
99
100
97
101
94
95
FIT
1:1
100%

Артикул

Название

Примечание

Количество

1

REF

INSTRUCTION

PUMP ASSEMBLY - hydrostatic, new

1шт.

94

636826R91

BEARING ASSY,44.45 mm ID x 51 mm OD x 25.4 mm

CONE - bearing input shatt, 1-3/4 inch ID

1шт.

95

130503H

BEARING CUP

CUP - bearing input shaft, 3-17/64 inch OD

1шт.

96

399933C91

ROLLER BEARING,45.24mm ID x 19.81mm W

CONE - bearing trunnion, 1-25/32 inch ID

2шт.

97

399934C1

BEARING CUP,73.43mm OD x 15.75mm W

CUP - bearing trunnion, 2-57/64 inch OD

2шт.

98

401221R91

BEARING ASSY,1" ID x 2.3437" OD x 0.92"

CONE - bearing input shaft, 1 inch ID

1шт.

99

396089R91

BEARING ASSY,25.4mm ID x 59.53mm OD x 23.37mm W

CUP - bearing input shaft, 2-11/32 inch OD

1шт.

100

80368C1

PLATE

- thrust

1шт.

101

NSS

NOT SOLD SEPARAT

STRAP - shipping

2шт.

Выбрано товаров: 9