Запчасти Case IH 1844 (5-22) - STEERING AXLE, 1844 COTTON PICKER (04) - STEERING

Схема запчастей Case IH 1844 - (5-22) - STEERING AXLE, 1844 COTTON PICKER (04) - STEERING
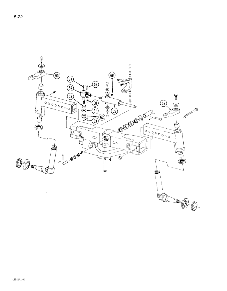
50
59
58
68
55
57
63
52
60
61
62
67
FIT
1:1
100%

Артикул

Название

Примечание

Количество

50

1259526C2

ARM

- steering knuckle, left

1шт.

52

1259527C2

STEERING ARM

ARM - steering knuckle, right

1шт.

55

REF

INSTRUCTION

CYLINDER - steering (See Page 5-13)

1шт.

57

1280566C2

BALL JOINT

END ASSEMBLY - cylinder (O & S Bearing or TRW)

1шт.

57

71820C91

END

ASSEMBLY - cylinder (Columbus Auto)

1шт.

58

250586C1

SEAL

- dust (Use with end 1280566C92)

1шт.

58

71822C1

SEAL

- dust (Use with end 71820C91)

1шт.

59

179847

BOLT,Hex, 3/8" - 16 x 2", Gr 5

1шт.

60

69981R1

LOCK NUT,3/8"-16, GB

NUT - hex lock, 3/8 inch NC

1шт.

61

614451R1

WASHER

- flat, 1-1/32 x 1-3/4 x 7/64 inch

1шт.

62

272322

WASHER

- hex slotted, 7/8 inch NF

1шт.

63

132-77

COTTER PIN,5/32" x 2"

Pin, Split (Cotter), 5/32" x 2"

1шт.

67

219-8

LUBE NIPPLE,1/4" - 28 NPTF

NIPPLE, LUBE, 1/4"-28 NPT x .54" lg

1шт.

68

219-53

LUBE NIPPLE,65 Degree Elbow, 3/16" NPTF

FITTING - grease, 3/16 inch

2шт.

Выбрано товаров: 0