Запчасти Case IH 1844 (8-61A) - BASKET MANIFOLD VALVE SUPPLY AND SENSE SYSTEM, 1844 COTTON PICKER P.I.N. JJC0002560 AND AFTER (07) - HYDRAULICS

Схема запчастей Case IH 1844 - (8-61A) - BASKET MANIFOLD VALVE SUPPLY AND SENSE SYSTEM, 1844 COTTON PICKER P.I.N. JJC0002560 AND AFTER (07) - HYDRAULICS
16
13
14
22
5
3
7
6
19
21
2
20
8
24
15
29
10
25
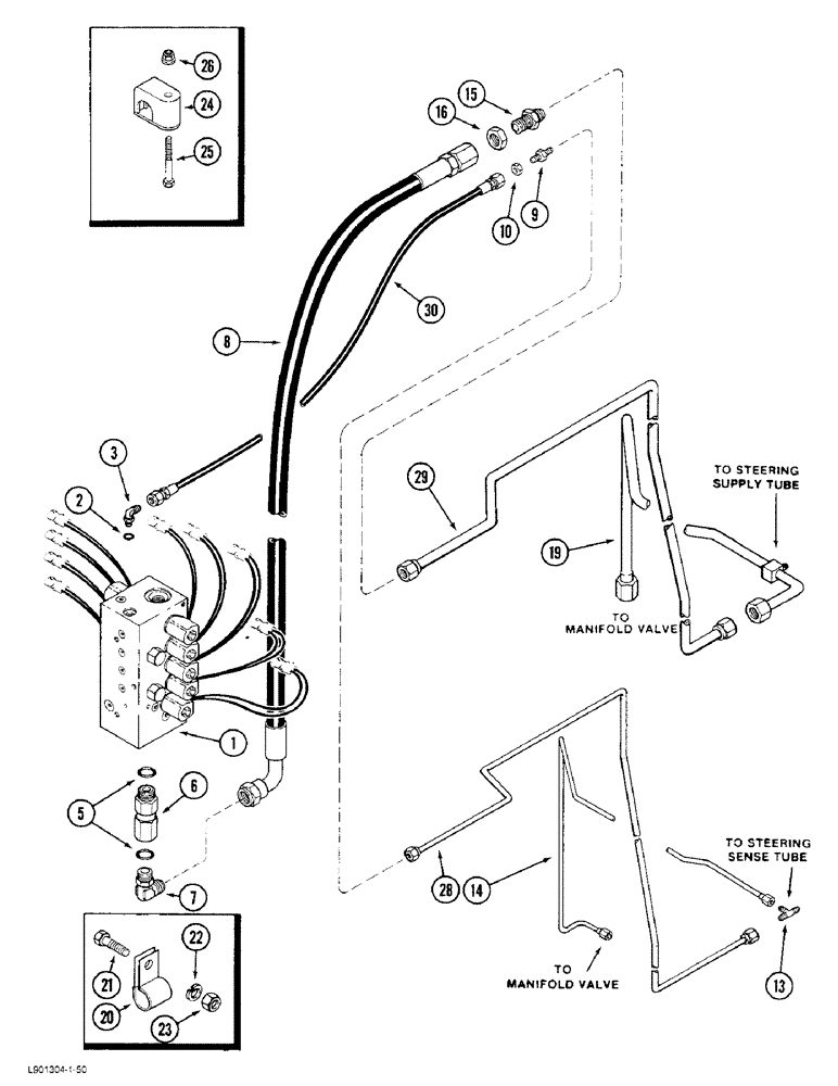
1
26
9
30
23
28
FIT
1:1
100%

Артикул

Название

Примечание

Количество

1

REF

INSTRUCTION

VALVE ASSEMBLY - basket manifold (See page 8-65)

1шт.

2

369751R1

O-RING,0.072" Thk x 0.351" ID, -904, Cl 6, 90 Duro

4-1, 90 Duro, .351" ID x .072" Thk, 1/4 OD tube

1шт.

3

9410974

ELBOW,90 Degree, 7/16"-20, 37 Degree x 7/16"-20, O-Ring

- 90 degree adjustable, 1/4 inch thread

1шт.

5

368269R1

O-RING,0.116" Thk x 0.924" ID, -912, Cl 6, 90 Duro

- 3/4 inch OD tube

2шт.

6

REF

INSTRUCTION

FILTER ASSEMBLY - inline (See page 8-25)

1шт.

7

9410979

ELBOW,90 Degree, 1 1/16"-12, 37 Degree x 1 1/16"-12, O-Ring

- 90 degree adjustable, 3/4 inch thread

1шт.

8

1285397C1

HOSE

- basket supply

1шт.

9

9403252

FITTING,Blkhd, 7/16"-20, 37 Degree x 7/16"-20, 37 Degree

UNION - bulkhead, 1/4 inch

1шт.

10

9403291

BHD LOCK NUT,Blkhd, 7/16"-20

NUT - bulkhead union lock, 1/4 inch

1шт.

13

9402979

TEE,7/16"-20, 37 Degree

- 1/4 inch

1шт.

14

1285348C2

TUBE

ASSEMBLY - basket sense

1шт.

15

9403257

FITTING,Blkhd, 1 1/16"-12, 37 Degree x 1 1/16"-12, 37 Degree

UNION - bulkhead, 3/4 inch

1шт.

16

9403296

LOCK NUT,Blkhd, 1 1/16"-12

NUT - bulkhead union lock, 3/4 inch

1шт.

19

1976877C1

HYD TUBE

TUBE ASSEMBLY - basket supply lower

2шт.

20

49858

O-RING,0.103" Thk x 0.75" ID, -116, Cl 5, 75 Duro

- closed (For 3/4 inch OD tube)

2шт.

20

299399C1

CLIP

CLAMP - closed (For 1/4 inch OD tube)

2шт.

21

113-206

BOLT,Hex, 3/8" - 16 x 3/4", Gr 5, Full Thd

4шт.

22

120382

LOCK WASHER,Helical Spring, 3/8"

WASHER, LOCK, 3/8"

4шт.

23

120377

NUT,3/8" - 16, Gr 5

4шт.

24

183823C1

CLAMP

- tube (For 3/4 inch OD tube)

1шт.

24

183820C1

CLAMP

- tube (For 1/4 inch OD tube)

1шт.

25

113-15

BOLT,Hex, 1/4" - 20 x 2-1/4", Gr 5

- hex, 1/4 NC x 2-1/4 inch

1шт.

26

938016R1

FLANGE NUT,Flg, USR, 1/4"-20

- hex flange, 1/4 inch NC

1шт.

28

1982230C1

HYD TUBE,0.25" OD

TUBE ASSEMBLY - basket sense

1шт.

29

1982229C1

HYD TUBE

TUBE ASSEMBLY - basket supply

1шт.

30

1338926C1

HOSE

- basket sense

1шт.

Выбрано товаров: 26