Запчасти Case IH 1844 (9D-26) - CAB EVAPORATOR HEATER CORE, AND BLOWER MOUNTING (10) - CAB & AIR CONDITIONING

Схема запчастей Case IH 1844 - (9D-26) - CAB EVAPORATOR HEATER CORE, AND BLOWER MOUNTING (10) - CAB & AIR CONDITIONING
15
22
12
12
22
14
31
29
33
9
9
1
28
21
11
16
13
18
23
17
13
30
32
8
2
18
5
34
7
24
10
17
20
20
6
21
FIT
1:1
100%

Артикул

Название

Примечание

Количество

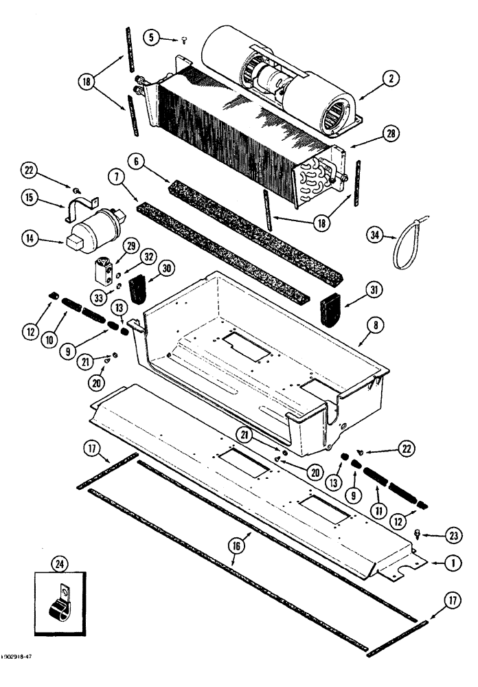
1

1276238C1

SUPPORT

- mounting, blower box

1шт.

2

REF

INSTRUCTION

BLOWER ASSEMBLY - pressurizer (See Page 9D-29)

1шт.

5

104033C2

SELF-TAP SCREW,Truss HD, #10 - 16 x 3/4"

SCREW - truss head tapping, No. 10 x 3/4 inch, polyseal

4шт.

6

84123C1

STRIP

SEAL - core front

1шт.

7

84124C1

STRIP

SEAL - core rear

1шт.

8

135776C2

HOUSING

- core

1шт.

9

1250522C3

FITTING

FITTING - drain, Serial Range: hose-housing

2шт.

10

NSS

NOT SOLD SEPARAT

HOSE - condensate left, 90 inch (Order 198091C1 and, Serial Range: cut-length)

1шт.

11

NSS

NOT SOLD SEPARAT

HOSE - condensate right, 134 inch (Order 198091C1 and, Serial Range: cut-length)

1шт.

12

109239C2

CHECK VALVE

VALVE, CHECK

2шт.

13

195806C1

GROMMET

- condensate hose, 3/4 inch ID

2шт.

13

195800C1

GROMMET

- condensate hose plug (Without air conditioner)

2шт.

14

143469C2

RESERVOIR

RECEIVER-DRIER - system

1шт.

15

1250439C1

CLAMP

- receiver-drier

1шт.

16

NSS

NOT SOLD SEPARAT

SEAL - support and headliner, 50 inch (Order bulk 187874C1 and, Serial Range: cut-length)

1шт.

17

NSS

NOT SOLD SEPARAT

SEAL - support and headliner, 10 inch (Order 187874C1 and, Serial Range: cut-length)

1шт.

18

NSS

NOT SOLD SEPARAT

SEAL - core to housing, 6-1/2 inch (Order 187874C1 and, Serial Range: cut-length)

1шт.

20

143309C1

SELF-TAP SCREW,Cross Pan Hd, #10 - 16 x 1/2"

SCREW - No. 10-16 x 1/2 inch

4шт.

21

118676

WASHER,0.22" ID x 0.5" OD x 0.05" Thk

- flat, 7/32 x 1/2 x 1/32 inch

4шт.

22

104033C2

SELF-TAP SCREW,Truss HD, #10 - 16 x 3/4"

SCREW - No. 10-16 x 3/4 inch

12шт.

23

111618C2

SELF-TAP SCREW,Hex Flng, 1/4" - 14 x 1"

- self-tapping, 1/4-14 x 1 inch

4шт.

24

362126R1

CLIP

- right condensate hose

3шт.

28

1974632C2

HEAT-EXCHANGER

CORE ASSEMBLY - evaporator (Replaces 135777C2)

1шт.

29

98370C3

VALVE

- expansion

1шт.

30

1250463C2

GROMMET

- evaporator tubes (Rubber)

1шт.

31

1250464C2

GROMMET

- heater tubes (Rubber)

2шт.

32

238-5015

O-RING,0.07" Thk x 0.551" ID, -15, Cl 5, 75 Duro

-015, 70 Duro, .551" ID x .070" Thk

1шт.

33

238-5013

O-RING,0.07" Thk x 0.426" ID, -13, Cl 5, 75 Duro

-013, 70 Duro, .426" ID x .070" Thk

1шт.

34

306132C1

CABLE TIE,14.5" L

STRAP - tie, 14 inch long

3шт.

Выбрано товаров: 29