Запчасти Case IH 1844 (9A-108) - DRUM HOUSING, 1844 COTTON PICKER (13) - PICKING SYSTEM

Схема запчастей Case IH 1844 - (9A-108) - DRUM HOUSING, 1844 COTTON PICKER (13) - PICKING SYSTEM
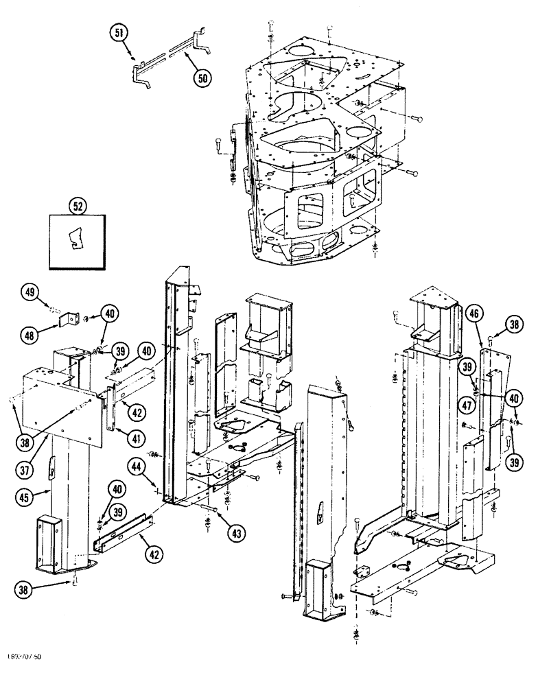
46
38
42
51
40
50
39
47
43
38
39
40
40
44
48
40
38
49
37
41
42
39
45
39
52
FIT
1:1
100%

Артикул

Название

Примечание

Количество

37

1278396C1

LARGE PLATE

PLATE - drum, front (No. 2 and 4 drum)

1шт.

37

1278397C1

LARGE PLATE

PLATE - drum, front (No. 1 and 3 drum)

1шт.

38

86965C1

BOLT

- hex, 3/8 NC x 3/4 inch

1шт.

39

192-21

LOCK WASHER,3/8"

WASHER, LOCK, 3/8"

1шт.

40

129-103

NUT,Hex, 3/8" - 16, Gr 5

NUT, 3/8"-16, G5

1шт.

41

1278443C1

ANGLE

BRACKET - mounting

1шт.

42

216791C1

CHANNEL

- tie

2шт.

43

21878R1

HEADED PIN,3/8" x 2 3/4"

PIN - headed, 3/8 x 2-3/4 inch

2шт.

44

648002

KNIFE

PIN SPLIT (COTTER), 1/8" x 3/4"

2шт.

45

1278382C2

POST

- front, removable (No. 2 and 4 drum)

1шт.

45

1278383C2

POST

- front, removable (No. 1 and 3 drum)

1шт.

46

87046C2

GUSSET

POST - rear (No. 2 and 4 drum)

1шт.

46

87047C2

GUSSET

POST - rear (No. 1 and 3 drum)

1шт.

47

598809R1

CARRIAGE BOLT,Sht Sq Nk, 3/8" - 16 x 3/4", Gr 5

BOLT - round head square neck, 3/8 NC x 3/4 inch

1шт.

48

87154C1

ANGLE

BRACKET - rotor wrench (No. 2 drum)

1шт.

49

113-206

BOLT,Hex, 3/8" - 16 x 3/4", Gr 5, Full Thd

3шт.

50

1339262C1

GRATE ASSY.

GRATE - drum, front

1шт.

51

172427

SHIELD

BOLT - hex tapping, 1/4 NC x 1/2 inch

4шт.

52

1338398C1

FILLER

SHIM - drum plate, left

1шт.

52

1338457C1

FILLER

SHIM - drum plate, right

1шт.

1338770C1

DRUM

ASSEMBLY - cotton picker, No. 1

1шт.

1338771C1

DRUM

ASSEMBLY - cotton picker, No. 2

1шт.

1338772C1

DRUM

ASSEMBLY - cotton picker, No. 3

1шт.

1338773C1

DRUM

ASSEMBLY - cotton picker, No. 4

1шт.

Выбрано товаров: 0