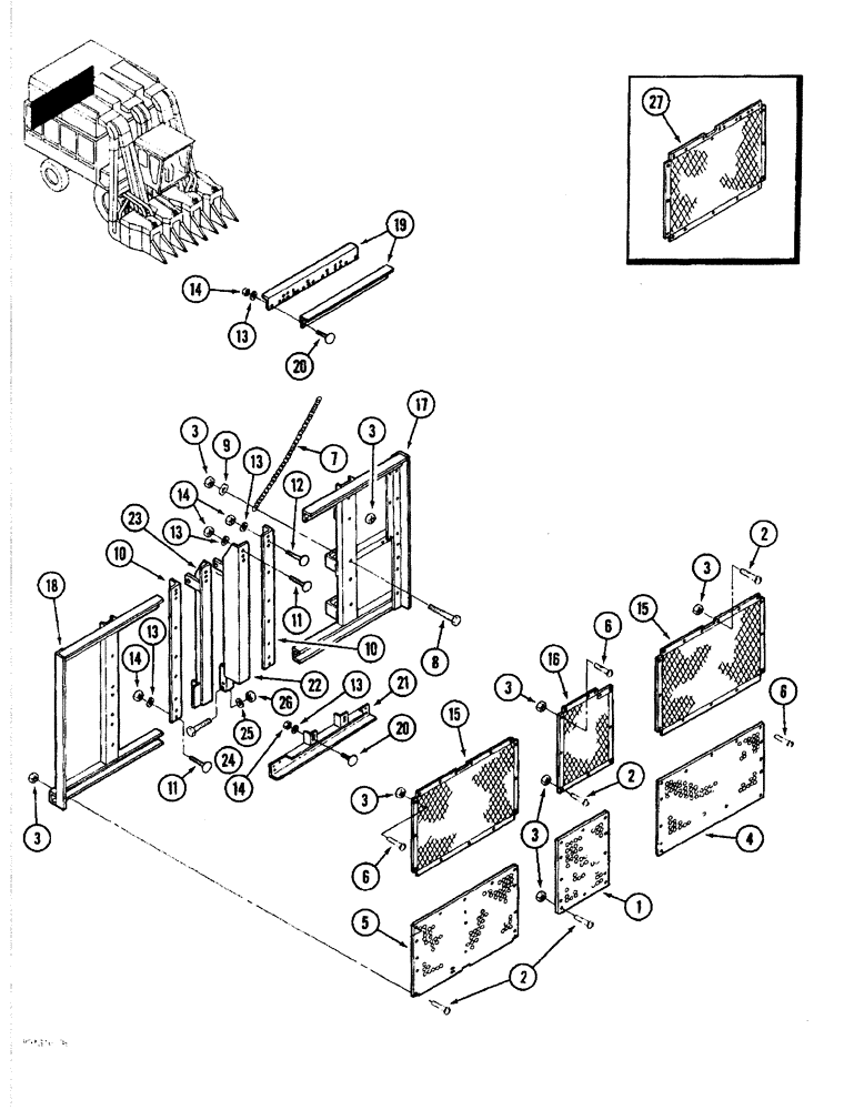
Запчасти Case IH 1844 (9C-22) - BASKET REAR, 1844 COTTON PICKER (16) - BASKET

Схема запчастей Case IH 1844 - (9C-22) - BASKET REAR, 1844 COTTON PICKER (16) - BASKET
15
26
6
2
11
1
14
13
25
12
6
22
15
13
3
16
6
18
27
14
13
2
8
4
9
3
5
3
11
3
14
3
24
3
10
13
20
20
17
3
7
10
2
23
19
14
13
21
FIT
1:1
100%

Артикул

Название

Примечание

Количество

REF

INSTRUCTION

BASKET ASSEMBLY - cotton picker, complete (See Note)

1шт.

1

1260158C2

COVER

- lower, center

1шт.

2

477-73812

SERRATED SCREW,Truss HD, 3/8" - 16 x 3/4"

- slotted, 3/8 NC x 3/4 inch

1шт.

3

482256R1

BEARING LOCK NUT,Flg, USR, 3/8"-16

- hex, 3/8 inch NC

1шт.

4

1260160C4

COVER

- lower, left

1шт.

5

1260161C4

COVER

- lower, right

1шт.

6

477-73816

SERRATED SCREW,Sl Truss Hd, 3/8" x 1"

- slotted, 3/8 NC x 1 inch

1шт.

7

NSS

NOT SOLD SEPARAT

CHAIN - door, 33 links (Order ZAN4030136, Serial Range: cut-length)

1шт.

8

113-248

BOLT,Hex, 3/8" - 16 x 2-3/4", Gr 5

1шт.

9

477589R1

WASHER

- flat, 3/32 x 1-1/2 x 7/64 inch

1шт.

10

1260162C1

SUPPORT

BRACKET - retainer

2шт.

11

598812R1

CARRIAGE BOLT,Sq Nk, 3/8" - 16 x 2", Gr 5

BOLT - round head square neck, 3/8 NC x 2 inch

1шт.

12

550796R1

CARRIAGE BOLT,3/8" - 16 x 1 1/4", Grade 5

BOLT - round head square neck, 3/8 NC x 1-1/4 inch

1шт.

13

192-21

LOCK WASHER,3/8"

WASHER, LOCK, 3/8"

1шт.

14

129-103

NUT,Hex, 3/8" - 16, Gr 5

NUT, 3/8"-16, G5

1шт.

15

1260164C1

SIEVE

SCREEN - basket, 1 395 mm long

2шт.

16

1260181C1

SIEVE

SCREEN - basket, center

1шт.

17

1260227C8

END

- basket, left

1шт.

18

1260229C6

END

- basket, right

1шт.

19

1260244C2

SUPPORT

BRACKET - tie

2шт.

20

495967R1

CARRIAGE BOLT,Short NK, 3/8"-16 x 1", G5, Full Thd

BOLT - round head square neck, 3/8 NC x 1 inch

1шт.

21

1260318C22

CHANNEL - tie

1шт.

22

1338385C1

ANGLE BAR

BRACKET - lift, left

1шт.

23

1338386C1

ANGLE BAR

BRACKET - lift, right

1шт.

24

25228R1

BOLT,Hex, 5/16" - 18 x 3/4", Gr 8

- hex, 1/2 NC x 1-1/4 inch

1шт.

25

192-23

LOCK WASHER,1/2"

WASHER, LOCK, 1/2"

1шт.

26

129-105

NUT,Hex, 1/2" - 13, Gr 5

1шт.

27

1339132C1

SIEVE

SCREEN ASSEMBLY - basket, left rear, 1 331 mm long

1шт.

Выбрано товаров: 28