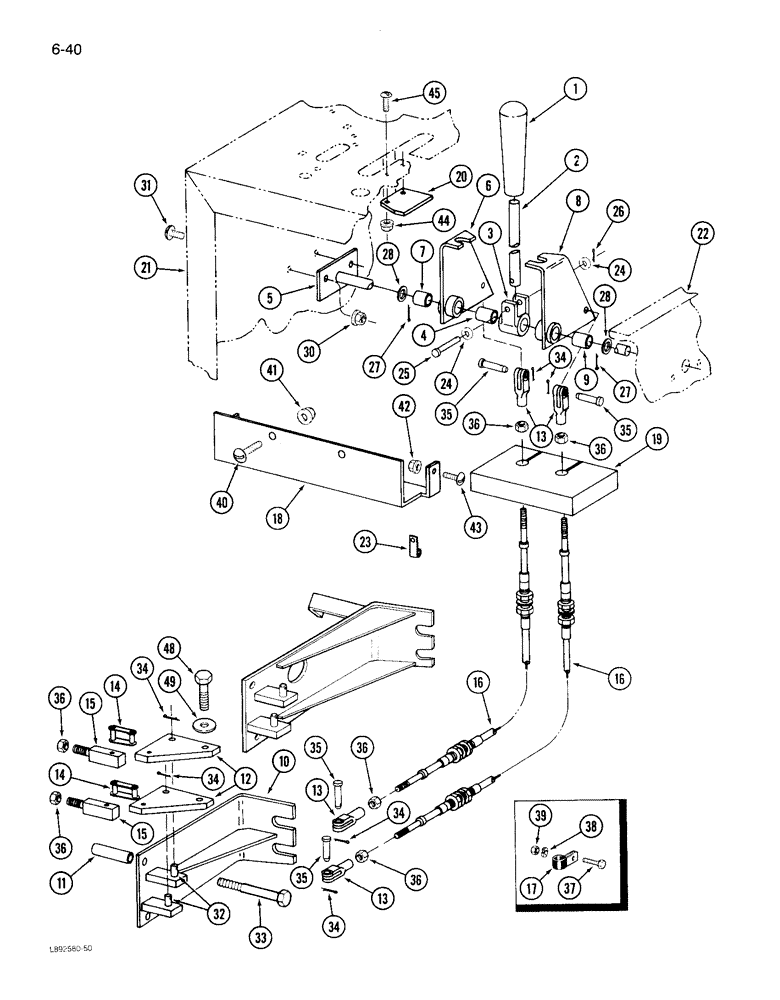
Запчасти Case IH 1844 (6-40) - TRANSMISSION SHIFT CONTROLS (03) - POWER TRAIN

Схема запчастей Case IH 1844 - (6-40) - TRANSMISSION SHIFT CONTROLS (03) - POWER TRAIN
26
15
34
13
25
42
13
35
36
22
33
27
1
49
7
43
40
48
20
34
12
31
36
3
44
11
21
35
24
16
36
36
32
16
39
36
28
5
15
2
13
19
14
30
27
38
35
35
24
34
36
18
4
34
45
34
9
23
28
6
17
14
37
41
10
8
FIT
1:1
100%

Артикул

Название

Примечание

Количество

1

193194C2

HANDLE

GRIP - hand, control lever (Replaces 157473C1)

1шт.

2

1278662C1

STEM

ROD - transmission shift

1шт.

3

157360C11

ARM

PIVOT ASSEMBLY - gear shift

1шт.

4

568920R1

BUSHING

- gear shift pivot

1шт.

5

1278661C1

SHAFT

- gear shift

1шт.

6

1278666C91

ARM ASSY.

ARM ASSEMBLY - transmission shift left

1шт.

7

568921R1

BUSHING,15.9mm ID x 19.02mm OD x 22.23mm L

- shift arm

1шт.

8

1278667C91

ARM ASSY.

ARM ASSEMBLY - transmission shift right

1шт.

9

568921R1

BUSHING,15.9mm ID x 19.02mm OD x 22.23mm L

- gear shift arm

2шт.

10

1963959C1

SECTOR

- shifter plate (Includes Ref 32)

1шт.

11

1963957C1

SPACER

- tube, 5/8 x 3 inch

2шт.

12

221444C2

LARGE PLATE

PLATE - shifter rail

2шт.

13

144242

CLEVIS

- cable

4шт.

14

587368R91

CHAIN LINK

LINK - connecting

2шт.

15

1963964C2

BAR

BOLT - bar

2шт.

16

1329381C1

CABLE

- shifter

2шт.

17

S77322

CLAMP

- harness, closed, 12.7 mm ID

2шт.

18

1278663C3

SUPPORT

- transmission cable

1шт.

19

1278719C1

SEAL

- transmission cables

1шт.

20

195239C2

BAR

- H pattern filler

1шт.

21

REF

INSTRUCTION

SUPPORT - left console rear (See Page 9D-3)

1шт.

22

REF

INSTRUCTION

SUPPORT - manual rear (See Page 9D-3)

1шт.

23

358986R1

CABLE CLIP

CLIP - cable

4шт.

24

120393

BEARING WASHER,5/16", SAE

WASHER - flat, 11/32 x 11/16 x 3/64 inch

2шт.

25

Q1191

HEADED PIN,5/16" x 1 1/2"

PIN - head, 5/16 x 1-1/2 inch

1шт.

26

432-812

COTTER PIN,3/4" OAL x 1/8" W

PIN, SPLIT (COTTER), 1/8" x 3/4"

1шт.

27

432-1216

COTTER PIN,3/16" x 1"

2шт.

28

21782R1

WASHER

- flat, 21/32 x 1-1/4 x 3/64 inch

2шт.

30

938017R1

FLANGE NUT,Flg, USR, 5/16"-18

- hex, 5/16 inch NC

2шт.

31

1330152C1

SCREW,Sl Serr Truss Hd, 5/16" - 18 x 3/4"

2шт.

32

427-5094

CLEVIS PIN,7.92mm OD x 23.88mm L

2шт.

33

28769R1

BOLT,Hex, 3/8" - 16 x 5 1/4", Gr 8

- hex, 3/8 x 4-1/2 inch, Grade 8

2шт.

33

26311R1

BOLT,Hex, 3/8" - 16 x 1 1/4", Gr 8

- hex, 3/8 x 1-1/4 inch, Grade 8

1шт.

34

432-612

COTTER PIN,3/32" x 3/4"

PIN , SPLIT (COTTER), 3/32" x 3/4"

6шт.

35

16616R1

CLEVIS PIN,5/16" x .940"

PIN - clevis 51/6 x 15/16 inch

4шт.

36

124920

JAM NUT,Jam, 5/16"-24, G5

6шт.

37

413-416

BOLT,Hex, 1/4" - 20 x 1", Gr 5

- hex, 1/4 NC x 1 inch

1шт.

38

492-11025

LOCK WASHER,1/4"

WASHER, LOCK, 1/4"

1шт.

39

425-104

NUT,1/4"-20, Cl 5

- hex, 1/4 inch NC

1шт.

40

477-73812

SERRATED SCREW,Truss HD, 3/8" - 16 x 3/4"

- slotted, 3/8 NC x 3/4 inch

2шт.

41

482256R1

BEARING LOCK NUT,Flg, USR, 3/8"-16

- hex, 3/8 inch NC

2шт.

42

938017R1

FLANGE NUT,Flg, USR, 5/16"-18

- hex, 5/16 inch NC

4шт.

43

1330152C1

SCREW,Sl Serr Truss Hd, 5/16" - 18 x 3/4"

4шт.

44

938016R1

FLANGE NUT,Flg, USR, 1/4"-20

- hex, 1/4 inch NC

2шт.

45

937059R1

SCREW,Serr, M10 x 70mm, Cl 10.9

- slotted, 1/4 NC x 1/2 inch

2шт.

48

413-628

BOLT,Hex, 3/8" - 16 x 1-3/4", Gr 5

- hex, 3/8 NC x 1-3/4 inch

1шт.

49

495-11041

WASHER,0.406" ID x 0.812" OD x 0.065" W

(Flat, 13/32 x 13/16 x 1/16") 3/8", SAE

1шт.

Выбрано товаров: 47