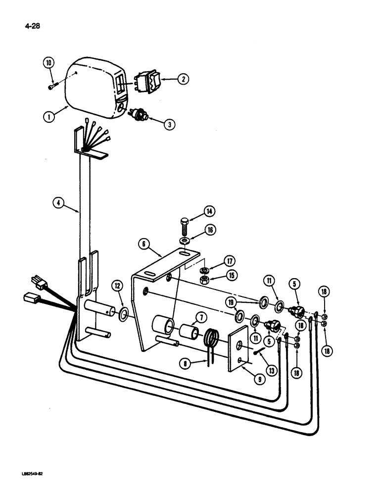
Запчасти Case IH 1844 (4-28) - BASKET CONTROL HANDLE (06) - ELECTRICAL SYSTEMS

Схема запчастей Case IH 1844 - (4-28) - BASKET CONTROL HANDLE (06) - ELECTRICAL SYSTEMS
3
11
11
18
10
1
7
17
5
16
18
19
9
15
8
2
14
4
12
18
18
6
5
13
FIT
1:1
100%

Артикул

Название

Примечание

Количество

1

1278951C91

HANDLE

ASSEMBLY - basket control

1шт.

2

91926C1

SWITCH

- basket raise and lower (Replaces 1301092C1)

1шт.

3

245846C1

SWITCH

- basket unloader

1шт.

4

245170C1

LEVER

HANDLE ASSEMBLY WITH HARNESS - basket control

1шт.

5

367098C91

SWITCH

- basket door open and close

2шт.

6

1285217C91

SUPPORT

BRACKET ASSEMBLY - basket lever mounting

1шт.

7

1288560C1

BUSHING

- basket control pivot

1шт.

8

1285242C1

SPRING

- basket control torsion

1шт.

9

1285241C1

LARGE PLATE

PLATE - spring cover

1шт.

10

28002R1

HEX SOC SCREW,#6 - 32 x 1/2"

SCREW - hex, No. 6 x 1/2 inch

3шт.

11

138553

WASHER

- internal lock, 9/16 inch

2шт.

12

22258R1

WASHER

- flat, 21/32 x 1 x 1/32 inch

1шт.

13

432-1216

COTTER PIN,3/16" x 1"

Pin, Split (Cotter), 3/16" x 1"

1шт.

14

12663R1

BOLT,Short NK, 3/8"-16 x 1", G2, Full Thd

- hex, 3/8 NC x 1 inch

2шт.

15

120377

NUT,3/8" - 16, Gr 5

2шт.

16

NLS

NO LONGER SERVICED

- flat, 7/16 x 1 x 1/16 inch

2шт.

17

120382

LOCK WASHER,Helical Spring, 3/8"

WASHER, LOCK, 3/8"

2шт.

18

193-1002

NUT,Keps, #8 - 32, w/ Ext Tooth LW

- hex, No. 8 NC

4шт.

19

21797R1

WASHER

- flat, 19/32 x 15/16 x 1/64 inch

2шт.

Выбрано товаров: 19