Запчасти Case IH 1844 (4-58) - WINDSHIELD WIPER (06) - ELECTRICAL SYSTEMS

Схема запчастей Case IH 1844 - (4-58) - WINDSHIELD WIPER (06) - ELECTRICAL SYSTEMS
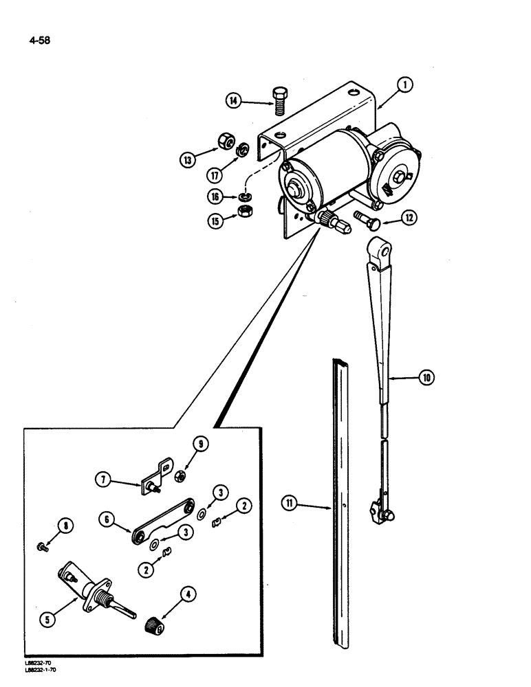
1
8
3
9
6
12
7
13
4
15
2
10
5
17
2
16
11
14
3
FIT
1:1
100%

Артикул

Название

Примечание

Количество

1

1276130C92

WIPER MOTOR

MOTOR ASSEMBLY WITH MOUNTING BRACKET - wiper

1шт.

2

739487C1

CLIP

- spring

2шт.

Part of Wiper Linkage Kit, P/N 1267542C91

1шт.

3

148074R1

WASHER

- retaining

2шт.

Part of Wiper Linkage Kit, P/N 1267542C91

1шт.

4

1267556C1

BUTTON

NUT - knurled drive

1шт.

Part of Wiper Linkage Kit, P/N 1267542C91

1шт.

5

NSS

NOT SOLD SEPARAT

SHAFT AND PIVOT ASSEMBLY

1шт.

Part of Wiper Linkage Kit, P/N 1267542C91

1шт.

6

NSS

NOT SOLD SEPARAT

LINK ASSEMBLY - connecting

1шт.

Part of Wiper Linkage Kit, P/N 1267542C91

1шт.

7

NSS

NOT SOLD SEPARAT

ARM ASSEMBLY - drive

1шт.

Part of Wiper Linkage Kit, P/N 1267542C91

1шт.

8

NSS

NOT SOLD SEPARAT

SCREW WITH WASHER

2шт.

Part of Wiper Linkage Kit, P/N 1267542C91

1шт.

9

NSS

NOT SOLD SEPARAT

NUT - retaining

1шт.

Part of Wiper Linkage Kit, P/N 1267542C91

1шт.

10

1321282C1

ARM

- wiper, 18 inch

1шт.

11

1327520C1

WIPER BLADE

BLADE - wiper, 22 inches

1шт.

12

111-111

CARRIAGE BOLT,Short NK, 1/4"-20 x 1", G2

BOLT, CARRIAGE, (Replaces 18627R1) Short NK, 1/4"-20 x 1", G2

1шт.

13

120375

NUT,Hex, 1/4" - 20, Gr 5

1шт.

14

1327763C1

SCREW,Hex Wshr Hd, 3/8" - 16 x 3/4"

BOLT - hex, 3/8 NC x 3/4 inch

2шт.

15

120377

NUT,3/8" - 16, Gr 5

2шт.

16

120382

LOCK WASHER,Helical Spring, 3/8"

WASHER, LOCK, 3/8"

2шт.

17

492-11025

LOCK WASHER,1/4"

WASHER, LOCK, 1/4"

1шт.

1267542C91

PACKAGE

KIT - wiper linkage, Includes: ref. nos. 2, 3, 4, 5, 6, 7, 8, 9

1шт.

Выбрано товаров: 0